EasyManua.ls Logo

Siemens SIPART DR24 - Page 83

Siemens SIPART DR24
276 pages
To Next Page IconTo Next Page
To Next Page IconTo Next Page
To Previous Page IconTo Previous Page
To Previous Page IconTo Previous Page
Loading...
Manual
1 Technical Description
1.5 Functional Description
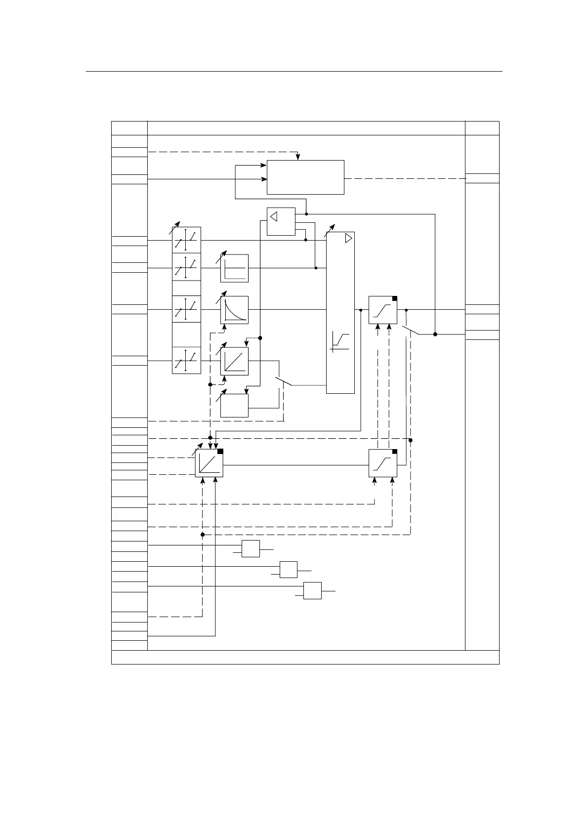
1.5.8 Complex Functions (Arithmetic blocks c, d, h)
SIP ART DR24 6DR2410
C79000-G7476-C153-03
81
D K-controllers Ccn1, Ccn2, Ccn3, Ccn4 (controller continuous)
# .09
# .08
# .07
.3A
.2A
P
H
+Δy
-Δy
Tv ,V
V
,Kp
Tn, Kp
HN
ncon
Lo
0.000
0.000
0.000
0.000
Lo
Lo
Lo
Lo
Ccn1, Ccn2, Ccn3, Ccn4h0_.F
# .01
Adaptation
+
--
--
.02
x
dP
Kp
x
dD
x
dl
.03
.04
.05
.06
Yo
Yo
PI
P
tY
tY
Ya
# .10
+
-
YBL
# .11
Lo
+YBL
# .12
Lo
-YBL
.13
1.000
SG1
cP
kp
x
.14
1.000
SG2
tn
Tn
x
.15
1.000
tv
Tv
x
SG3
#
.16
Lo
N
1
.17
0.000
cP, tn, tv settable parameters
kp, Tn, Tv active parameters
cP,tn,tv,vv,AH,Yo,YA,YE,ty
(onPA)
Y
YH
YN
+-
YBL
.1A#
AL
Av
y
x
Kpx
d
YN
N
+
+
Y
A
,Y
E
+
+
yz
n
---
AH
Figure 1--37 Arithmetic block h, continuous controller

Table of Contents

Other manuals for Siemens SIPART DR24

Related product manuals