EasyManua.ls Logo

Siemens SIPART DR24 - Page 84

Siemens SIPART DR24
276 pages
To Next Page IconTo Next Page
To Next Page IconTo Next Page
To Previous Page IconTo Previous Page
To Previous Page IconTo Previous Page
Loading...
1 Technical Description
1.5 Functional Description
1.5.8 Complex Functions (Arithmetic blocks c, d, h)
Manual
82
SIP ART DR24 6DR2410
C79000-G7476-C153-03
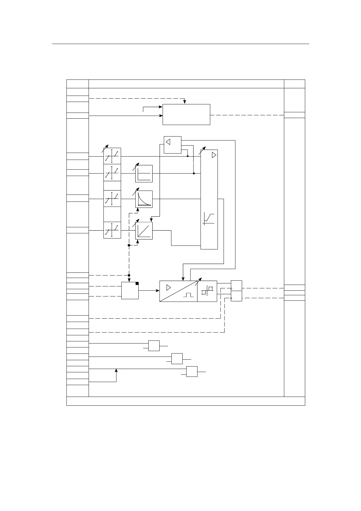
D S-controllers with internal positioning feedback CSi1, CSi2, CSi3, CSi4
(controller step internal)
H
+Δy
-Δy
Tv ,V
V
,Kp
Tn, Kp
ncon
Lo
0.000
0.000
0.000
0.000
Lo
Lo
Lo
CSi1, CSi2, CSi3, CSi4
h0_.F
# .01
Adaptation
+
--
--
.02
x
dP
Kp
x
dD
x
dl
.03
.04
.05
Y
A
,Y
E
+
+
+
+
# .08
# .09
# .10
# .11
Lo
+YBL
# .12
Lo
-YBL
.13
1.000
SG1
cP
kp
x
.14
1.000
SG2
tn
Tn
x
.15
1.000
tv
Tv
x
SG3
1
.16
ncon
cP, tn, tv settable parameters
kp, Tn, Tv active parameters
cP,tn,tv,vv,AH,ty,tA,tE
(onPA)
.2A#
.3A#
.1A#
YR
AL
Av
x
Kpx
d
>100
<0
ty, tA, tE
&
&
-Δy
+Δy
-Δy
YR
yz
n
---
.06
AH
Figure 1--38 Arithmetic block h, S--controller with internal position feedback
Note: The manipulated variable outputs +Δy and --Δy are permanently assigned to the digital
outputs (see chapter 1.5.3, page 29).

Table of Contents

Other manuals for Siemens SIPART DR24

Related product manuals