EasyManua.ls Logo

Siemens SIPROTEC 7UT635*-* N series - Page 112

Siemens SIPROTEC 7UT635*-* N series
638 pages
Print Icon
To Next Page IconTo Next Page
To Next Page IconTo Next Page
To Previous Page IconTo Previous Page
To Previous Page IconTo Previous Page
Loading...
2 Functions
112
7UT613/63x Manual
C53000-G1176-C160-2
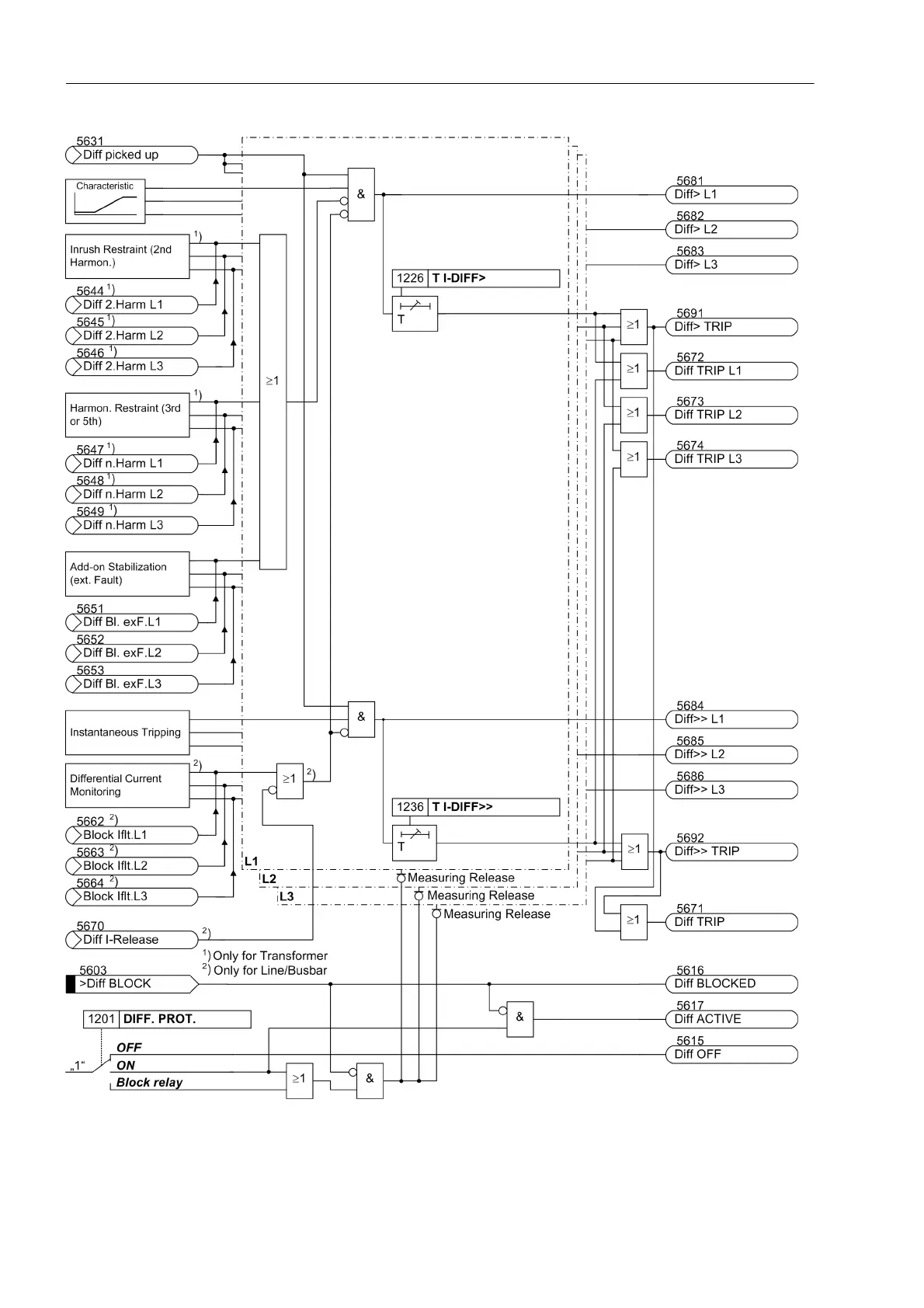
Figure 2-25 Tripping logic of the differential protection (simplified)

Table of Contents

Related product manuals