EasyManua.ls Logo

Siemens TUTORbit POL895 - Page 41

Siemens TUTORbit POL895
96 pages
Print Icon
To Next Page IconTo Next Page
To Next Page IconTo Next Page
To Previous Page IconTo Previous Page
To Previous Page IconTo Previous Page
Loading...
41
TUTORBIT
COSMOGAS
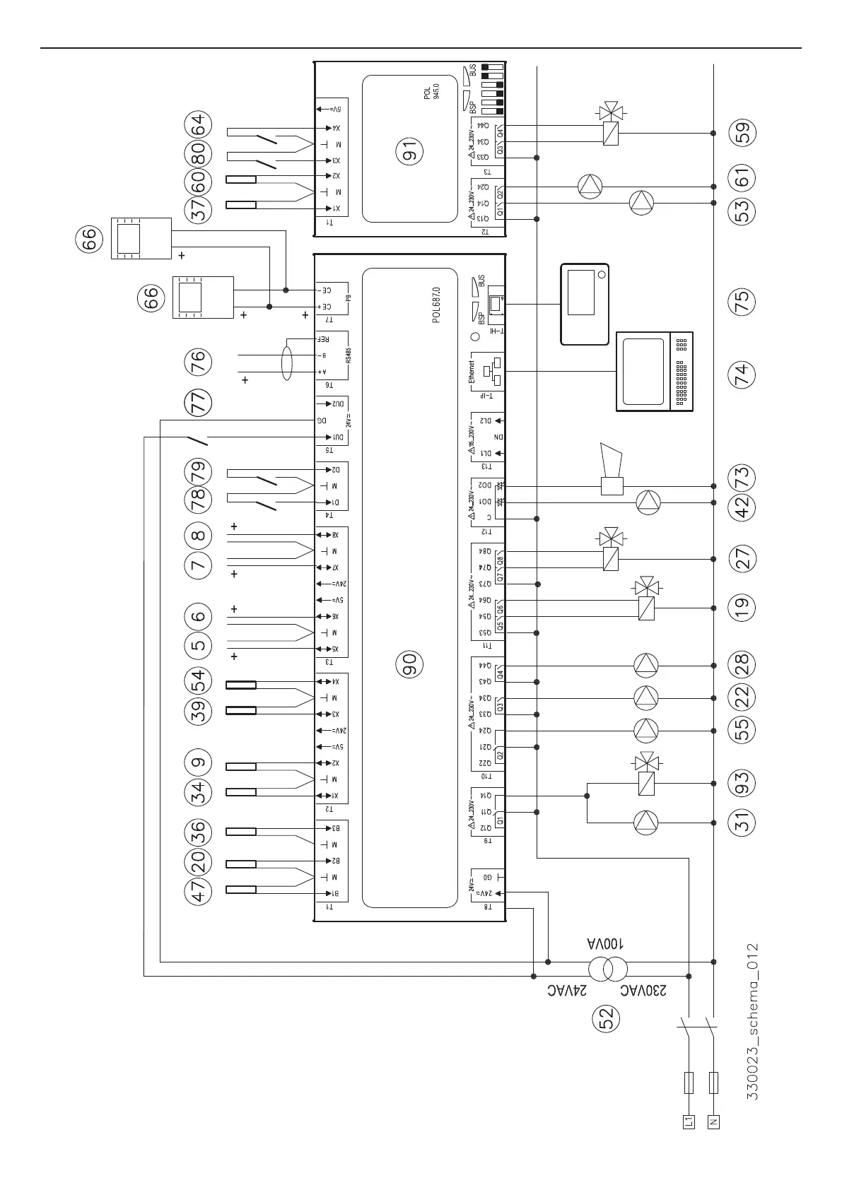
Figure 4-24 - Electrical connection
4 - INSTALLATION

Table of Contents

Related product manuals