EasyManua.ls Logo

Simplicity Regent Hydro-Gear 0650 Series

Simplicity Regent Hydro-Gear 0650 Series
201 pages
To Next Page IconTo Next Page
To Next Page IconTo Next Page
To Previous Page IconTo Previous Page
To Previous Page IconTo Previous Page
Loading...
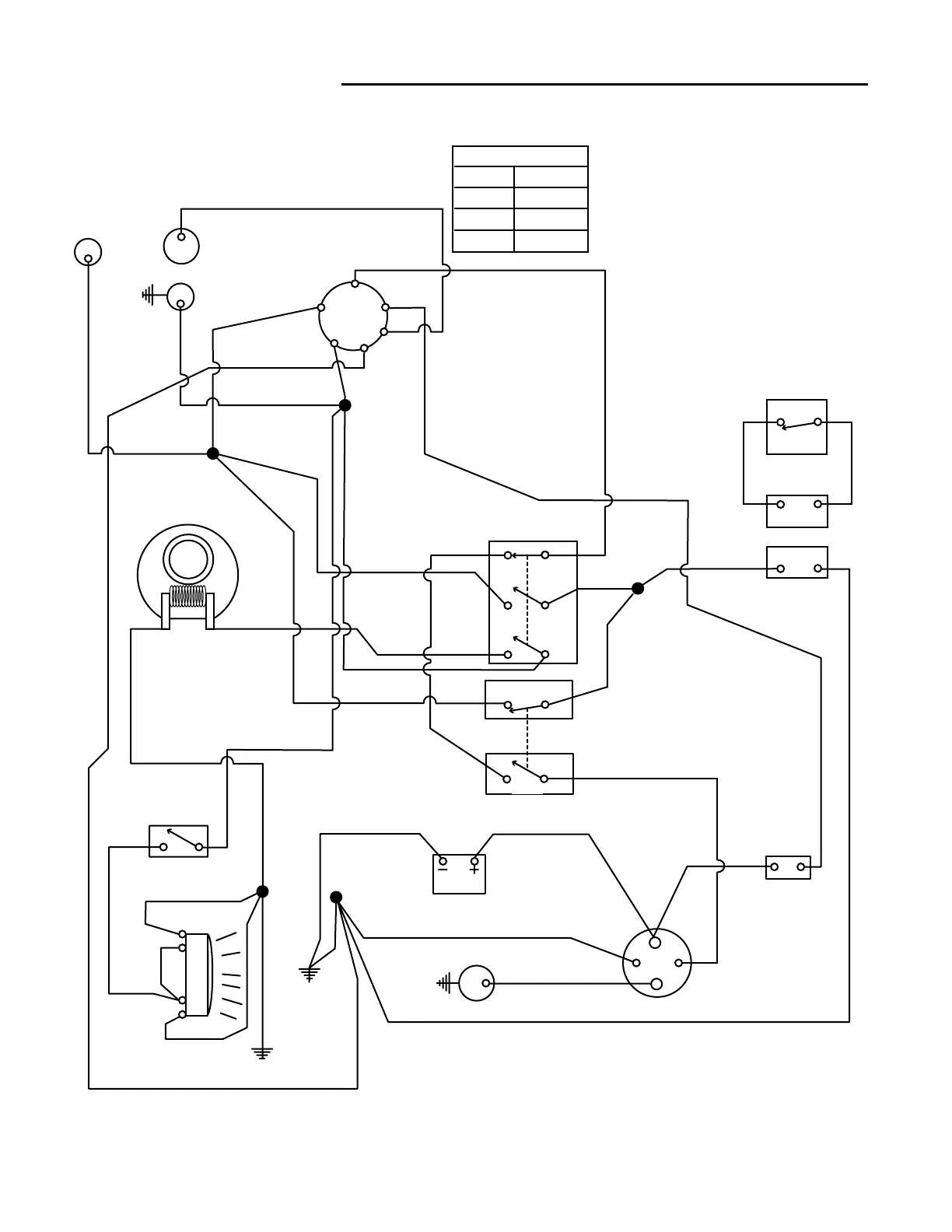
(BACK OF)
IGNITION
SWITCH
(P/N 1716061)
SPLICE
"C"
SPLICE
"A"
SPLICE "E"
SPLICE
"B"
ALTERNATOR
PTO
ELECTRIC CLUTCH
(P/N 1708536)
FUEL SHUTOFF
SOLENOID
SEAT SWITCH
(UNOCCUPIED)
(P/N 1714771)
HEADLIGHT SWITCH
(P/N 1703799)
HEADLIGHTS
STARTER
BATTERY
(P/N 1685215)
CIRCUIT
BREAKER
(P/N 1665238)
SOLENOID
(P/N 1685290)
MAGNETO
PTO SWITCH
(P/N 1714772)
PEDAL SWITCHES
(w/ PEDAL UP)
RED/WHITE
BLACK/RED
SPLICE
"D"
PURPLE
PURPLE
BLACK
BLACK
BLACK/RED
PURPLE
GREEN
BLACK
BLACK
GRAY
BLACK
BLACK
BLACK
BLACK
YELLOW
YELLOW
RED
TAN
TAN
BLUE
RED
TAN
TAN
RED
RED
BLACK
LIGHT BLUE/RED
GREEN
ORANGE
ORANGE
N.C.
N.C.
N.O.
N.O.
N.O.
N.C .
BLACK
BLACK
BLACK
NOTE: A SHORTING CONNECTOR IS USED
ON THE SEAT SWITCH CONNECTOR.
B
S
IGNITION SWITCH
POSITION
1. OFF
2. RUN
3. START
CIRCUIT MAKE
G & M & A
B & L & A
B & L & S
M
L
G
B
A
S
(P/N 1704379)
(P/N 1714770)
7 Electrical System Service
Wiring Diagram
7 - 8
Tuff Torq K-56 Models

Table of Contents

Related product manuals