EasyManua.ls Logo

Simplicity Regent Hydro-Gear 0650 Series

Simplicity Regent Hydro-Gear 0650 Series
201 pages
To Next Page IconTo Next Page
To Next Page IconTo Next Page
To Previous Page IconTo Previous Page
To Previous Page IconTo Previous Page
Loading...
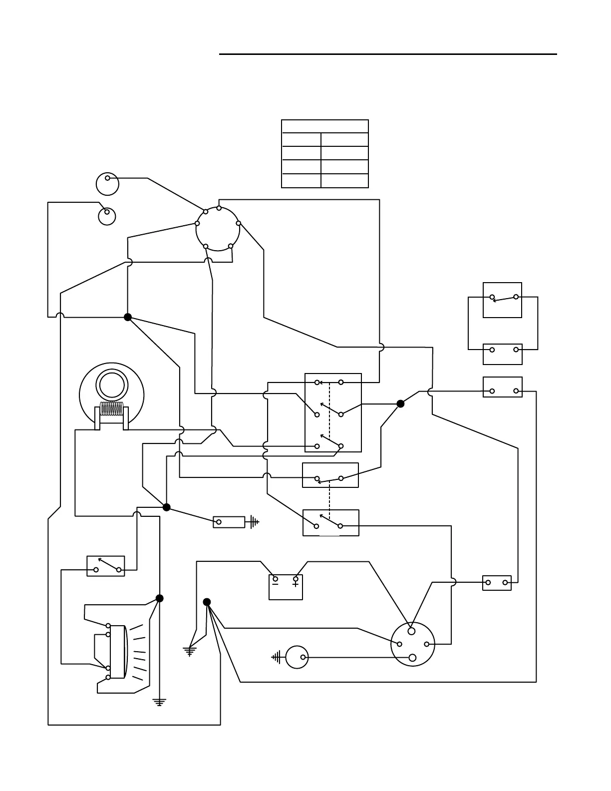
7 Electrical System Service
Wiring Diagram
7 - 10
Hydro-Gear 0500 / 0650 Models
(BACK OF)
IGNITION
SWITCH
(P/N 1715017)
SPLICE
"C"
SPLICE
"D"
SPLICE
"A"
SPLICE "E"
SPLICE
"B"
ALTERNATOR
(7 AMP)
PTO
ELECTRIC CLUTCH
(P/N 1708536)
FUEL SHUTOFF
SOLENOID
SEAT SWITCH
(UNOCCUPIED)
(P/N 1714771)
HEADLIGHT SWITCH
(P/N 1703799)
HEADLIGHTS
STARTER
BATTERY
(P/N 1685215)
CIRCUIT
BREAKER
(P/N 1665238)
SOLENOID
(P/N 1685290)
MAGNETO
PTO SWITCH
(P/N 1714772)
PEDAL SWITCHES
(w/ PEDAL UP)
RED/WHITE
RED/WHITE
PURPLE
PURPLE
PURPLE
BLACK
BLACK
BLACK/RED
BLACK/RED
PURPLE
GREEN
BLACK/RED
BLACK
BLACK
GRAY
BLACK
BLACK
BLACK
BLACK
YELLOW
YELLOW
RED
TAN
TAN
BLUE
RED
TAN
TAN
RED
RED
BLACK
LIGHT BLUE/RED
GREEN
ORANGE
ORANGE
N.C.
N.C.
N.O.
N.O.
N.O.
N.C .
BLACK
BLACK
BLACK
NOTE: A SHORTING CONNECTOR IS USED
ON THE SEAT SWITCH CONNECTOR.
B
S
IGNITION SWITCH
POSITION
1. OFF
2. RUN
3. START
CIRCUIT MAKE
G & M
B & L & A
B & L & S
A
M
L
G
B
S
(P/N 1704379)
(P/N 1714770)

Table of Contents

Related product manuals