EasyManua.ls Logo

Sirona C8+ - Page 20

Sirona C8+
56 pages
Print Icon
To Next Page IconTo Next Page
To Next Page IconTo Next Page
To Previous Page IconTo Previous Page
To Previous Page IconTo Previous Page
Loading...
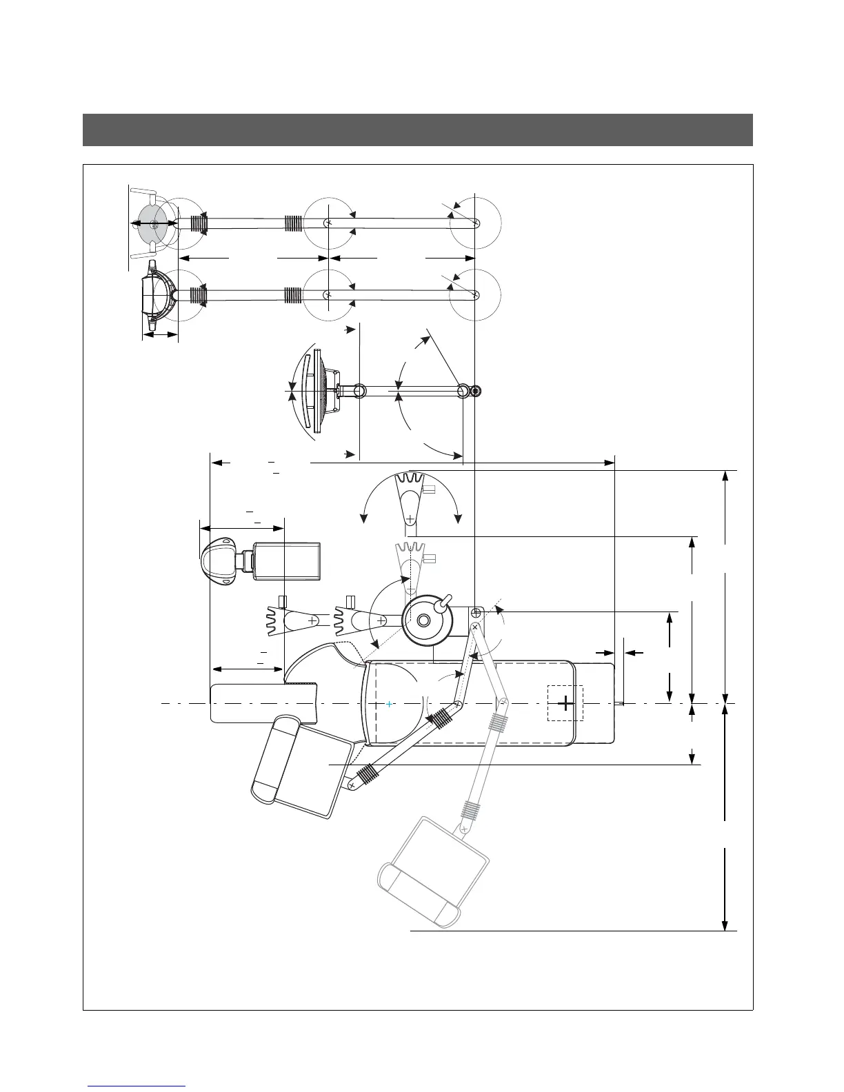
2 Dimensions, technical data Sirona Dental Systems GmbH
2.1 C8
+
1:20 Installation Requirements C8
+
60 28 000 D3417
20 D3417.021.04.09.02
C8
+
1:20
*** according to chair height
max. 380 +15
15“ +
5/8”
1170
46”
860
33 7/8”
1210
47 1/2”
310
12 1/4”
150°
140°
2070 +50***
81 1/2” +2“ ***
45
1 3/4”
459
18”
430 +15
17“ +5/8”
180
7”
90°
90°
90°
60°
750
29 1/2”
770
30 3/8”
250
9 7/8”

Other manuals for Sirona C8+

Related product manuals