EasyManua.ls Logo

Sirona C8+ - Page 22

Sirona C8+
56 pages
Print Icon
To Next Page IconTo Next Page
To Next Page IconTo Next Page
To Previous Page IconTo Previous Page
To Previous Page IconTo Previous Page
Loading...
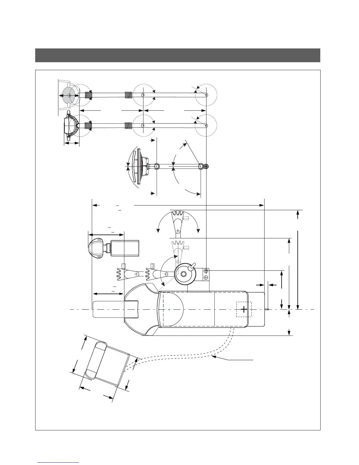
2 Dimensions, technical data Sirona Dental Systems GmbH
2.2 C8
+
Cart 1:20 Installation Requirements C8
+
60 28 000 D3417
22 D3417.021.04.09.02
C8
+
Cart 1:20
max. 380 +15
15“ +
5/8”
310
12 1/4”
420
16 1/2”
480
18 7/8”
430
17”
860
33 7/8”
1210
47 1/2”
2070 +50***
81 1/2” +
2“ ***
45
1 3/4”
459
18”
430 +15
17“ +
5/8”
*** according to chair height
Supply cable
2300
90 1/2”
180
7”
90°
90°
90°
60°
750
29 1/2”
770
30 3/8”
250
9 7/8”

Other manuals for Sirona C8+

Related product manuals