EasyManua.ls Logo

sitrex MX 8 - Page 9

Default Icon
61 pages
Print Icon
To Next Page IconTo Next Page
To Next Page IconTo Next Page
To Previous Page IconTo Previous Page
To Previous Page IconTo Previous Page
Loading...
ASSEMBLY INSTRUCTIONS
7
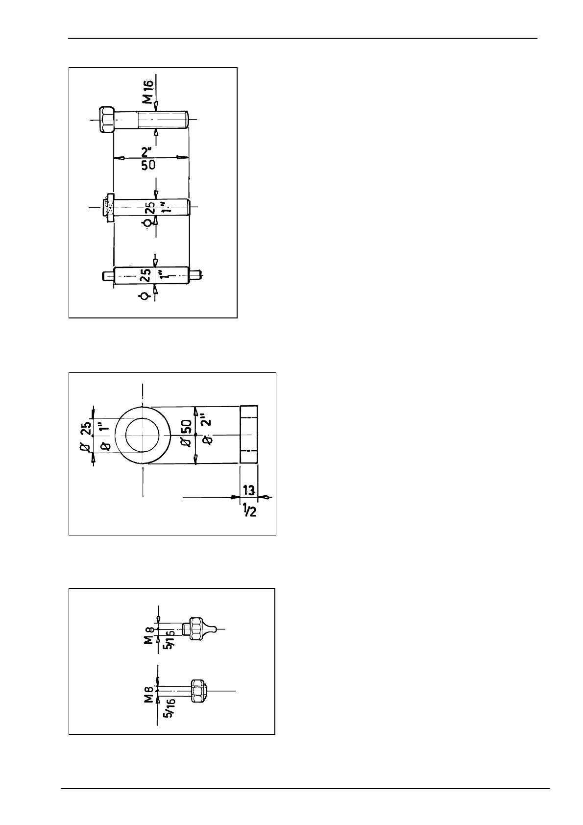
1) PINS AND SCREWS
Example: a pin with a 25 mm (1”) diameter and a screw
with an M 16 (5/8”) diameter, both 50 mm (2”) long, will
be listed as:
D 25 x 50 (D 1” x 2”) and M 16 x 50 (D 5/8” x 2”).
2) SHIMS, SPACERS, BUSHINGS AND
WASHERS
Example: a shim, spacer, bushing or washer
with an inside diameter of 25 mm (1”), outside
diameter of 50 mm (2”) and thickness or length
of 13 mm (1/2”) will be listed as:
D 25 - 50 x 13 (D 1” - 2” x 1/2”).
3) NUTS, GREASE NIPPLES
Example: a nut or grease nipple having a thread
of M 8 (5/6”) will be listed as:
M 8 (5/16”)

Related product manuals