EasyManua.ls Logo

Ski-Doo SUMMIT 583 1997 - Page 347

Ski-Doo SUMMIT 583 1997
352 pages
Print Icon
To Next Page IconTo Next Page
To Next Page IconTo Next Page
To Previous Page IconTo Previous Page
To Previous Page IconTo Previous Page
Loading...
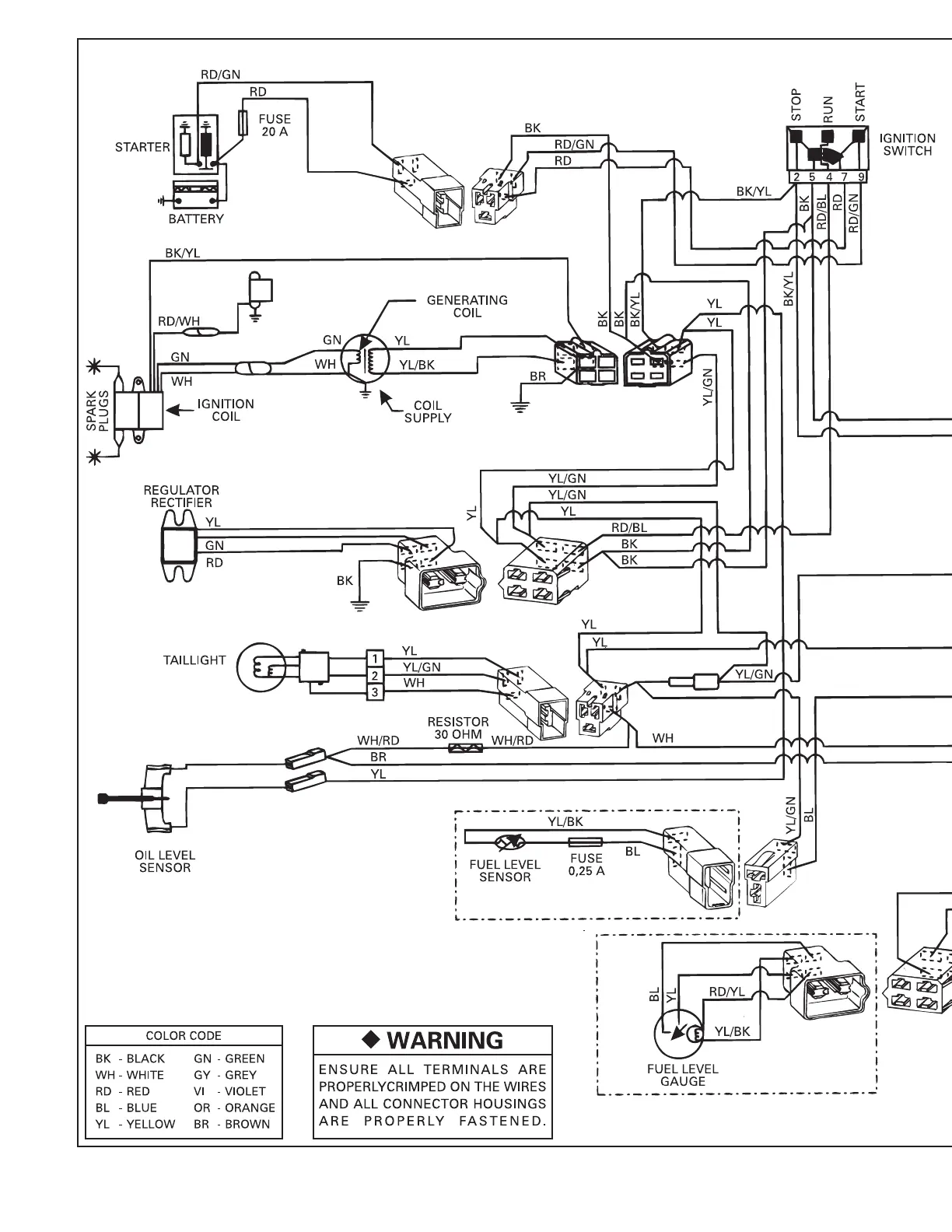
ANNEX 7

Table of Contents

Related product manuals