EasyManua.ls Logo

Ski-Doo SUMMIT 583 1997 - Bottom End

Ski-Doo SUMMIT 583 1997
352 pages
Print Icon
To Next Page IconTo Next Page
To Next Page IconTo Next Page
To Previous Page IconTo Previous Page
To Previous Page IconTo Previous Page
Loading...
Section 03 ENGINE
Sub-Section 02 (443 AND 503 ENGINE TYPES)
03-02-11
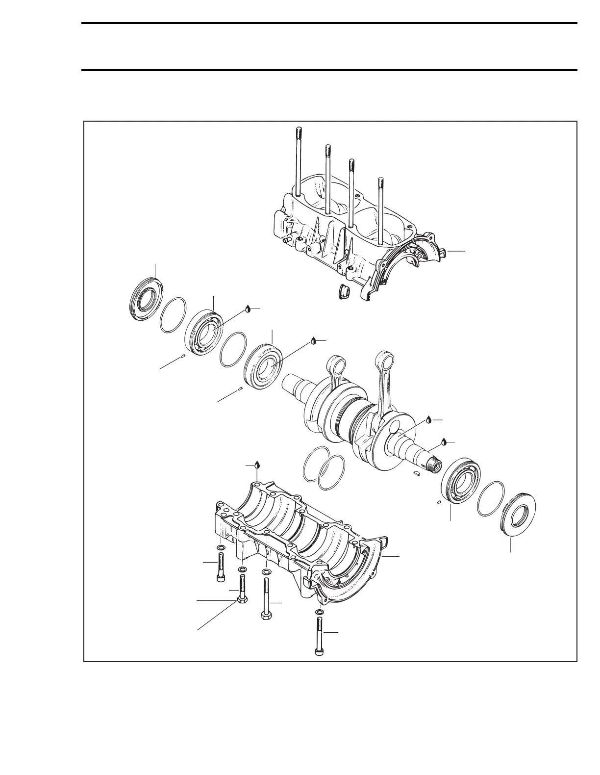
BOTTOM END
A03C1IT
Anti-seize lubricant
Anti-seize lubricant
Anti-seize lubricant
22 N•m
(16 lbf•ft)
503: 22 N•m
(16 lbf•ft)
443: 10 N•m
(89 lbf•in)
11
9
8
7
6
5
2
4
3
3
2
1
10
10
Loctite 242
FLAT RATEFLAT RATE
PARTS

Table of Contents

Related product manuals