EasyManua.ls Logo

Skov BF 50 - Circuit Diagram

Skov BF 50
124 pages
Print Icon
To Next Page IconTo Next Page
To Next Page IconTo Next Page
To Previous Page IconTo Previous Page
To Previous Page IconTo Previous Page
Loading...
BF 50 Wall Fans
Technical User Guide 73
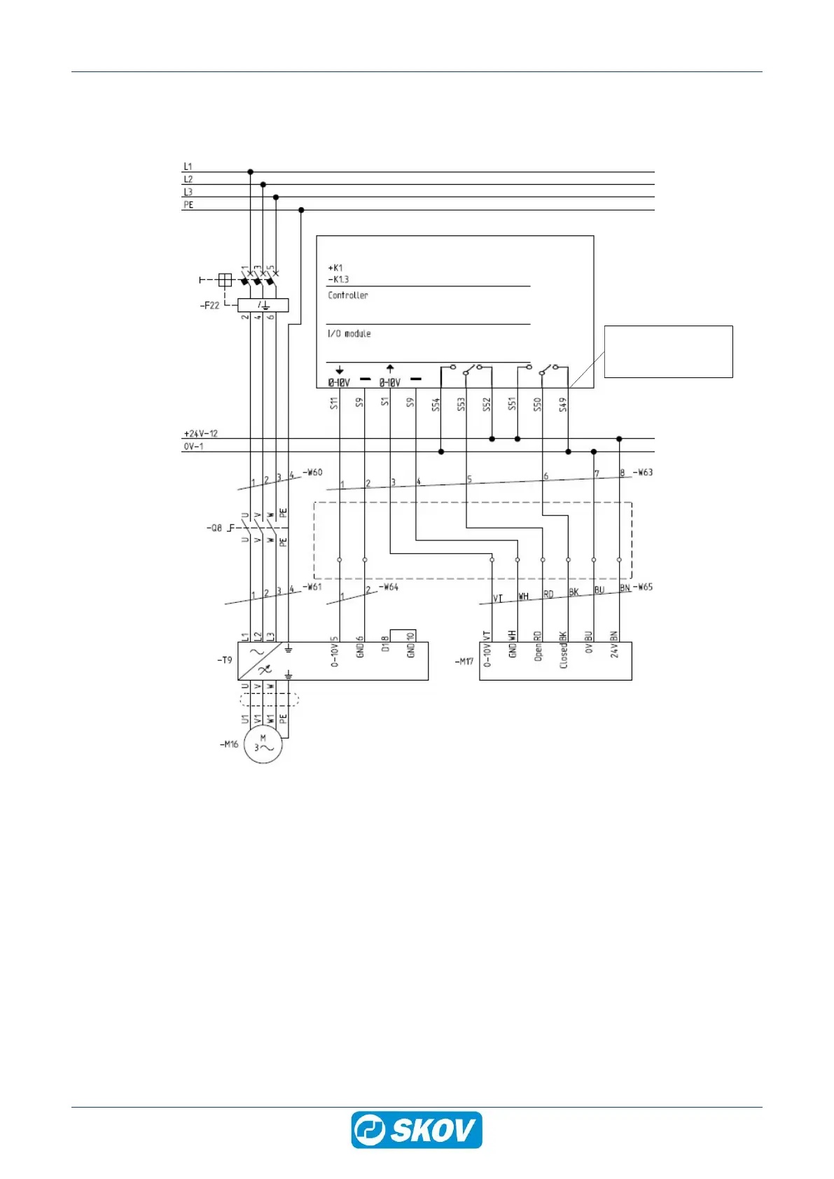
4.1.22.3 Circuit diagram
Power supply from emergency opening 0V-1 = Q1 terminal in controller.
Power supply from emergency opening 24V-12 = F6 terminal in emergency opening.
LPC fan
LPC 3 x 230 V
Example of terminal number
For correct connection
see the setup menu
Show connection in controller
Connection box
Motor controller
LPC actuator stepless

Table of Contents

Related product manuals