EasyManua.ls Logo

Skov BF 50 - Page 79

Skov BF 50
124 pages
Print Icon
To Next Page IconTo Next Page
To Next Page IconTo Next Page
To Previous Page IconTo Previous Page
To Previous Page IconTo Previous Page
Loading...
BF 50 Wall Fans
Technical User Guide 79
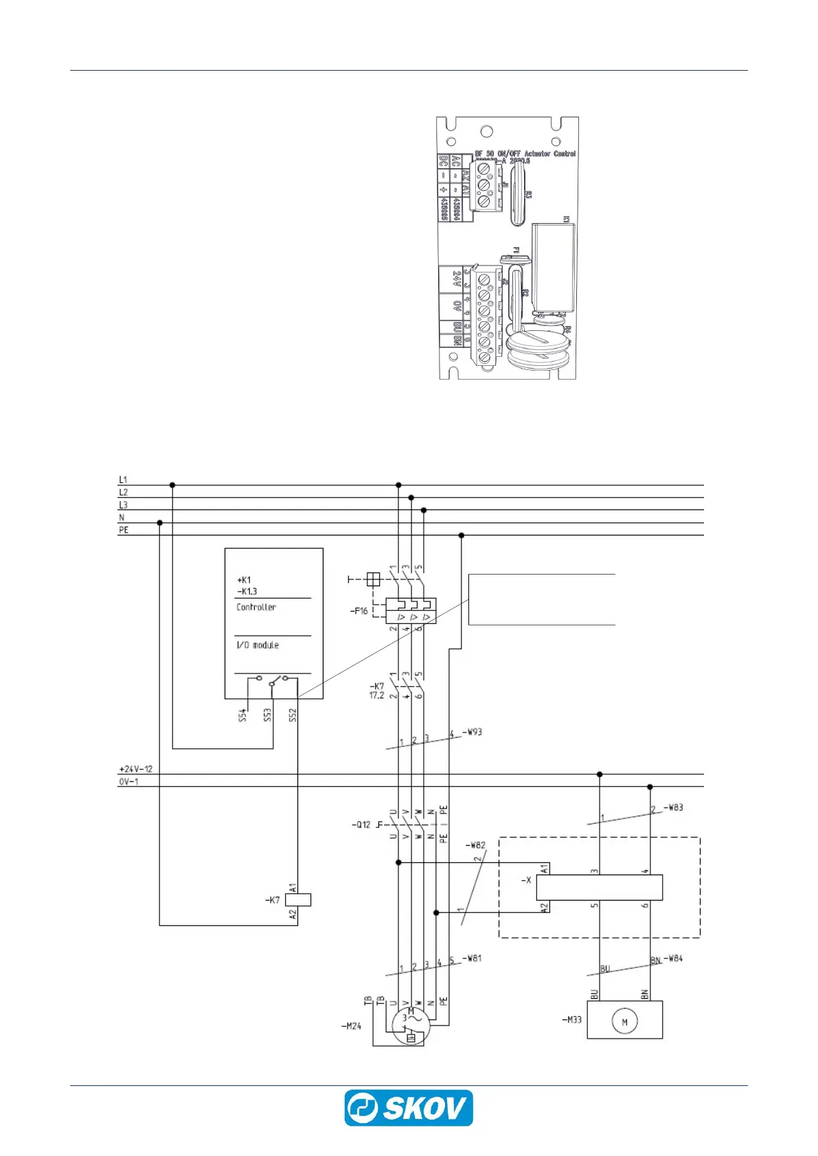
4.1.25.3 ON/OFF actuator control box
Brown wire from actuator
230 V AC L from supply to fan
230 V AC N from fan
Blue wire from actuator
24 V DC from power supply
0 V from power supply
4.1.25.4 Circuit diagram
Power supply from emergency opening 0V-1 = Q1 terminal in controller.
Power supply from emergency opening 24V-12 = F6 terminal in emergency opening.
Fan 3x400 V
ON/OFF actuator
Example of terminal number
For correct connection
see the setup menu
Show connections in the controller
ON/OFF actuator box

Table of Contents

Related product manuals