EasyManua.ls Logo

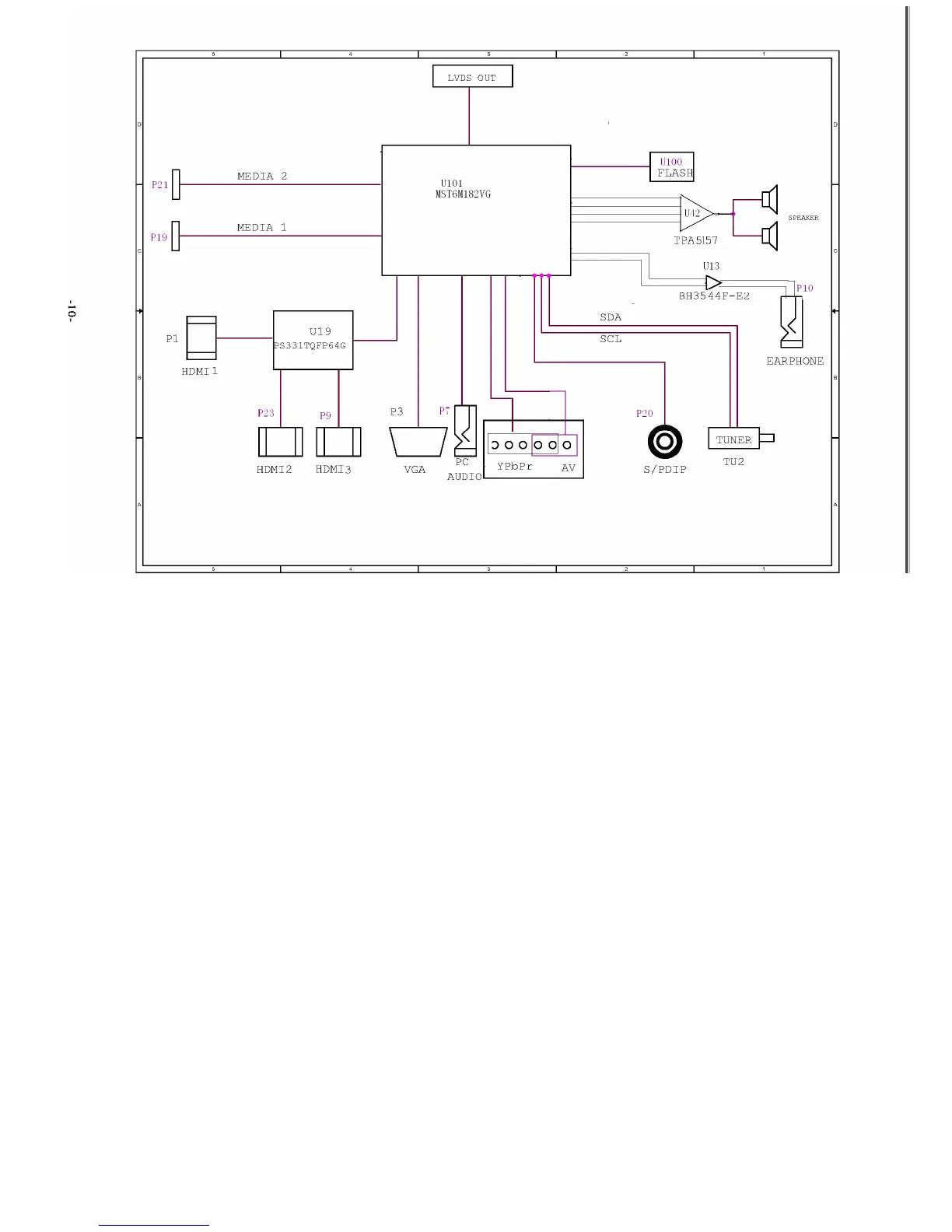
Skyworth 42E68 - IC Block Diagram; U10 (MST6 E181 VS) Block Diagram

Skyworth 42E68
91 pages
Print Icon
To Next Page IconTo Next Page
To Next Page IconTo Next Page
To Previous Page IconTo Previous Page
To Previous Page IconTo Previous Page
Loading...

Related product manuals