EasyManua.ls Logo

Skyworth 42E68 - Page 84

Skyworth 42E68
91 pages
Print Icon
To Next Page IconTo Next Page
To Next Page IconTo Next Page
To Previous Page IconTo Previous Page
To Previous Page IconTo Previous Page
Loading...
5
5
4
4
3
3
2
2
1
1
D D
C C
B B
A A
TUAGC
TU_SDA
TU_SCL
IF-IN+
IF-IN-
IF-IN+ VIFP
VIFM
TUAGC TAGC
TU_SDA
TU_SCL
TUNER_SDA
TUNER_SCL
IF-IN-
+5V_Tuner
+5V_Tuner
+5V_Normal
TAGC
TUNER_SDA
TUNER_SCL
VIFM
VIFP
Title
Size Document Number Rev
Date: Sheet
of
MST6M161LG&181VG&182VG V1.0
MST6M161LG&181VG&182VG
<OrgName>
A4
210Tuesday, November 29, 2011
Title
Size Document Number Rev
Date: Sheet of
MST6M161LG&181VG&182VG V1.0
MST6M161LG&181VG&182VG
<OrgName>
A4
210Tuesday, November 29, 2011
Title
Size Document Number Rev
Date: Sheet of
MST6M161LG&181VG&182VG V1.0
MST6M161LG&181VG&182VG
<OrgName>
A4
210Tuesday, November 29, 2011
SMC 0755-26037700
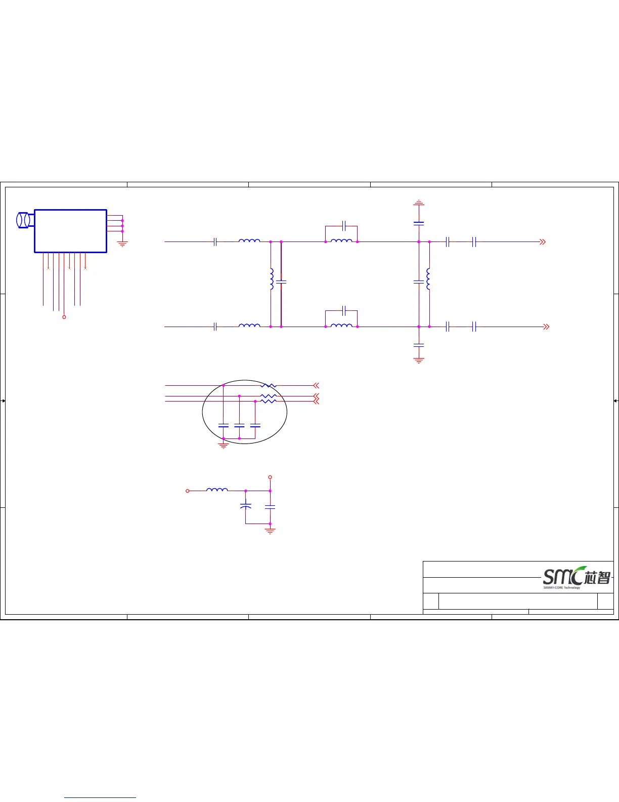
Q
值:
15(MIN)
BPF_IN
BPF FOR 38.9MHz OR 38MHZ
TUNER AGC,Close TUNER
L35
100nH_10%
L35
100nH_10%
C375 51RC375 51R
C374
NC
C374
NC
C373
0.1u
C373
0.1u
C356 33RC356 33R
L29
0R
L29
0R
U3 HFT2-8F/115CWU3 HFT2-8F/115CW
AGC
1
NC
2
SDA
3
SCL
4
BM
5
NC
6
IF1
7
IF2
8
NC
9
GND
10
GND
11
GND
12
GND
13
L36
NC
L36
NC
L27 NCL27 NC
C237
20p
C237
20p
C362
NC
C362
NC
C3680.1u C3680.1u
R299 68RR299 68R
R307 68RR307 68R
C239
20p
C239
20p
L33
0R
L33
0R
L30 NCL30 NC
+
CA18
470uF/16V
+
CA18
470uF/16V
C240
0.1u
C240
0.1u
C243
0.1u
C243
0.1u
C371
220p
C371
220p
C3800.1u C3800.1u
C379
NC
C379
NC
C370
0.1u
C370
0.1u
C377 33RC377 33R
L116
10uH
L116
10uH
R291 100RR291 100R
C376 51RC376 51R

Related product manuals