EasyManua.ls Logo

Skyworth 42E68 - Page 86

Skyworth 42E68
91 pages
Print Icon
To Next Page IconTo Next Page
To Next Page IconTo Next Page
To Previous Page IconTo Previous Page
To Previous Page IconTo Previous Page
Loading...
5
5
4
4
3
3
2
2
1
1
D D
C C
B B
A A
UART-RX0
UART-TX
UART-RX
VGA-HS
VGA-VS
UART-TXVGA-SDA
N21348072
VGA-Rin
VGA-Bin
VGA_VS
VGA_HS
VGA-Gin
RGB0_Pr+
RGB0_Y+
RGB0_Y-SOG
RGB0_Pb+
UART-RXVGA-SCL
VGA-Rin1
VGA-Lin1
VGA_HS
VGA_VS
UART-TX
UART-RX
RGB0_Pb+
RGB0_Y-SOG
RGB0_Y+
RGB0_Pr+
VGA-AULin0 2
VGA-AURin0 2
Title
Size Document Number Rev
Date: Sheet
of
MST6M161LG&181VG&182VG V1.0
MST6M161LG&181VG&182VG
<OrgName>
A4
210Thursday, January 12, 2012
Title
Size Document Number Rev
Date: Sheet of
MST6M161LG&181VG&182VG V1.0
MST6M161LG&181VG&182VG
<OrgName>
A4
210Thursday, January 12, 2012
Title
Size Document Number Rev
Date: Sheet of
MST6M161LG&181VG&182VG V1.0
MST6M161LG&181VG&182VG
<OrgName>
A4
210Thursday, January 12, 2012
SMC 0755-26037700
6100-020100-0410
6100-020000-0410
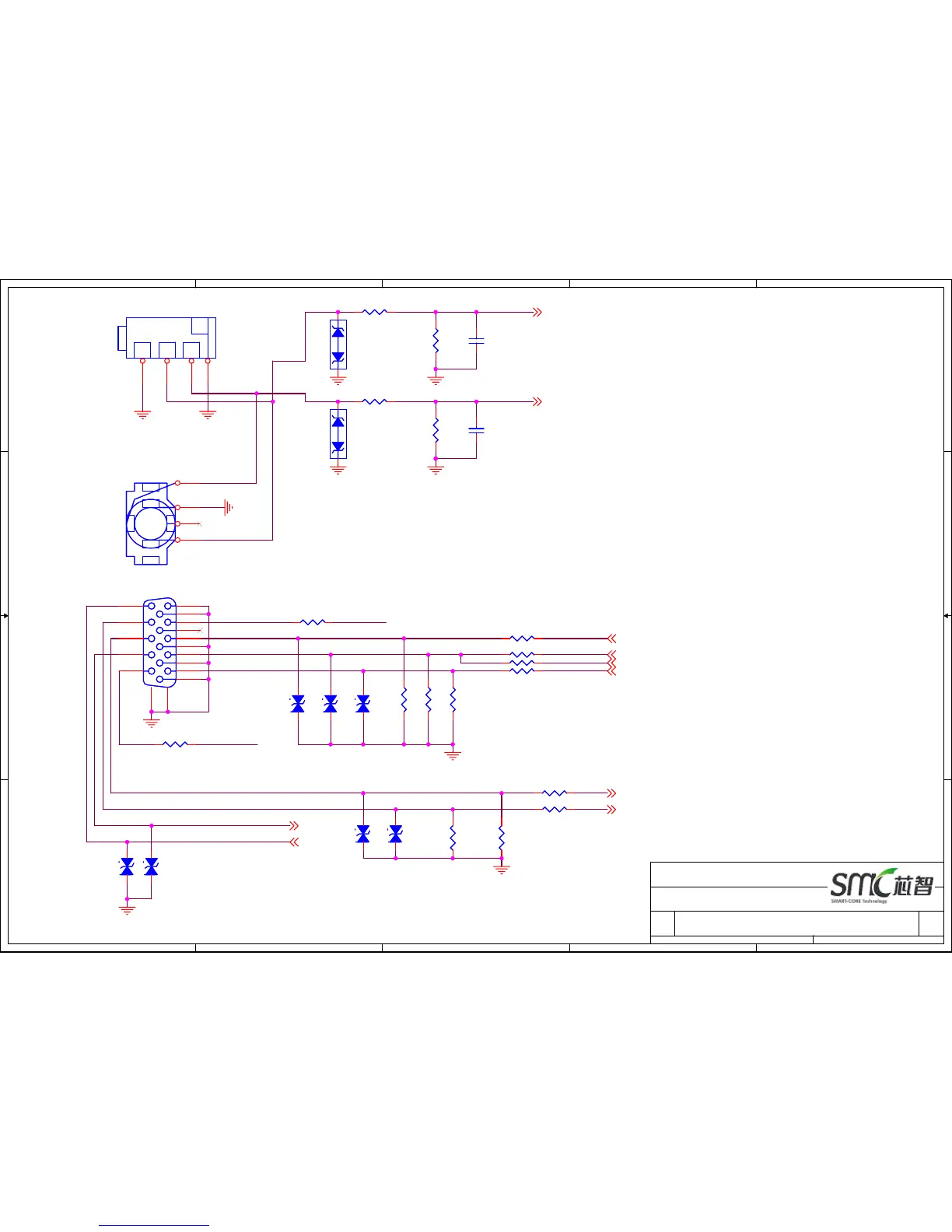
P5
PHONEJACK STEREO SW 180d
P5
PHONEJACK STEREO SW 180d
4
3
2
1
R154 10KR154 10K
R153
12K
R153
12K
D45
NC
D45
NC
1 2
R283 100R283 100
P7
PHONEJACK
P7
PHONEJACK
3
4
2
1
R150 NCR150 NC
R138
75
R138
75
R203 0R203 0
DD20
ESD-0402
DD20
ESD-0402
R149 NCR149 NC
R147
75
R147
75
R285
75
R285
75
D105
NC
D105
NC
1 2
P3
VGA
P3
VGA
5
10
4
9
3
8
2
7
1
15
14
13
12
11
6
16
17
R148 100R148 100
C68
200p
C68
200p
R155 10KR155 10K
DD19
ESD-0402
DD19
ESD-0402
C66
200p
C66
200p
R217
10K
R217
10K
R151 33R151 33
D42
NC
D42
NC
1 2
R97 33R97 33
R95 33R95 33
D41
NC
D41
NC
1 2
R229
10K
R229
10K
D104
NC
D104
NC
1 2
D95
NC
D95
NC
1 2
R156
12K
R156
12K
D44
NC
D44
NC
1 2

Related product manuals