EasyManua.ls Logo

Smithco 200G239 - Engine and Pumps

Default Icon
104 pages
Print Icon
To Next Page IconTo Next Page
To Next Page IconTo Next Page
To Previous Page IconTo Previous Page
To Previous Page IconTo Previous Page
Loading...
28
Parts
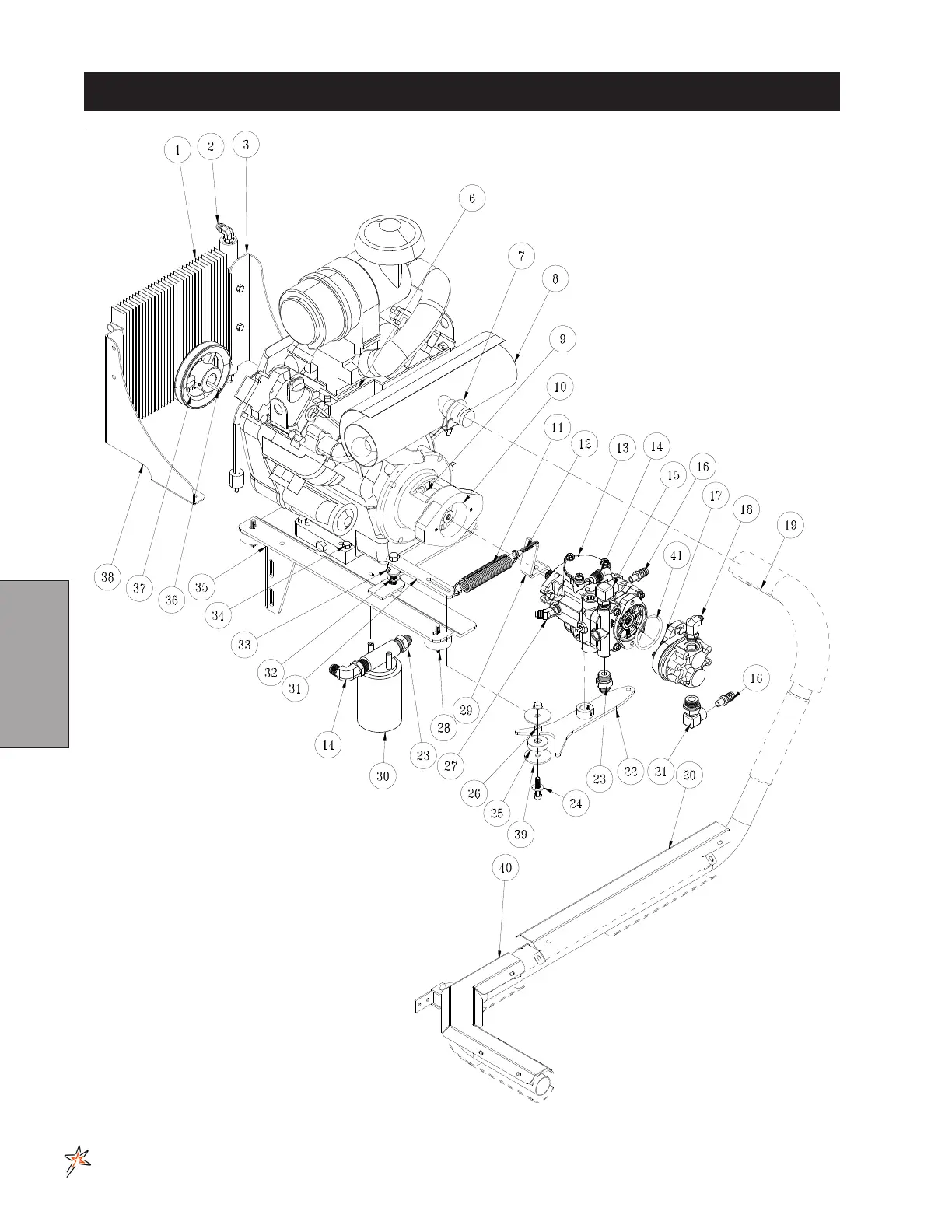
ENGINE AND PUMPS DRAWING

Related product manuals