EasyManua.ls Logo

Smithco 200G239 - Hydraulic Diagram

Default Icon
104 pages
Print Icon
To Next Page IconTo Next Page
To Next Page IconTo Next Page
To Previous Page IconTo Previous Page
To Previous Page IconTo Previous Page
Loading...
12
Diagrams
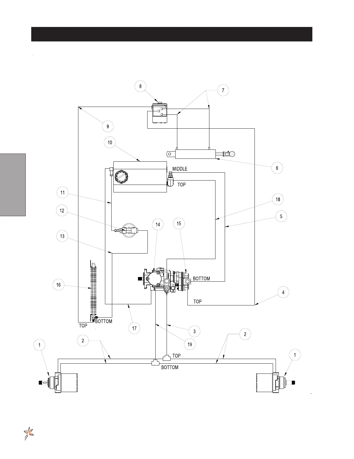
HYDRAULIC DIAGRAM

Related product manuals