EasyManua.ls Logo

Smithco 200G239 - Wiring Diagram

Default Icon
104 pages
Print Icon
To Next Page IconTo Next Page
To Next Page IconTo Next Page
To Previous Page IconTo Previous Page
To Previous Page IconTo Previous Page
Loading...
10
Service
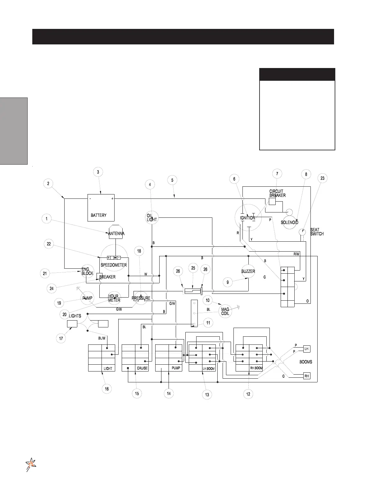
WIRING DIAGRAM
Use dielectric grease on all electrical connections.
To reset circuit breaker on ball valve, you must disconnect power to computer.
Color Code Chart
Bl Blue
Br Brown
Y Yellow
G Green
O Orange
R Red
B Black
P Purple
W White

Related product manuals