EasyManua.ls Logo

socomec MASTERYS BC+ 30kVA - Page 19

socomec MASTERYS BC+ 30kVA
60 pages
Print Icon
To Next Page IconTo Next Page
To Next Page IconTo Next Page
To Previous Page IconTo Previous Page
To Previous Page IconTo Previous Page
Loading...
19EN
MASTERYS BC+ 10-40 kVA - Ref.: IOMMASBCXX0G-EN 00
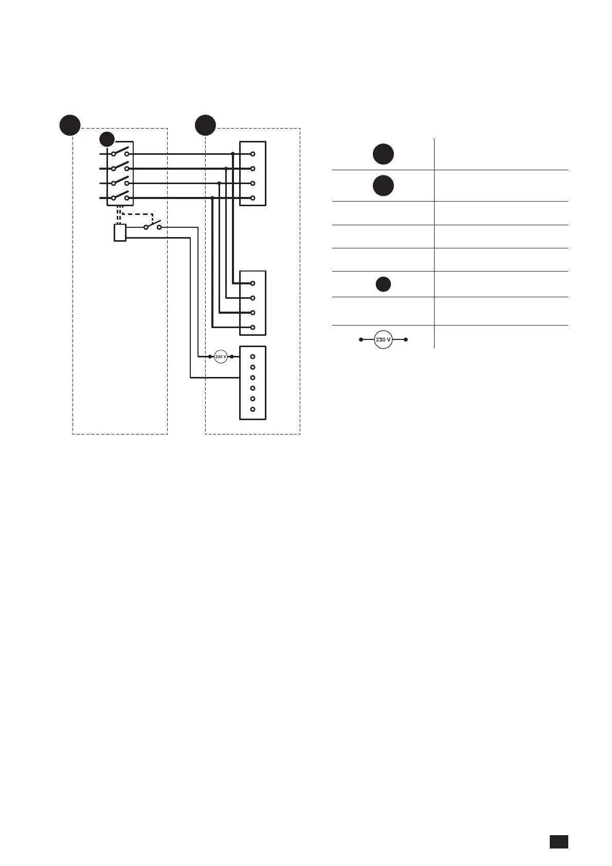
Common input mains
Activating UPS protection on the mimic panel: access the MAIN MENU > SERVICE > UPS SETTINGS > INPUT TYPE
> MAINS / AUXILIARY and set the parameter to COMMON MAINS.
3/3 MODELS
COM2
L1
X10
X40
L2
L3
N
L1
L2
L3
N
L1
L2
L3
N
NC2
NO2
NO1
COM1
NC1
B
1
3
2
KEY
1
Distribution panel
2
UPS
B Trip coil
X10 Mains terminal board
X40 Aux Mains terminal board
3
Mains switch
COM2 - NO2
Common mains BKF
connector
UPS output voltage

Table of Contents

Related product manuals