EasyManua.ls Logo

SOMFY ILT - Page 14

SOMFY ILT
15 pages
Print Icon
To Next Page IconTo Next Page
To Next Page IconTo Next Page
To Previous Page IconTo Previous Page
To Previous Page IconTo Previous Page
Loading...
Motorisation of Window Coverings
using Somfy Motors
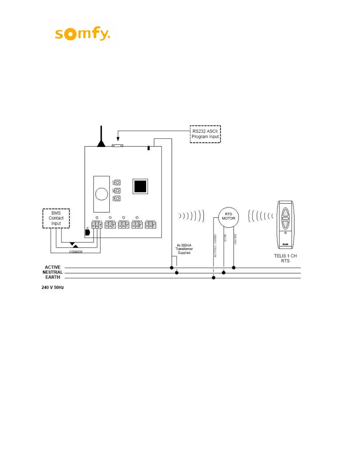
Option 2 (cont)
Busline Transmitter (Five channel)

Related product manuals