EasyManua.ls Logo

Sony BDP-S301 - Block Diagrams; Main Diagram

Sony BDP-S301
88 pages
Print Icon
To Next Page IconTo Next Page
To Next Page IconTo Next Page
To Previous Page IconTo Previous Page
To Previous Page IconTo Previous Page
Loading...
BDP-S300/S301
SECTION 3
BLOCK DIAGRAMS
3-1 3-2
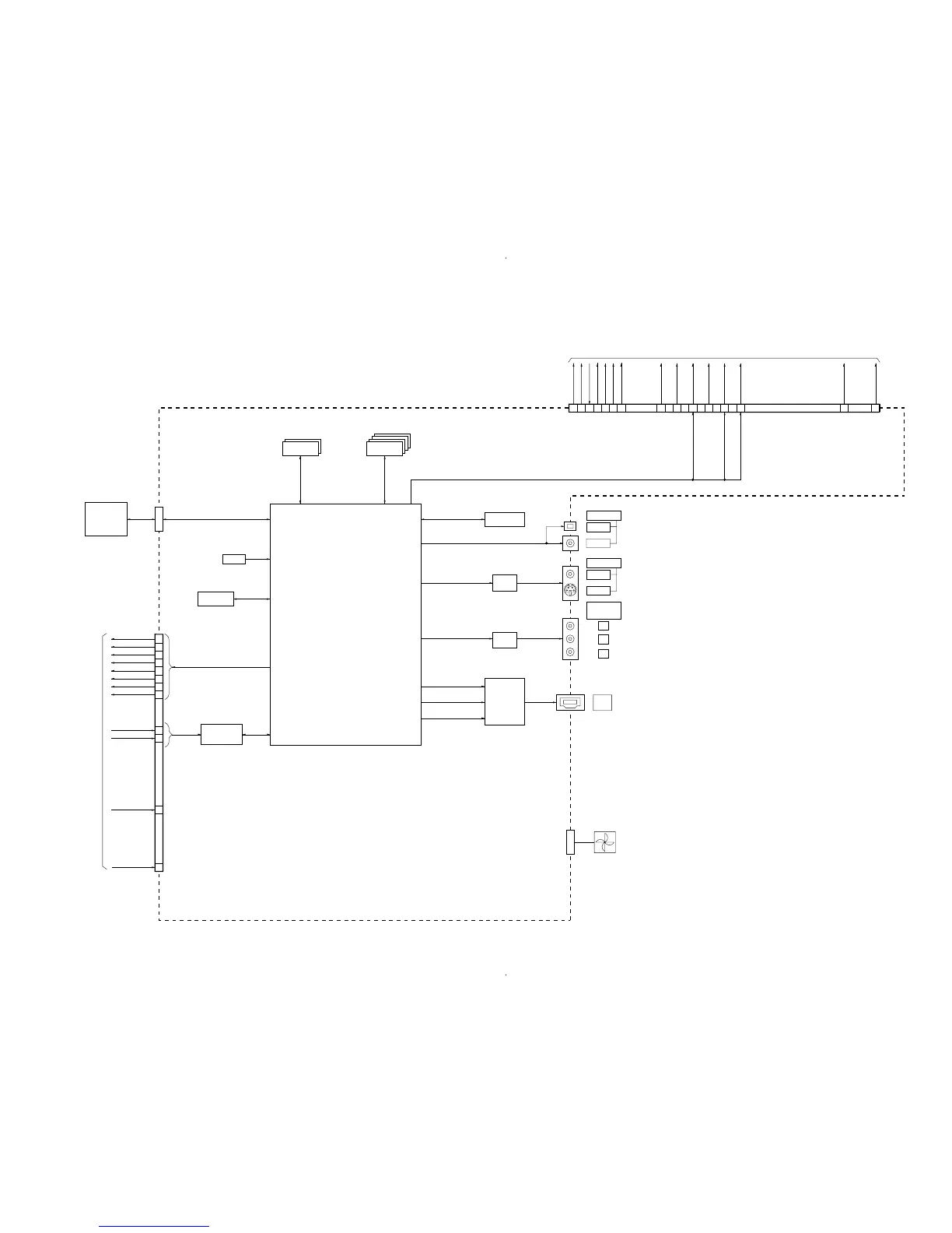
3-1. MAIN BLOCK DIAGRAM
MAIN BOARD
(DB-BMB102)
LED_PON
ATAPI
CN3501
CN1802
FLDATA
FLCLK
7
27
29
FLSTB
LED_FL_OFF
LED_HDMI
26
21
20
LED_HD
LED_Blue
19
5
KEY0
KEY I2C
FIP/LED
3
KEY1
23
MODEL 1
4
IR
1
FL/FR
(SEE PAGE 3-5)
BD-ROM
DRIVE
(BDV-102SO)
27MHz
1K EEPROM
DDR 512Mbit
128MByte
256MByte
DRAM1
DDR 512Mbit
Flash 512Mbit
HDMI Tx
I2C
DRAM0
Sub
Microcomputer
VIDEO
DRIVER
VIDEO
BUFFER
Parallel
I2S
SPDIF1
CVBS/Y/C
SPIDF0
Y/Cb/Cr
I2S
VOUT 24bit
HDMI
OUT
S VIDEO
Y
P
B
P
R
VIDEO
VIDEO OUT
COMPONENT
VIDEO OUT
COAXIAL
OPTICAL
DIGITAL OUT
DAC_XCS_2
DAC_XRST
DAC_MDO
24
23
16
DAC_MDI
DAC_MC
DAC_XCS_1
15
14
13
DAC_MUT
12
MCLK
18
ADATA5_0
21
ALRCK
22
ADATA5_2
26
ADATA5_1
27
XMMUTE
XAMUTE
1
ABCLK
20
2
AUDIO
(SEE PAGE 3-3)
05
BD PLAYER
PROCESSOR
CN5701
FAN
CN6701

Related product manuals