EasyManua.ls Logo

Sony BDP-S301 - Power 2 Block Diagram

Sony BDP-S301
88 pages
Print Icon
To Next Page IconTo Next Page
To Next Page IconTo Next Page
To Previous Page IconTo Previous Page
To Previous Page IconTo Previous Page
Loading...
BDP-S300/S301
3-9 3-10
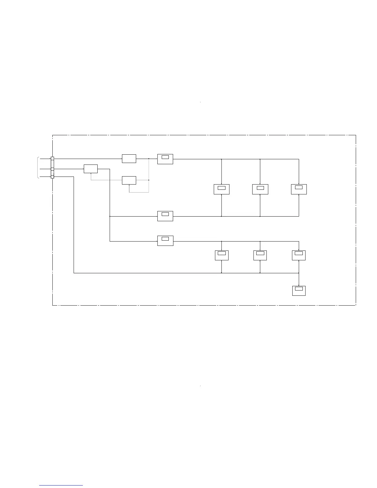
3-5. POWER 2 BLOCK DIAGRAM
CN001
05
10
6
4
V+3D
V-12A
V+12A
AU-258 BOARD
(SEE PAGE 4-5)
AUDIO
DAC
IC008
AUDIO
DAC
IC007
AUDIO
DAC
IC006
AMP
AMP
IC011
IC009
AMP
IC010
+5V
REG.
IC003
+9V
REG.
IC002
-9V
REG.
IC001
IC004
GATE
POWER 1
(SEE PAGE 3-8)
Q002
B- SWITCH
Q004
B+ SWITCH
Q005
SWITCH

Related product manuals