EasyManua.ls Logo

Sony CDP-CX355 - Schematic Diagram - JOG Section

Sony CDP-CX355
72 pages
Print Icon
To Next Page IconTo Next Page
To Next Page IconTo Next Page
To Previous Page IconTo Previous Page
To Previous Page IconTo Previous Page
Loading...
4343
CDP-CX355
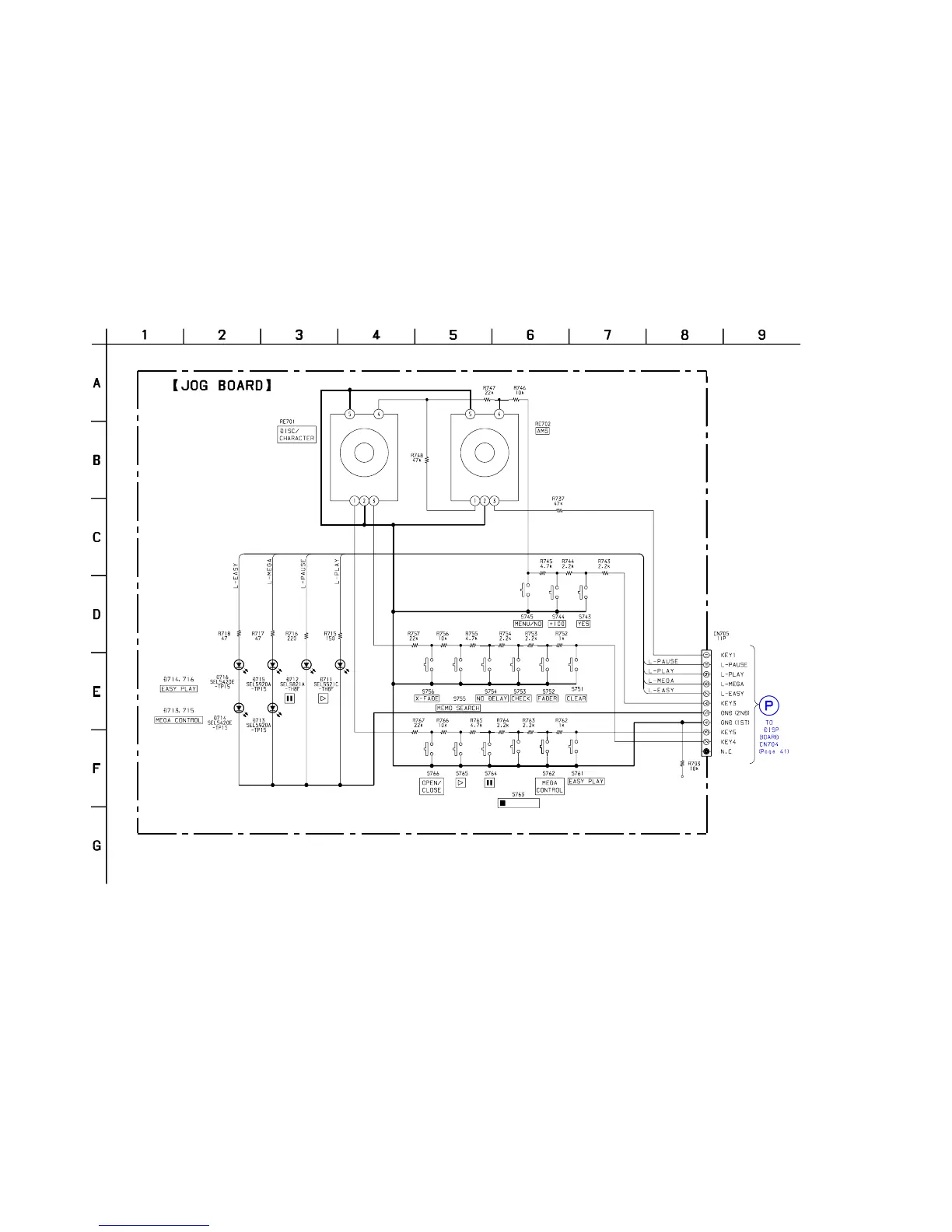
7-14. Schematic Diagram JOG Section
/DISC EJECT

Table of Contents

Other manuals for Sony CDP-CX355

Related product manuals