EasyManua.ls Logo

Sony CDX-3167 - Page 23

Sony CDX-3167
39 pages
Print Icon
To Next Page IconTo Next Page
To Next Page IconTo Next Page
To Previous Page IconTo Previous Page
To Previous Page IconTo Previous Page
Loading...
– 39 –
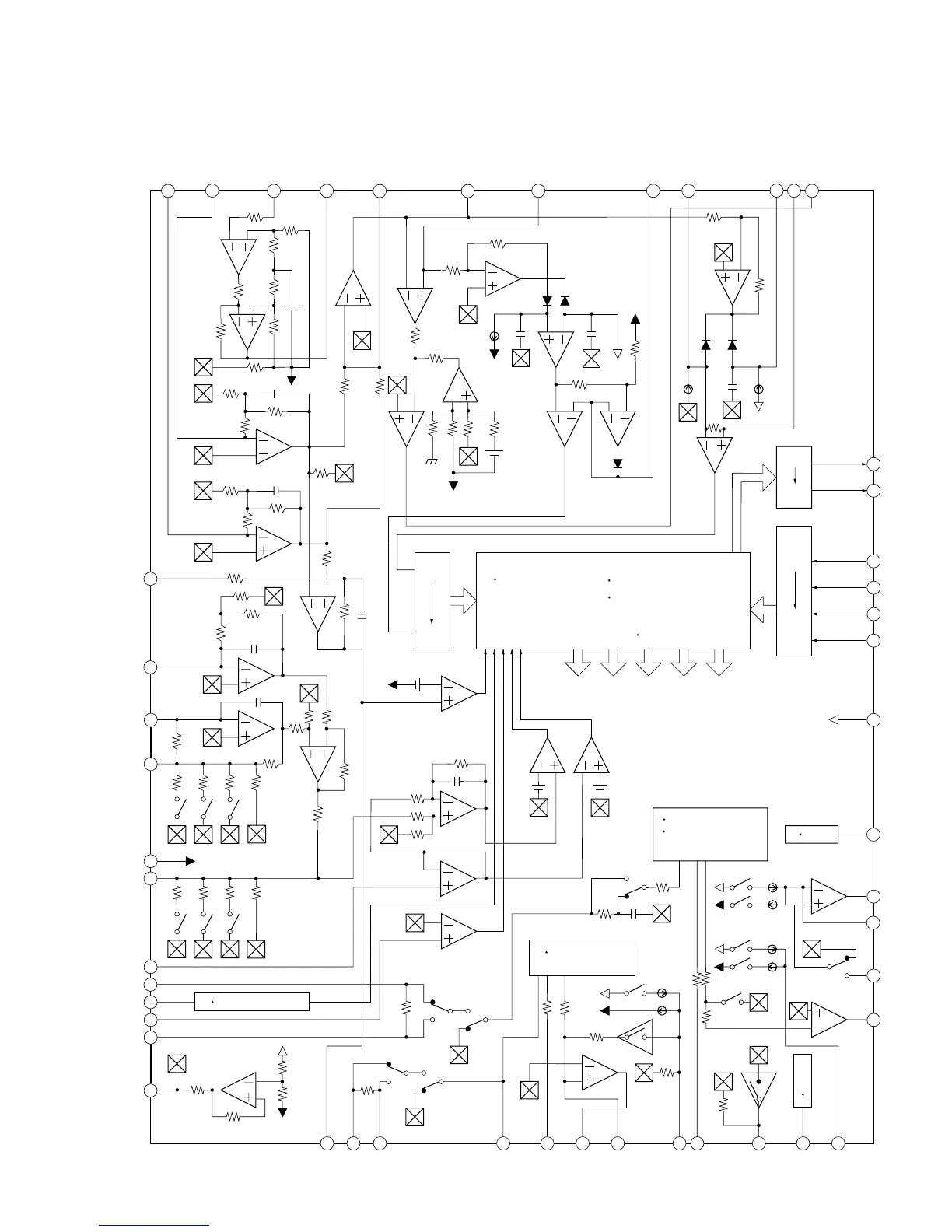
IC2 CXA1782BQ
36 35 34
33
32
31
30 29 28 27 26 25
24
23
22
21
20
19
18
17
16
15
14
13
12
11
10
987
6
5
43
2
1
37
38
39
40
41
42
43
44
45
46
47
48
PHD 2
PHD 1
PHD
LD
RF O
RF I
CP
CB
CC1
CC2
FOK
SENS
C.OUT
XRST
DATA
XLT
CLK
VCC
ISET
SL O
SL M
SL P
TA O
TA M
FSET
TG2
TGU
SRCH
FE O
FLB
FGD
FDFCT
FE M
FEI
FEO
FE BIAS
F
E
EI
VEE
TED
LPFI
TEI
ATSC
TZC
TDFCT
VC
APC
LEVEL S
FOK
MIRR
RF IV AMP1
RF IV AMP2
FE AMP
TTL
IIL
FZC COMP
DFCT
IIL
TTL
IIL DATA REGISTER
INPUT SHIFT REGISTER
ADDRESS DECODER
OUTPUT DECODER
TTL
IIL
TOG1-3
BAL1-3
FS1-4 TG1-2 TM1-7 PS1-4
F IV AMP
E IV AMP
BAL1
BAL2
BAL 3
TE AMP
TZC COMP
DFCT
TM1
DFCT
FS4
ATSC
WINDOW COMP
TOG1
TOG2
TOG3
FCS PHASE
COMPENSATION
FS1
F SET
TG2
TM7
TM3
TM4
TM5
TM6
ISET
TRACKING
PHASE
COMPENSATION
HPF COMP
LPF COMP
TG1
FS2
TM2
RF M

Related product manuals