EasyManua.ls Logo

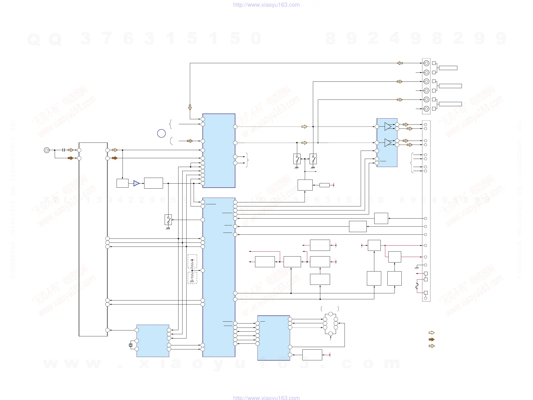
Sony CDX-CA600 - Block Diagram -Tuner Section

Sony CDX-CA600
42 pages
Print Icon
To Next Page IconTo Next Page
To Next Page IconTo Next Page
To Previous Page IconTo Previous Page
To Previous Page IconTo Previous Page
Loading...
1616
CDX-CA600/CA600X
PJ601
(ANTENNA)
2 10
1
ANTFM MPX
CDL
8
AM DET
14
S-METER
12
I2C SDA
13
I2C SCL
17
E2PROM SDA
18
9
E2PROM SCL
RDS DET
ANTAM
TUNER UNIT
TU601
2
45
47
70
14
15
20
21
18
11
13
1
3
30
SYSTEM CONTROL
IC801 (2/3)
ELECTRONIC VOLUME
IC402
AUX L
OUT LF
29
OUT LR
28
OUT RF
27
OUT RR
35
BEEP
ATT
67
69
AMP ON
66
AMP ATT
40
TEL ATT
38
ACC IN
CD L
MPX
R-CH
AM
LEVEL
MPIN
SDA
SCL
MUTE
17
QUAL
VOL ATT
7
QUALITY
90
MS MASK
VSM
I2C SIO
I2C CKO
FUNCSEL
EE SIO
EE CKO
MPTH
DAVN
AUDIO OUT REAR
CD
SECTION
A
LINE MUTE
SWITCH
Q904,905
Q402
MUTE
R-CH
Q401
MUTE
22
MUTE
4
STBY
16
AUX
11
12
5
3
9
7
POWER AMP
IC401
1
-1
-2
-5
-6
-3
-4
9
2
10
CNP901
R-CH
PJ401
FL+
FL-
RL+
RL-
4
12
FR+
FR-
3
11
RR+
RR-
16
+B (BATT)
13
ATT
5
AMP R
6
8
19
ANT R
GND
R-CH
BATT
F901
10A
TEL
ATT
Q901
TUNER +5V
REG
Q911,D918,919
NOISE
SUPPRESSOR
D601
BUFFER
Q601
TUNER ON
SWITCH
Q909,910
+8V REG
Q906,D917
POWER ON
CONTROL
Q907,908
AMP B+
CONTROL
SWITCH
Q921
AMP B+
SWITCH
Q920
AMP B+
CONTROL
SWITCH
Q917
AMP B+
SWITCH
Q922
7
ACC
15
TEST
49
50
TUN ON
37
TEST IN
ACC
DETECT
Q902, D914
PW ON
24
SYSRST
25
BUSON
43
BUSSI
44
BUSCKO
42
BUSSO
28
BU IN
9
87
86
BATT
BATT DET
Q801,D801,802
BATT
+5V REG
Q93,D916
BATT+5V
+8V
TUNER
+8V
TUNER
+5V
BATT
17
18
L
R
AUDIO OUT FRONT
R-CH
L
R
BUS AUDIO IN
R-CH
L
R
Signal path
:FM
:MW/LW
:CD
R-ch is omitted due to same as L-ch.
CDRR-CH
2
CD R
16
MPX
4
OSCD
5
OSCI
LVIN
SDA
SCL
20
9
10
MPTH
2
DAVN
8
RDS DECODER
IC601
BUS INTERFACE
IC803
8
27
13
RST
12
BUSON
8
DATA OUT
11
CLK IN
9
DATA IN
10
B/U-C
6
DATA I/O
4
CLK
2
RST
3
BATT
8
7
5
6
4
2
3
1
BATT
CNJ801
BUS
CONTROL IN
CA600X
CA600
BU+5V
NOISE AMP
IC602
MS MASK
SWITCH
Q602
X601
4.332MHz
DELAY BATT
D921,922
1
BUSON
3-3. BLOCK DIAGRAM — TUNER SECTION —
(Page 15)
w
w
w
.
x
i
a
o
y
u
1
6
3
.
c
o
m
Q
Q
3
7
6
3
1
5
1
5
0
9
9
2
8
9
4
2
9
8
T
E
L
1
3
9
4
2
2
9
6
5
1
3
9
9
2
8
9
4
2
9
8
0
5
1
5
1
3
6
7
3
Q
Q
TEL 13942296513 QQ 376315150 892498299
TEL 13942296513 QQ 376315150 892498299
http://www.xiaoyu163.com
http://www.xiaoyu163.com

Related product manuals