EasyManua.ls Logo

Sony CDX-CA600 - Schematic Diagram -Display Section

Sony CDX-CA600
42 pages
Print Icon
To Next Page IconTo Next Page
To Next Page IconTo Next Page
To Previous Page IconTo Previous Page
To Previous Page IconTo Previous Page
Loading...
25 25
CDX-CA600/CA600X
JR504
C502
IC501
JR501
JR502
JR503
JR508
JR510
JR513
JR515
R501 R502 R503 R504 R505 R506 R507 R508 R509 R510
R511 R512 R513 R514 R515
R516 R517
R518 R519 R520 R521
R553
R555
R556
R557
R558
R559
R560
S501 S502 S503 S504
S505
S506
S507 S508 S509 S510
S511 S512
S513
S514 S515 S516 S517 S518 S519 S520 S521
R565
R566
R568
R567
R570
R569
R572
R571
R574
R573
R576
R575
R577
R578
R579
R580
LED549
LED550
CNP551
JR516
JR514
R554
C501
C503
IC552
CNP552
JR505
JR509
D501
R564
R563
R562
R561
R552
R525
R524
R523
R522
JR512
D561
D562
D563
D564
D565
D566
R584
R583
D567
D568
D569
R586
R585
D570
D571
D572
R588
R587
D573
D574
D575
R590
R589
D576
D577
D578
R592
R591
D579
D580
D581
R594
R593
D582
D583
R596
R595
D584
JR518
D585
R598
R597
D586
D587
D588
D589
R599
R582
R581
JR517
JR520
JR507JR506
JR511 JR519
D506
LCD501
D502
D503
D531
D532
D533
D536
R551
D545
D544
D543
D548
D547
D546
D551
D550
D549
D554
D557
Q503
Q502
D504
D505
R526
Q501
D534
D535
D537
D538
D539
D540
D541
D542
D552
D553
D555
D556
D558
D559
R550
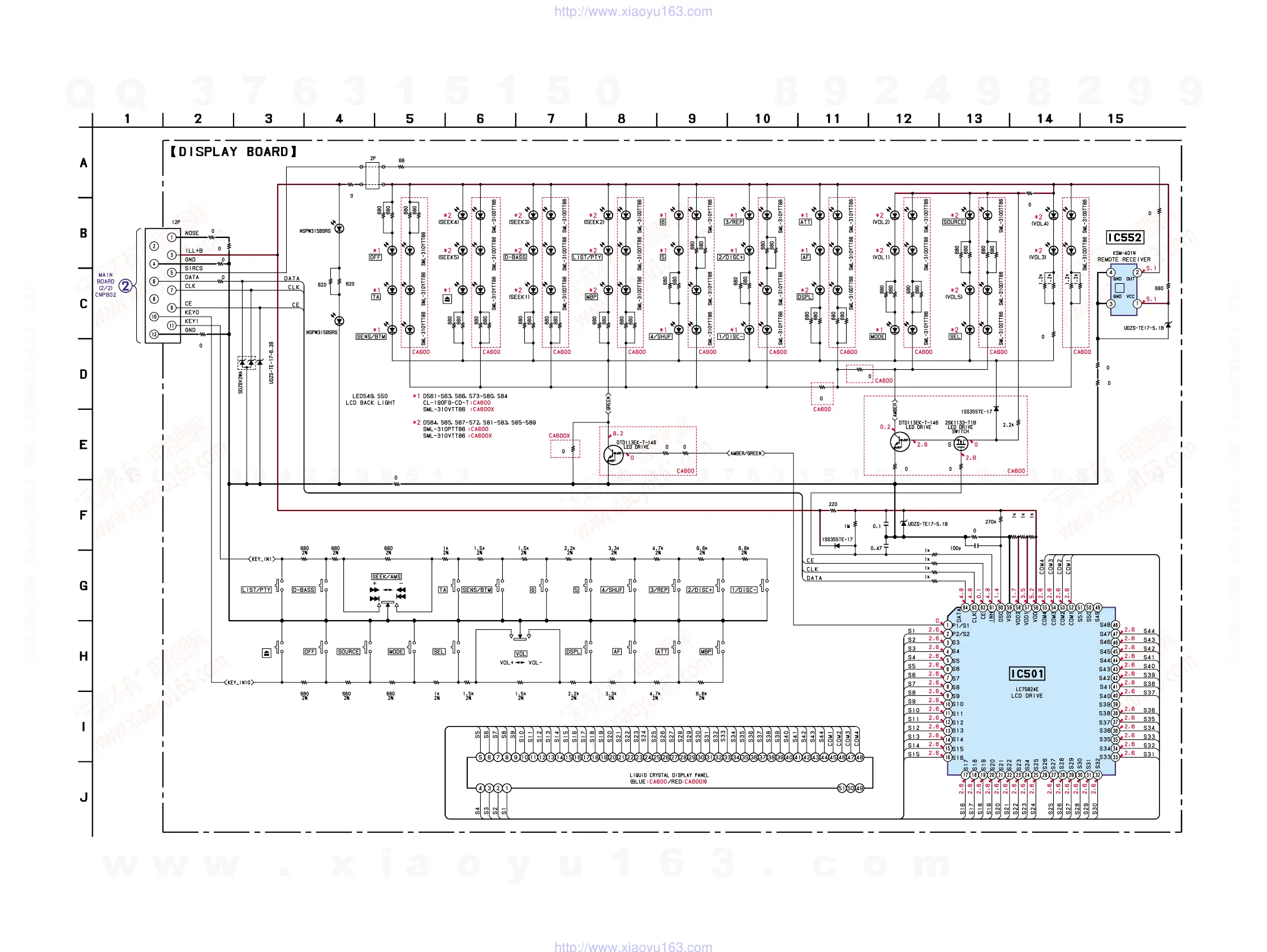
3-12. SCHEMATIC DIAGRAM DISPLAY SECTION
Note:
Voltage is dc with respect to ground under no-signal
(detuned) condition.
no mark : FM
(Page 23)
w
w
w
.
x
i
a
o
y
u
1
6
3
.
c
o
m
Q
Q
3
7
6
3
1
5
1
5
0
9
9
2
8
9
4
2
9
8
T
E
L
1
3
9
4
2
2
9
6
5
1
3
9
9
2
8
9
4
2
9
8
0
5
1
5
1
3
6
7
3
Q
Q
TEL 13942296513 QQ 376315150 892498299
TEL 13942296513 QQ 376315150 892498299
http://www.xiaoyu163.com
http://www.xiaoyu163.com

Related product manuals