EasyManua.ls Logo

Sony CDX-CA600 - Block Diagram -CD Section

Sony CDX-CA600
42 pages
Print Icon
To Next Page IconTo Next Page
To Next Page IconTo Next Page
To Previous Page IconTo Previous Page
To Previous Page IconTo Previous Page
Loading...
15 15
CDX-CA600/CA600X
84
85
82
83
16
12
D/A
CONV
TRACKING
ERROR
FORCUS
ERROR
9
1
OSC
EFM
DEMOD
SERVO
CTL
RF
EQ
52
56
54
55
DSUB CODE
PROCESS
8
7
6
5
4
3
2
56
59
30
60
57
68
79
21
22
23
55
54
53
52
I/F
87
86
97
98
LD
DRIVE
Q1
FOCUS
COIL
DRIVE
TRACKING
COIL
DRIVE
SLED
MOTOR
DRIVE
SPINDLE
MOTOR
DRIVE
LOADING
MOTOR
DRIVE
6
5
23
2
15
16
17
18
13
14
11
12
9
10
26
62 63 64 65
63
62
33
CDMD ON
SWITCH
Q913,914
CD ON
SWITCH
Q915
CD+5V
REG
Q916,D927
CD DRIVE+6V
REG
Q912,D926
M902
(SLED)
M901
(SPINDLE)
M903
(LOADING)
SW3
(DISC IN)
SW2
(SELF)
SW4
(LIMIT)
SW1
(DOWN)
X1
16.9344MHz
OPTICAL PICK-UP
KSS-720A
I-V
CONV.
CDL
STB
AO
CD_TSO
31
CD_PACK
51
TSTB
CD TSI
CD TCKO
CD_RST
RFOK
XEN
D SW
INSW/PH2
CD_SELFSW
LIMIT
CD_LM _LO
CD_LM_ EJ
CDMD ON
XCD ON
R-CH
TUNER
SECTION
A
23 24
M
M
M
2
RESET
S801
(RESET)
1
IC802
BU+5V
BATT
D925
LOUT
ROUT
PACK
TSTB
TSI
TSCK
SI
RFOK
SO
SCK
STB
AO
XTALEN
RST
RESET
A
C
B
D
E
F
PD
LD
B
D
A
C
E
F
PD
A+5V
LD
APC
FCS-
FCS+
TRK+
TRK-
SL-
SL+
SP+
SP-
LD-
LD+
FOCUS
COIL
TRACKING
COIL
FD
TD
SD
MD
LOAD
EJECT
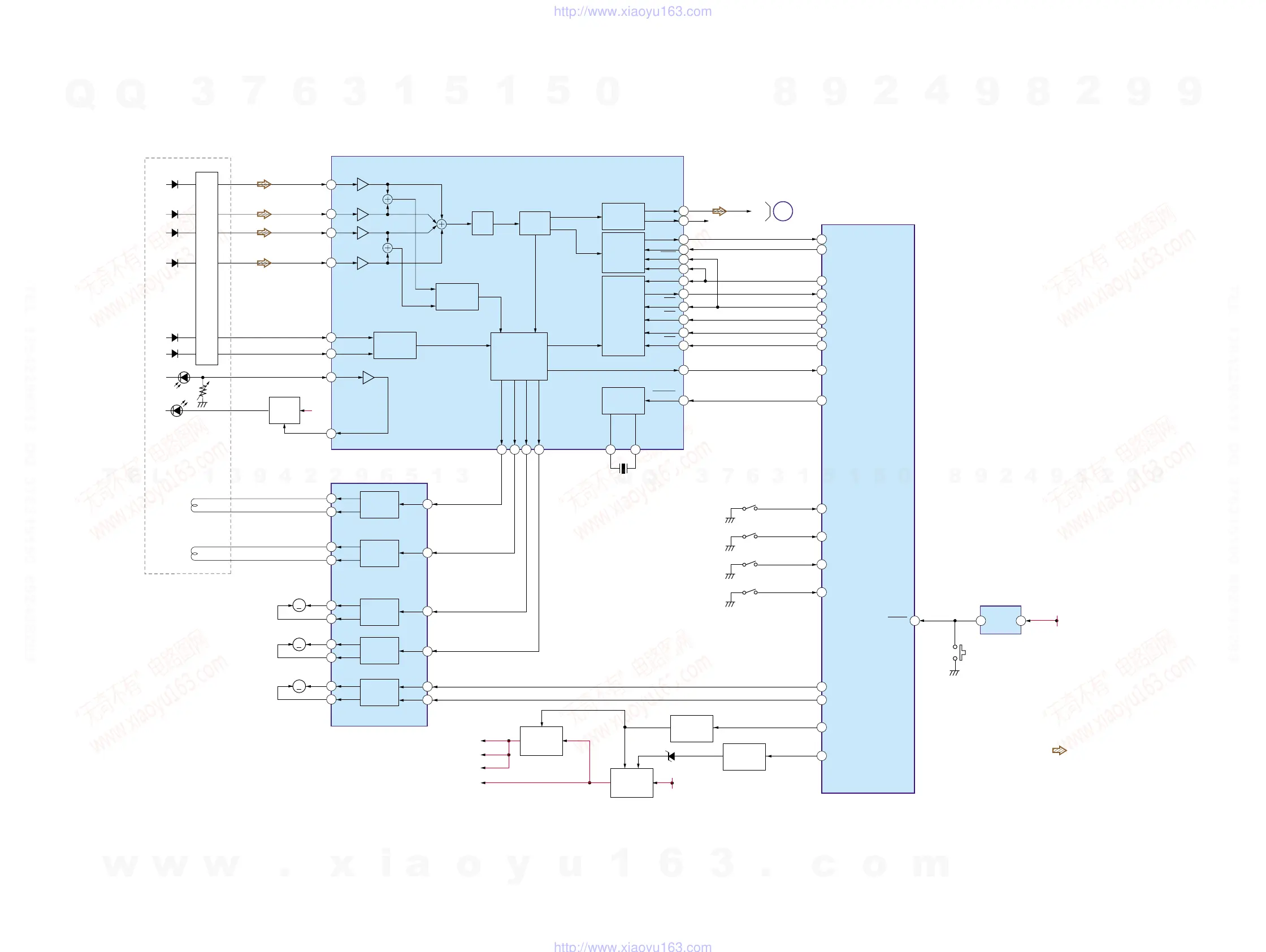
SYSTEM CONTROL
IC801(1/3)
RF AMP,DIGITAL SERVO
DIGITAL SIGNAL PROCESSOR
IC1
FOCUS/TRACKING COIL DRIVE,
SLED/SPINDLE/LOADING MOTOR DRIVE
IC2
FD
TD
SD
MD
• Signal path
:CD
• R-ch is omitted due to
same as L-ch.
A+5V
AU+5V
D+5V
DR+6V
3-2. BLOCK DIAGRAM — CD SECTION —
(Page 16)
w
w
w
.
x
i
a
o
y
u
1
6
3
.
c
o
m
Q
Q
3
7
6
3
1
5
1
5
0
9
9
2
8
9
4
2
9
8
T
E
L
1
3
9
4
2
2
9
6
5
1
3
9
9
2
8
9
4
2
9
8
0
5
1
5
1
3
6
7
3
Q
Q
TEL 13942296513 QQ 376315150 892498299
TEL 13942296513 QQ 376315150 892498299
http://www.xiaoyu163.com
http://www.xiaoyu163.com

Related product manuals