EasyManua.ls Logo

Sony CDX-L410 - Block Diagrams; CD Section Signal Flow

Sony CDX-L410
52 pages
Print Icon
To Next Page IconTo Next Page
To Next Page IconTo Next Page
To Previous Page IconTo Previous Page
To Previous Page IconTo Previous Page
Loading...
15 15
CDX-L410
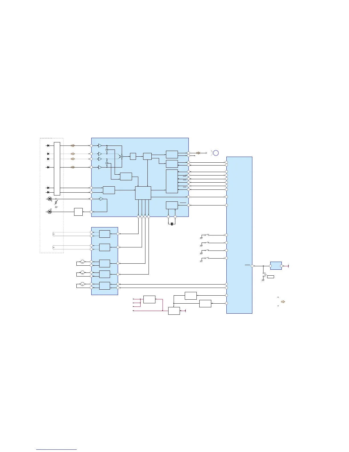
3-3. BLOCK DIAGRAM — CD SECTION —
(Page 16)
82
83
84
85
16
12
D/A
CONV
TRACKING
ERROR
FORCUS
ERROR
9
1
OSC
EFM
DEMOD
SERVO
CTL
RF
EQ
52
56
DSUB CODE
PROCESS
8
7
6
5
4
3
2
56
60
30
57
59
68
79
31
51
21
22
23
55
54
53
52
I/F
87
86
97
98
LD
DRIVE
Q1
FOCUS
COIL
DRIVE
TRACKING
COIL
DRIVE
SLED
MOTOR
DRIVE
SPINDLE
MOTOR
DRIVE
LOADING
MOTOR
DRIVE
6
5
23
2
15
16
17
18
13
14
11
12
9
10
26
62 63 64 65
63
62
33
POWER
CONTROL
Q332
POWER
CONTROL
Q333
REG
Q331
REG
Q341
M902
(SLED)
M901
(SPINDLE)
M903
(LOADING)
SW3
(LIMIT)
SW2
(SELF)
SW4
(DOWN)
SW1
(DISC IN)
X1
16.9344MHz
OPTICAL PICK-UP
(KSS-720A)
I-V
CONV.
CDL
CD PACK
TSTB
STB
AO
CD TSO
CD TSI
CD TCKO
CD RST
RFOK
XEN
IN SW
LIMIT
CD SELF SW
D SW
CD LM LO
CD LM EJ
CDMD ON
XCD ON
R-CH
TUNER
SECTION
A
23 24
M
M
M
IC602
BU 5V
BATT
LOUT
ROUT
PACK
TSTB
SI
RFOK
SO
SCK
STB
AO
XTALEN
RST
RESET
A
C
B
D
E
F
PD
LD
A
C
B
D
E
F
PD
LD
LD AMP
FOCUS
COIL
TRACKING
COIL
FD
FSC
+
FSC
-
TRK
+
TRK
-
SL-
SL+
SP-
SP+
LD-
LD+
TD
SD
MD
LOAD
EJECT
SYSTEM CONTROL
IC501 (1/3)
RF AMP,DIGITAL SERVO,
DIGITAL SIGNAL PROCESSOR
IC1
FOCUS/TRACKING COIL DRIVE,
SLED/SPINDLE/LOADING MOTOR DRIVE
IC2
FD
TD
SD
MD
Signal path
: CD
R-ch is omitted due to same as L-ch.
A5V
AU5V
D5V
DR6V
+-
+-
+-
1
S702
RESET
RESET
3