EasyManua.ls Logo

Sony CFD-50 - Page 12

Sony CFD-50
29 pages
Print Icon
To Next Page IconTo Next Page
To Next Page IconTo Next Page
To Previous Page IconTo Previous Page
To Previous Page IconTo Previous Page
Loading...
SECTION
6
DIAGRAMS
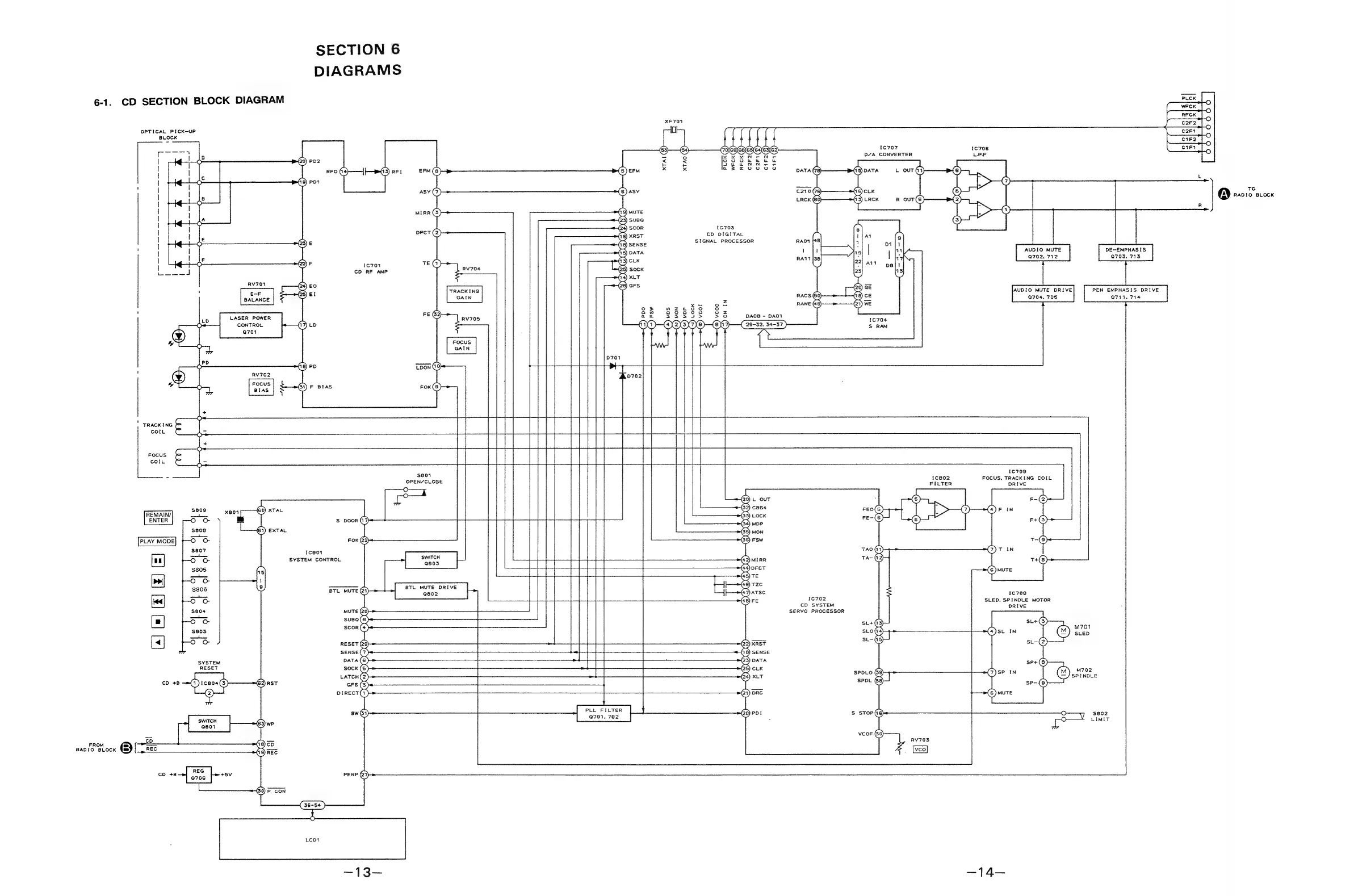
6-1.
CD
SECTION
BLOCK
DIAGRAM
XF701
C2F2
OPTICAL PICK-UP
O
Seess
aa
BLOCK
{C707
1c706
cco
5
CHES)
D/A
CONVERTER
LPF
i
wu
No
oOo
i
|
TO
@
RADIO
BLOCK
v
r
Q
x
x
r
1c703
CO
OIGITAL
SIGNAL
PROCESSOR
Lt
u
|
y
AUDIO
MUTE
DE~EMPHASIS
:
.
Q702.
712
Q703.
713
O
:
Le
ee
ee
|
I
|
|
i
i
|
{
I
I
|
l
|
I
|
I
RV7O4
ar
AUDIO
MUTE
DRIVE
PEN
EMPHASIS
DRIVE
BALANCE
Q@704,
705
Q741.
714
DAOS
-
DADA
(
28-32,
34-37)
34-37
LASER POWER
CONTROL
LD
O
@
O
a
x
~
$601
OPEN/CLOSE
O
©
ssogs
REMAIN/
nara
BEr
-
Re
nee
al
PLAY
MODE
oO
+
O
aig
a
es
ee
ee
colt
'.
Se
eae
eee
eae
i
ee
{c708
1c802
FOCUS,
TRACKING
COIL
FILTER
ORIVE
|
88
FS
9
9
z
ees
oe
i
aie
poet
pa
cS
tcso1
O-
SYSTEM
CONTROL
1+(6)
sabe
@
(6)
MUTE
$806
1c708
paras
Sane
3.
10702
SLED.
SPINDLE
MOTOR
CD
SYSTEM
DRIVE
SERVO
PROCESSOR
Ane
of
SYSTEM
RESET
@
ore
©
SWITCH
pa
ae
to
ae
REC
ee
(18)
REC
REG
+
+
CO
+8
e706
SV
()
M702
SPINDLE
O
v
S802
©
LIMIT
FROM
RADIO
BLOCK
G0)
P
CON
LCD1
eal
FS
ae
—14—

Related product manuals