EasyManua.ls Logo

Sony CFD-C1000 - Page 19

Sony CFD-C1000
20 pages
Print Icon
To Next Page IconTo Next Page
To Next Page IconTo Next Page
To Previous Page IconTo Previous Page
To Previous Page IconTo Previous Page
Loading...
– 46 –
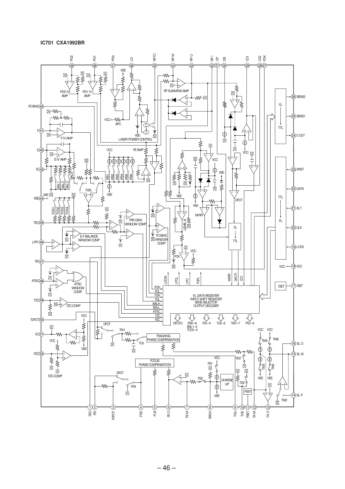
IC701 CXA1992BR
CHARGE
UP
FSET
TRACKING
PHASE COMPENSATION
FOCUS
PHASE COMPENSATION
40
FE BIAS
41
F
42
E
43
EI
44
VEE
45
TEO
46
LPF1
47
TEI
48
ATSC
49
TZC
50
TDFCT
51
VC
52
FZC
26
SENS2
25
SENS1
24
C OUT
23
XRST
22
DATA
21
XLT
20
CLK
19
LOCK
VCC
17
ISET
16
SL O
SL M
SL P
39
PD2
PD1
38 37
PD0
36
LD
35
RFTC
34
RF M
33
RF O
32
RF I
31
CP
30
CB
29
CC1
28
CC2
27
FOK
1
FEO
FEI
FDFCT
FGD
FLB
FE O
7
FE M
8
SRCH
9
TGU
10
TG2
11
FSET
12
TA M
13
TA O
TM2
TM6
TM4
TM7
TM5
TM3
VEEVEE
TG2
VCC
FS1
FS2
FS4
TG1
TM1
DFCT
DFCT
VEE
VCC
ISET
VCC
VCC
FZC COMP
VCC
VCC
VEE
TZC COMP
ATSC
WINDOW
COMP
E-F BALANCE
WINDOW COMP
TOG1
BAL1
BAL2
BAL3
BAL4
IFB1
IFB2
IFB3
IFB4
IFB5
IFB6
TOG2
TOG3
TOG4
E IV AMP
F IV AMP
PD2 IV
AMP
PD1 IV
AMP
VCC
APC
VCC
VEE
TGFL
VEE
VEE
VEE
LASER POWER CONTROL
FE AMP
RF SUMMING AMP
FO BIAS
WINDOW
COMP
FOK
TRK GAIN
WINDOW COMP
VCC
DFCT
VCC
VCC
VEE
VEE
MIRR
VEE
IIL
IIL
TTL
IIL
TTL
TTL
CC1
DFCT1
MIRR
LDON
LPCL
LPC
TGFL
FOH
FOL
TGH
TGL
BALH
BALL
ATSC
TZC
FZC
IIL DATA REGISTER
INPUT SHIFT REGISTER
SENS SELECTOR
OUTPUT DECODER
DFCTO IFB1–6
BAL1–4
TOG1–4
FS1–4 TG1–2 TM1–7 PS1–4
4 5 632
14
15
18
LEVEL 9
All manuals and user guides at all-guides.com

Related product manuals