EasyManua.ls Logo

Sony CFD-C1000 - 5-4. Block Diagram - Main Section

Sony CFD-C1000
20 pages
Print Icon
To Next Page IconTo Next Page
To Next Page IconTo Next Page
To Previous Page IconTo Previous Page
To Previous Page IconTo Previous Page
Loading...
– 19 – – 20 –
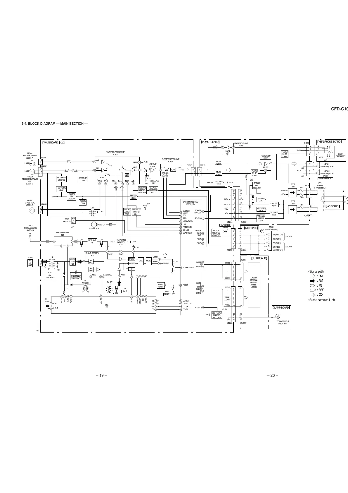
5-4. BLOCK DIAGRAM — MAIN SECTION —
CFD-C1000
32
14
15
1
30
L301
5
3
4
CN502
CN303
CN301
HP301
PLAYBACK HEAD
(DECK-A)
HRP301
RECORD/PLAYBACK
HEAD
(DECK-B)
HE301
ERASE HEAD
(DECK-B)
MAIN BOARD (2/2)
LAMP BOARD
LCD BOARD
MD BOARD
POWER BOARD
HEADPHONE BOARD
AC BOARD
L-CH
L-CH
ANT1
FM TELESCOPIC
ANTENNA
R-CH
AM IFT
T2
L5
AM OSC
CF3
JK302
PHONES
JK301
SPEAKER IMP.6
04
REC/PB SW
Q102,103
REC/PB SW
Q302
REC MUTE
Q125
REC SW
Q314
MOTOR
CONTROL
Q309,310
ALC
R-CH
A-L
TR-C CD-L TU-LTR-B
BIAS
NOR A/B
B-L
12 10 27 28
21
22
4
83
82
20
86
88
34
CD ON
SWITCH
Q312
RF IF AMP
Q1
FM POWER
CONTROL
Q14
DECK A/B
CONTROL
Q305,306
DECK A/B
SELECTOR
Q313
2 8
9 10
TONE
SYSTEM
MUTE
POWER
SW OUT
1AC CHK
98
MOTOR
CONT
OUT
99TC A
100TC B
SEG26
I
SEG11
SEG10
I
SEG0
COM3
I
COM0
23LED VDD
80
I
65
64
I
50
SCL
SDA
MEGA BASS
REC
RADIO LED
CD LED
BEAT CONT
84
TUNER MUTE
38
RESET
15
CE OUT
17
DATA OUT
14
CLOCK
16
DO IN
8
1 8
13
14
1
43
FM DET
AM DET
IF
MPX MUTE
10 11 12 20 64
21
AM
MIX
AM RF
AMP
Q8
AM
OSC
23
1
23
16 18 19 20
24 2
FM IN
PD1
A IN
AOUT
AM IN
IF IN
AM/FM
FM ST
SD
SD/IN
X IN
X OUT
15 12 8
9 10 11
3
4
5
6
CE
DI
CLK
DO
3
RESET
IC802
S301
RESET
Q123
R-CH
2
1
2
1
SEG26
SEG11
SEG10
SEG0
COM3
COM0
+9.5V
+10V
12
11
5
2
4
9
10
2
4
5
7
6
1
16
1
15
16
17
12
11
5
2
4
9
10
2
S1 (MOTOR)
S2 (PLAY)
S3 (PLAY)
S4 (REC)
S5 (MOTOR)
4
5
7
6
1
16
1
15
16
17
3
4
3
4
LCD BACK LIGHT
LP801-803
M
DECK-A
CN305CN305
CN801
CN802
CN802
CN314CN314
M301
(CAPSTAN/REEL)
DECK-B
LIQUID
CRYSTAL
DISPLAY
PANEL
LCD801
LED POWER
CONTROL
Q811,812
R-CH
R-CH
ERROR
DET
Q322,323
+7.5V REG
Q326
+10V REG
Q325
+5V REG
IC306
+15V
-15V
SP901
SPEAKER (L-CH)
SP902
SPEAKER (R-CH)
POWER
MUTE
Q381
5
2
7
MUTE
4
2
1
4
2
1
+
+
CN308
CN307
CN308
CN306
FM TUNER UNIT
FE1
JK303
AM
EXT
ANT
X1
7.2MHz
PLL
IC3
~
AC IN
PT1
POWER
TRANSFORMER
3
1
2
1
F301
F302
F303
RECT
D327
RECT
D330
POWER
MUTE
Q321
LINE AMP
IC303
75
OUTR
OUTL
REC SW
Q308
TAPE REC/PB PRE AMP
IC301
ELECTRONIC VOLUME
IC304
CN313 CN313
HP5V
M9V
+10V
+7.5V
+5V
+10V
MUTE
Q380
+5V REG
IC309
MUTE
Q382
VOLTAGE
CHECK
Q328
+9V REG
Q380
SYSTEM CONTROL
IC801(2/2)
29
REC/PB
SW
Q303,304
Q316
BEAT CUT
CD L-CH
1
CD SECTION
CF1 CF2
CF4
+10V
+7.5V
+FM
7
FM+BFM IF
IF AMP,DET,MPX
IC2
OSC AM MIX AM IF
L OUT
R OUT
L4
AM ANT
TC2
L4,TC2
SFR301
TAPE SPEED
11 2
MUTE
5
POWER AMP
IC305
HEADPHONE AMP
IC308
Q301
• Signal path
• R-ch : same as L-ch.
: FM
: CD
: AM
: PB
: REC
RADIO ON
SWITCH
Q311
MEGA BASS
Q121
SDA SCL
L IN L OUT
AM
TRACKING
L5
AM
FREQUENCY
CONVERAGE
T2
AM IF
All manuals and user guides at all-guides.com

Related product manuals