EasyManua.ls Logo

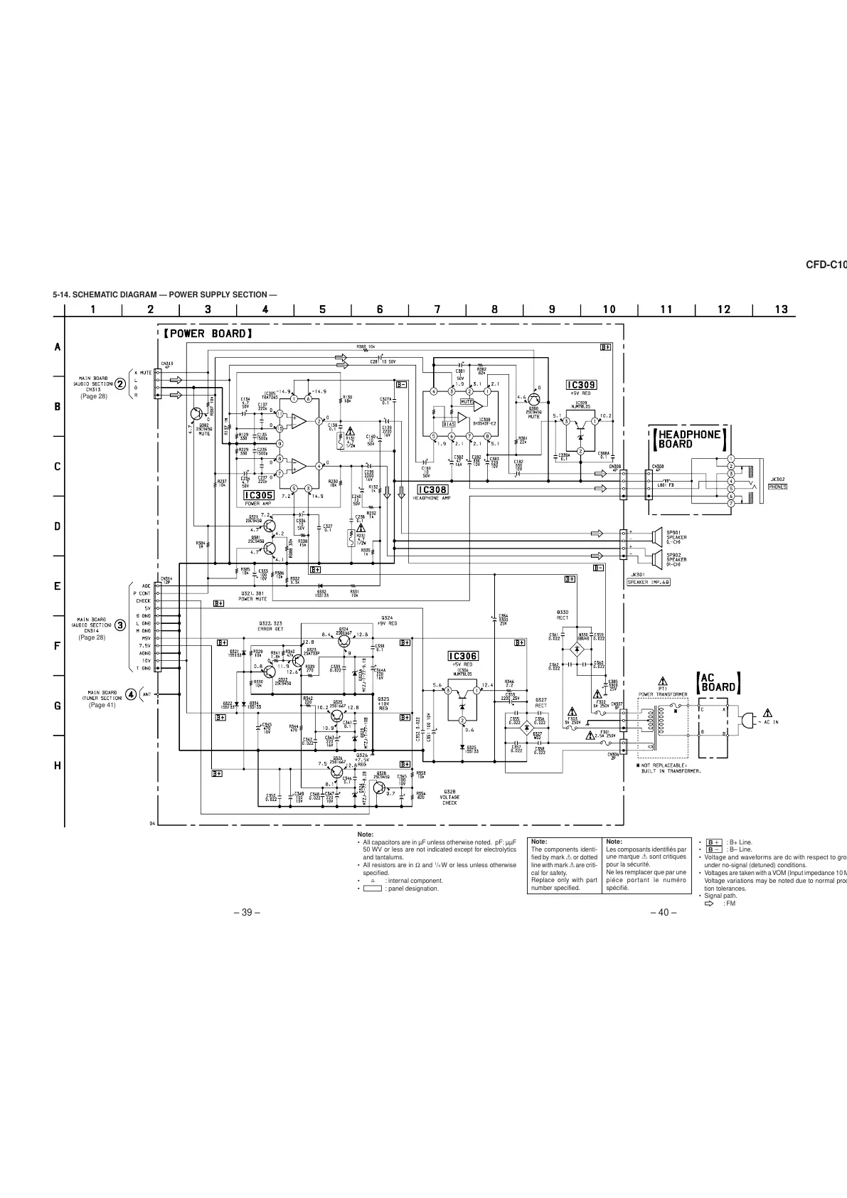
Sony CFD-C1000 - 5-14. Schematic Diagram - Power Supply Section

Sony CFD-C1000
20 pages
Print Icon
To Next Page IconTo Next Page
To Next Page IconTo Next Page
To Previous Page IconTo Previous Page
To Previous Page IconTo Previous Page
Loading...
130
– 39 – – 40 –
CFD-C1000
Note:
All capacitors are in µF unless otherwise noted. pF: µµF
50 WV or less are not indicated except for electrolytics
and tantalums.
All resistors are in and
1
/
4
W or less unless otherwise
specified.
¢
: internal component.
C : panel designation.
U : B+ Line.
V : B– Line.
Voltage and waveforms are dc with respect to ground
under no-signal (detuned) conditions.
Voltages are taken with a VOM (Input impedance 10 M).
Voltage variations may be noted due to normal produc-
tion tolerances.
Signal path.
F : FM
Note:
The components identi-
fied by mark ! or dotted
line with mark ! are criti-
cal for safety.
Replace only with part
number specified.
Note:
Les composants identifiés par
une marque ! sont critiques
pour la sécurité.
Ne les remplacer que par une
piéce portant le numéro
spécifié.
5-14. SCHEMATIC DIAGRAM — POWER SUPPLY SECTION —
(Page 28)
(Page 28)
(Page 41)
All manuals and user guides at all-guides.com

Related product manuals