EasyManua.ls Logo

Sony CFD-C1000 - 5-3. Block Diagram - CD Section

Sony CFD-C1000
20 pages
Print Icon
To Next Page IconTo Next Page
To Next Page IconTo Next Page
To Previous Page IconTo Previous Page
To Previous Page IconTo Previous Page
Loading...
CFD-C1000
– 17 – – 18 –
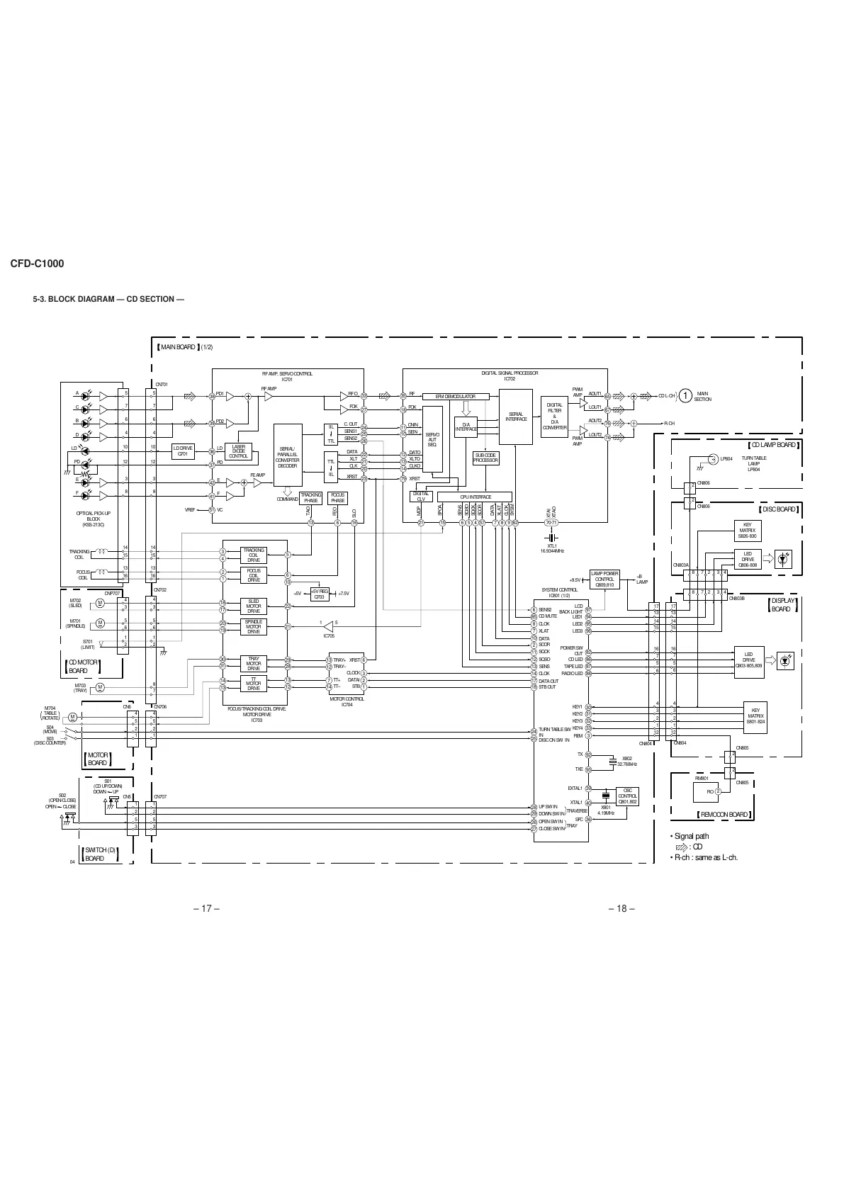
5-3. BLOCK DIAGRAM — CD SECTION —
M
38
33 35
18
11
10
12
13
14
79
23
20
21
22
26
25
24
• Signal path
• R-ch : same as L-ch.
: CD
27
PD1
RF AMP
FE AMP
39
36
37
PD2
LD
PD
E
F
VC
42
41
51
3
4
5
13
LD DRIVE
Q701
LASER
DIODE
CONTROL
SERIAL/
PARALLEL
CONVERTER
DECODER
RF O
FOK
C. OUT
SENS1
SENS2
IIL
TTL
DATA
XLT
CLK
XRST
TTL
IIL
TRACKING
PHASE
FOCUS
PHASE
COMMAND
6 16 7
574
5
6
15
21
8 9 62
65
67
TAO
FEO
SLO
RF AMP, SERVO CONTROL
IC701
DIGITAL SIGNAL PROCESSOR
IC702
VREF
TRACKING
COIL
DRIVE
2
1
6
10
22
21
28
FOCUS
COIL
DRIVE
18
17
SLED
MOTOR
DRIVE
20
19
SPINDLE
MOTOR
DRIVE
30
31
TRAY
MOTOR
DRIVE
29
13
12
12
13
7
14
6
3
2
1
14
13
TT
MOTOR
DRIVE
CN702
CNP707
CN701
TRACKING
COIL
FOCUS
COIL
A
4
3
5
6
1
2
C
B
D
E
F
LD
PD
OPTICAL PICK-UP
BLOCK
(KSS-213C)
M
M702
(SLED)
M703
(TRAY)
M
S04
(MOVE)
S01
(CD UP/DOWN)
S02
(OPEN/CLOSE)
OPEN CLOSE
S03
(DISC COUNTER)
M
M701
(SPINDLE)
RF
FOK
CNIN
SEIN
DATO
XLTO
CLKO
XRST
MDP
SPOA
SENS
SQSO
SQCK
SCOR
DATA
XLAT
CLOK
SYSM
XTAI
XTAO
SERVO
AUT
SEQ.
EFM DEMODULATOR
SERIAL
INTERFACE
D/A
INTERFACE
SUB CODE
PROCESSOR
CPU INTERFACE
DIGITAL
CLV
S701
(LIMIT)
70
71
XTL1
16.9344MHz
DIGITAL
FILTER
&
D/A
CONVERTER
AOUT1
LOUT1
76
74
AOUT2
LOUT2
CD L-CH
R-CH
1
MAIN
SECTION
PWM
AMP
PWM
AMP
04
5
7
6
4
12
14
15
13
16
3
8
10
TRAY+
TRAY–
TT+
TT–
DATAI
CLOCK
XRST
STB
4
5
2
1
5
7
6
4
12
14
15
13
16
3
8
10
4
3
5
6
1
2
8
7
4
5
2
1
1
2
5
3
CN5 CN707
CN6 CN706
1
2
5
3
28
29
26
27
6
18
17
14
13
12
11
2
10
7
8
85
24
25
X801
4.19MHz
X802
32.768kHz
92
93
3
39
40
97
31
32
30
88
87
86
82
96
95
94
SENS2
CD MUTE
XLAT
CLOK
DATA
LED1
LED2
LED3
LCD
BACK LIGHT
SQCK
SQSO
SCOR
CD LED
POWER SW
OUT
TAPE LED
RADIO LED
STB OUT
DATA OUT
CLOK
SENS
TURN TABLE SW
IN
DISC ON SW IN
UP SW IN
DOWN SW IN
OPEN SW IN
CLOSE SW IN
KEY1
KEY2
KEY3
KEY4
REM
TX
TXE
EXTAL1
XTAL1
36
SFC
33
13
15
14
16
5
6
4
3
2
1
12
7
17
+B
LAMP
+9.5V
13
43278
432
2
78
15
14
16
5
6
4
3
2
1
12
7
17
LAMP POWER
CONTROL
Q809,810
+5V +7.5V
+5V REG
Q703
LED
DRIVE
Q803-805,809
KEY
MATRIX
S801-824
OSC
CONTROL
Q801,802
LED
DRIVE
Q806-808
KEY
MATRIX
S826-830
TURN TABLE
LAMP
LP804
2
RO
RM801
CN803A
CN803B
CN805
CN804
CN804
CN805
2
LP804
CN806
CN806
2
2
TRAVERSE
TRAY
SYSTEM CONTROL
IC801 (1/2)
15
IC705
MOTOR CONTROL
IC704
FOCUS/TRACKING COIL DRIVE,
MOTOR DRIVE
IC703
M704
TABLE
ROTATE
MAIN BOARD (1/2)
CD LAMP BOARD
DISC BOARD
REMOCON BOARD
MOTOR
BOARD
CD MOTOR
BOARD
DISPLAY
BOARD
SWITCH (D)
BOARD
DOWN UP
All manuals and user guides at all-guides.com

Related product manuals