EasyManua.ls Logo

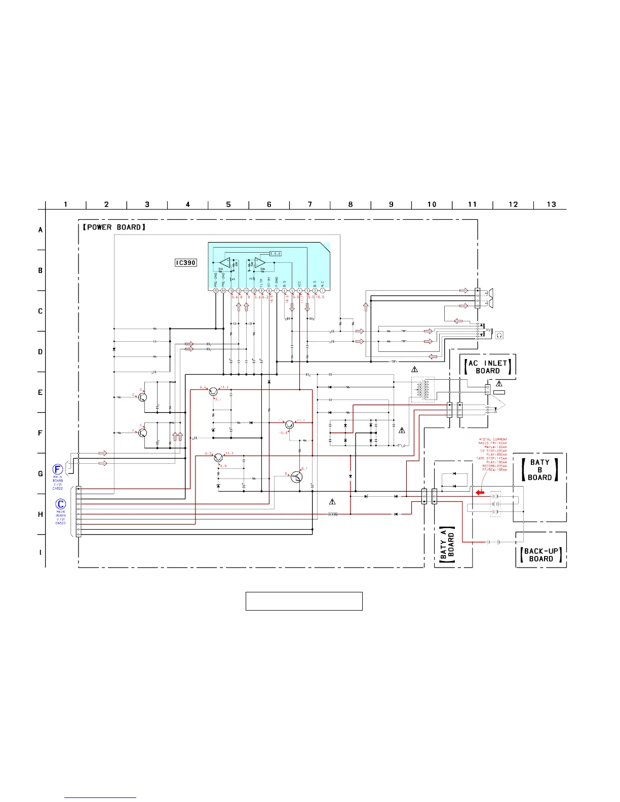
Sony CFD-E75L - Schematic Diagram - POWER SUPPLY Section

Sony CFD-E75L
56 pages
Print Icon
To Next Page IconTo Next Page
To Next Page IconTo Next Page
To Previous Page IconTo Previous Page
To Previous Page IconTo Previous Page
Loading...
3535
CFD-E75L
Q191
R197
C197
R198
C297
R297
Q291
R296
R196
C393
C392
R392
D391
D392
R394
D393
C395
C394
C391
R393
R903
C907
C906
C397
C
191
C
192
C
292
C291
C196
D390
R291
L391
1µH
R194
R294
R
390
R395
D394
C290
C
190
D908
D910
D907
C910
CNP901
R391
CNP392
CNP902 CN902
R191
C911
C296
R396
Q392
T901
D901
D903D904
D902
D905
D906
Q393
Q391
Q390
IC390
C398
R398
C399
R
290
R
190
C193
C194 C294
C293
C195
C295
R193 R293
L190
1µH
L290
1µH
C905
D909
J901
D913
D914
CN901
R901
R902
C902
C904
C901
C903
R397
CNP391
F901
R298
KTC3198GR-AT
15k
0.47
50V
1k
0.47
50V
15k
KTC3198GR-AT
470
470
100
10V
220
10V
150
1SS355TE
-17
UDZ-TE-17
-6.8B
150
MTZJ-6.8B
220
10V
0.01
0.01
10
1
0.1
0.1
220
10V
47
10V
2200p
2200p
47
10V
1
50V
1SS355TE-17
2.2
100
100
47
1k
1SS355TE
-17
10
0p
10
0p
UDZ-TE-17-2.7B
RB441Q-40-T77
1SS355TE
-17
4700
16V
3P
100
4P
3P 3P
2.2
10
50V
1
50V
47k
KTA1271Y-AT
2A02M
2A02M2A02M
2A02M
1SS355TE-17
1SS355TE-17
DTC114EKA-T146
KTC2026Y
KTC2026Y
BA5417
0.22
470k
22
25V
220
220
220
10V
0.022 0.022
220
10V
2200
10V
2200
10V
3.3k 3.3k
0.1
1SS355TE-17
1SS355TE-17
1SS355TE-17
3P
100
100
1
1
1
1
2.2k
10P
2.5A
250V
1k
R-OUT
L-OUT
A-GND
AU 6.2V
P-CON
AC-HI
TC 9.0V
COM VCC
CD 6.2V
MOT-GND
D-GND
S-GND
M/B-CONT
(L-CH)
(R-CH)
DRY BATTERY
SIZE"D"
(IEC DESIGNATION R20)
6PCS. 9V
(FOR POWER SUPPLY)
DRY BATTERY
SIZE"AA"
(IEC DESIGNATION R6)
3PCS. 4.5V
(FOR BACK-UP)
POWER TRANSFORMER
POWER ON/OFF
CONTROL
CD +6.2V
REGULATOR
REGULATOR
+6.2V
B+ SWITCH
POWER AMP
CONTROL
MEGA BASS
Q191,291
J301
~
AC IN
6-17. SCHEMATIC DIAGRAM – POWER SUPPLY Section –
Note on Schematic Diagram:
All capacitors are in µF unless otherwise noted. pF: µµF
50 WV or less are not indicated except for electrolytics
and tantalums.
All resistors are in and
1
/
4
W or less unless otherwise
specified.
A : B+ Line.
Power voltage is dc 9 V and fed with regulated dc power
supply from battery terminal.
Voltages are dc with respect to ground under no-signal
(detuned) conditions.
no mark : TUNER
Note: The components identified by mark 0 or dotted line
with mark 0 are critical for safety.
Replace only with part number specified.
5 : fusible resistor.
C : panel designation.
Voltages are taken with a VOM (Input impedance 10 M).
Voltage variations may be noted due to normal produc-
tion tolerances.
Signal path.
F : AUDIO
(Page 30)
(Page 30)

Table of Contents

Related product manuals