EasyManua.ls Logo

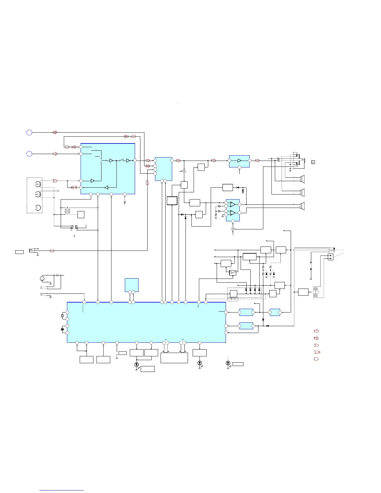
Sony CFD-G55 - MAIN SECTION BLOCK DIAGRAM

Sony CFD-G55
54 pages
Print Icon
To Next Page IconTo Next Page
To Next Page IconTo Next Page
To Previous Page IconTo Previous Page
To Previous Page IconTo Previous Page
Loading...
1818
CFD-G55
5-2. Block Diagrams
MAIN Section
: FM
: CD
• Signal Path
• R-CH is omitted due to same as L-CH.
: PB
: REC
: LINE IN
20
B
A
TUNER/CD
SECTION
L OUT
L-CH
R-CH
R-CH
HEAD
R-CH
R-CH
(MAGNET)
L-CH
BIAS
OSC
Q301
PRE AMP
IC301
24
22
5
4
1521
REC TAPE
L IN
RADIO
PB AMP
26dB
L
TAPE
TAPE
T301
12
MUTE
Q171
AMP
Q321
INV
Q953
SW
Q951
BASS AGC
Q351
3
8
STBY
POWER AMP
IC371
R-CH
R-CH
J391
SPEAKER (L-CH)
SPEAKER (R-CH)
FUNCTION
SWITCH
S409-416
LED DRIVE
Q810
64
V-CLOCK
65
V-DATA
34
A-MUTE
67
TAPE
39
REC
IC801(2/2)
SYSTEM CONTROL
70
71
74
75
X802
32.768kHz
X801
4.19MHz
XT1
XT2
X1
X2
S301
REC PB
REC AMP
AMP
BUFFER
7dB
17
LINE
51
TC-PLAY
M
+9V
M321
CAPSTAN/REEL
MOTOR
S322
MOTOR
S321
PLAY
TUNER/CD
SECTION
6
REF
66
P-CON
KEY-1
43
WP
50
KEY-2
44
W-LED1
79
LED DRIVE
Q809
W-LED2
80
S401-408
SCL
35
SDA
36
65
EEP ROM
IC803
77
CD
VIN1
1
A1
5
B1
7
SEL1
4
SOUND/VOLUME
IC321
SI
14
SC
13
17
OUT1
AGC
Q354
VDD(SW)
VDD(SW)
12
13
3
10
11
5
8
STBY
WOOFER
POWER AMP
IC351
30
WOOFER ON/OFF
31
WOOFER 1/2
LCD891
LIQUID CRYSTAL
DISPLAY PANEL
2710
SEG17SEG0
96
COM3COM0
SP391
SP392
SP393
WOOFER
T901
RECT
D901-904
+6V REG
Q954
+9V REG
Q971
CD +6V REG
Q972
+3.3V REG
Q956
CD/RADIO +6V
CD +3.3V
VDD(SW)
CND,MY,SP
US
POWER
SWITCH
Q952
23
+3.3V
REG
IC802
21
RESET
IC805
µ COM VDD
D807
D806
1
REMOTE
CONTROL
IC891
76
RESET
49REG CHK
D893
AUDIO 6V
Q955
PB
REC
CD 3.3V
LPF
Q322
GAIN
CONTROL
Q323
FUNCTION
SWITCH
FUNCTION
SWITCH
KEY-3
45
TEST-1
D401
LED DRIVE
Q802
LED CONT
78
D891
VDD(SW)
2
AU +6V
48RMC
DRY BATTERY
SIZE "D"
(IEC DESIGNATION R20)
8PCS, 12V
POWER AMP +12V
+9V
J381
LINE IN
POWER DRIVE
WOOFER
BACK LIGHT
OPR/BATT
(AC IN)
CNJ901

Other manuals for Sony CFD-G55

Related product manuals