EasyManua.ls Logo

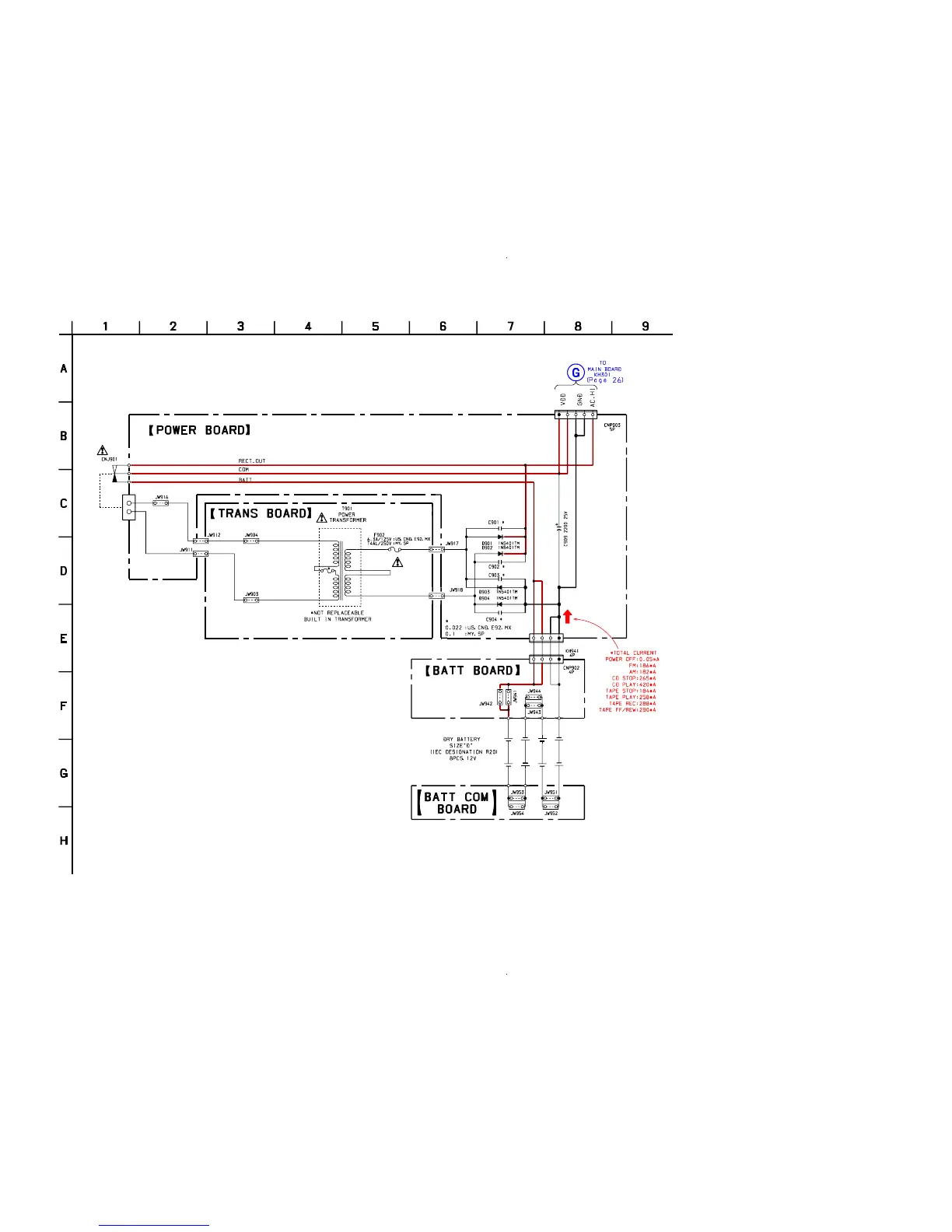
Sony CFD-G55 - Schematic Diagram - POWER Section

Sony CFD-G55
54 pages
Print Icon
To Next Page IconTo Next Page
To Next Page IconTo Next Page
To Previous Page IconTo Previous Page
To Previous Page IconTo Previous Page
Loading...
3333
CFD-G55
5-17. Schematic Diagram – POWER Section –

Other manuals for Sony CFD-G55

Related product manuals