EasyManua.ls Logo

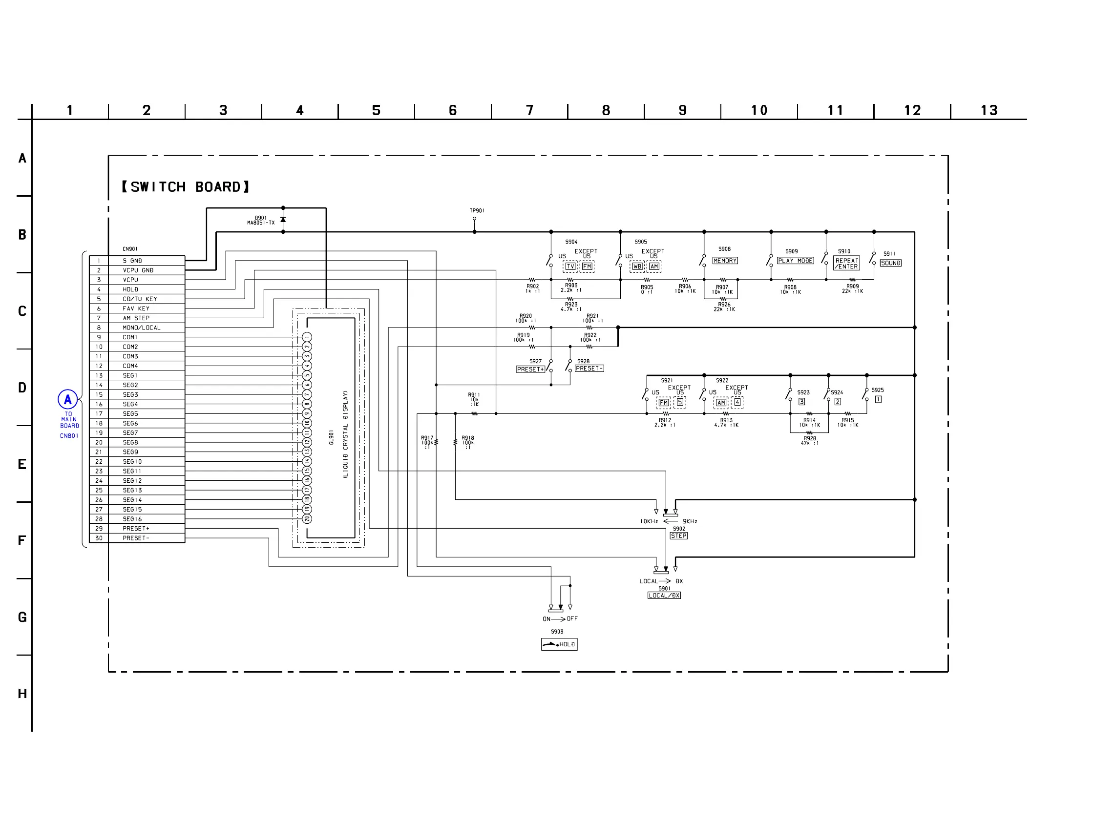
Sony D-FS601 - Schematic Diagram - SWITCH Board

Sony D-FS601
38 pages
Print Icon
To Next Page IconTo Next Page
To Next Page IconTo Next Page
To Previous Page IconTo Previous Page
To Previous Page IconTo Previous Page
Loading...
2222
D-FS601
5-10. Schematic Diagram – SWITCH Board –
(Page 17)
(2/5)

Related product manuals