EasyManua.ls Logo

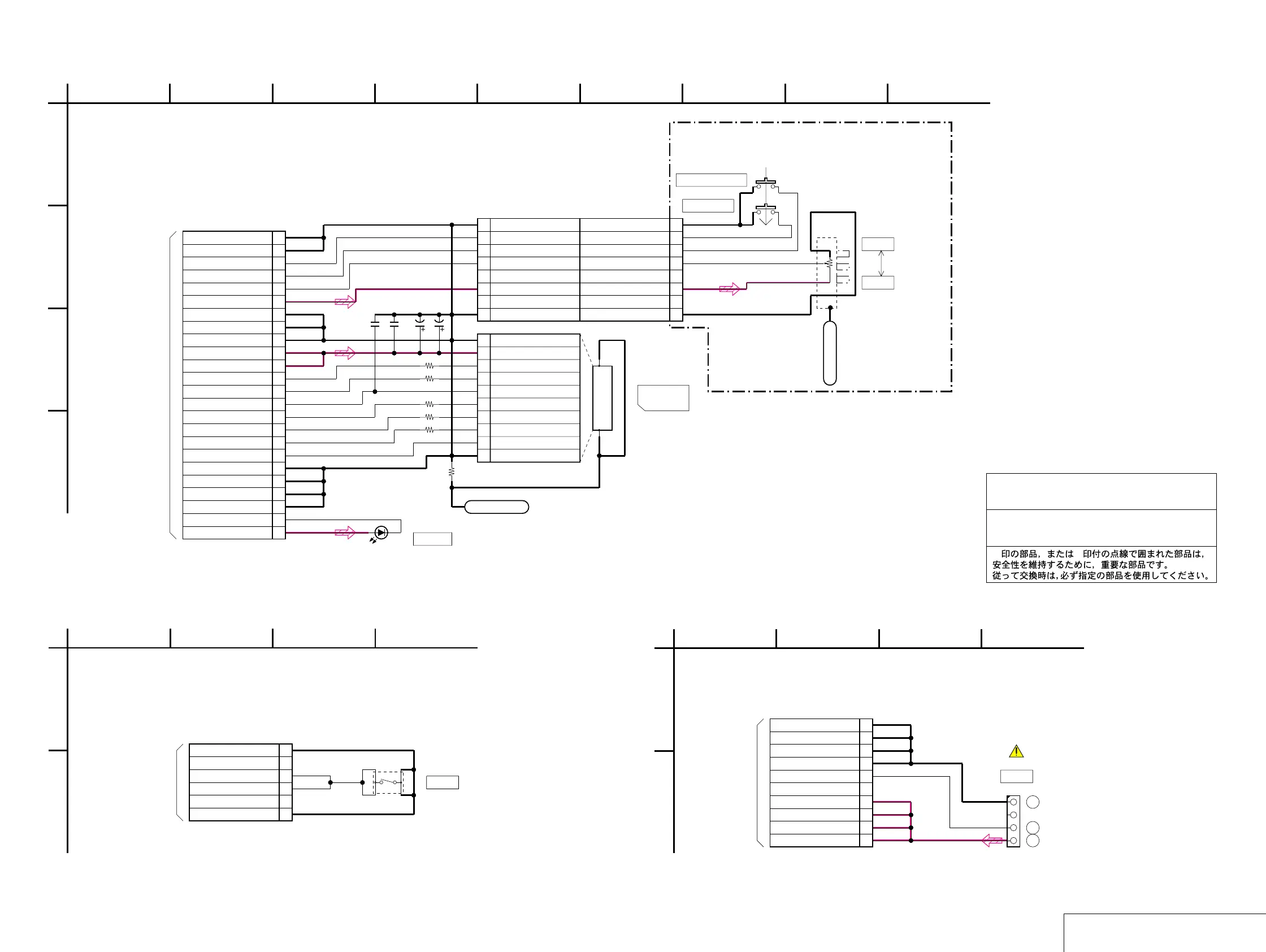
Sony DCR-PC1000 - Control Switch Block (Fk11800)

Sony DCR-PC1000
87 pages
Print Icon
To Next Page IconTo Next Page
To Next Page IconTo Next Page
To Previous Page IconTo Previous Page
To Previous Page IconTo Previous Page
Loading...
DCR-PC1000/PC1000E
4-9 4-10
FK11800/FP-166/FP-167/FP-170
CONTROL SWITCH BLOCK(FK11800) is replaced as a block.
So that this PRINTED WIRING BOARD is omitted.
R006
0
CN002
10P
1
2
3
4
5
6
7
8
9
10
C002
XX
0
R003
0
R001
0
R002
0
R005
0
R004
XX
C001
8PCN001
1
2
3
4
5
6
7
8
TLRMV1021(T15SOY,F)
D001
XX
C003
XX
C004
10k
RV001
1
2
3
S001
S002
LND009
CHASSIS_GND
8P
1
2
3
4
5
6
7
8
24P
1
2
3
4
5
6
7
8
9
10
11
12
13
14
15
16
17
18
19
20
21
22
23
24
1
A
LND025
CHASSIS_GND
MS_DIO
ACCESS_LED_VDD
MS_VCC
MS_SCLK
MS_BS
MS_INSERT
ACCESS_LED_ON
GND
MSDATA3
GND
VCC
MSDATA1
INS
MSDATA2
SCLK
DIO
BS
REG_GND
REG_GND
MSDATA3
MSDATA2
MSDATA1
MS_VCC
ZOOM_AD
PHOTO_FREEZE
PHOTO_REC
REG_GND
REG_GND
REG_GND
REG_GND
D_2.8V
REG_GND
ZOOM_AD
PHOTO_FREEZE
PHOTO_REC
D_2.8V
REG_GND
REG_GND
NC
NC
REG_GND
REG_GND
N.C.
PHOTO_FREEZE
ZOOM_AD
PHOTO_REC
N.C.
REG_GND
D_2.8V
REG_GND
LND001
LND002
LND003
LND004
LND005
LND006
LND007
LND008
LND001
LND002
LND003
LND004
LND005
LND006
LND007
LND008
LND009
LND010
LND011
LND012
LND013
LND014
LND015
LND016
LND017
LND018
LND019
LND020
LND021
LND022
LND023
LND024 D001
ACCESS
PHOTO(FREEZE)
PHOTO(REC)
WIDE
TELE
ZOOM
RV001
MEMORY
STICK DUO
CONNECTOR
TO
VC-398 BOARD(21/23)
CN1006
XX MARK:NO MOUNT
MS CONNECTOR
FP-167 FLEXIBLE BOARD
92635
C
784
B
16
D
CONTROL SWITCH BLOCK
(FK11800)
(PAGE 4-72
OF LEVEL3)
For Schematic Diagram
• Refer to page 4-87 for printed wiring board.
S001
2
3
1
4
6P
CN001
1
2
3
4
5
6
1
A
EJECT
REG_GND
REG_GND
XEJECT_SW
XEJECT_SW
N.C.
N.C.
LND001
LND003
LND004
LND006
TO
VC-398 BOARD(21/23)
CN1002
3
B
24
16
EJECT SW
FP-166 FLEXIBLE BOARD
(PAGE 4-72
OF LEVEL3)
CN015
1
2
3
4
10P
1
2
3
4
5
6
7
8
9
10
1
A
BATT_GND
BATT_SIG
BATT_GND
BATT_GND
BATT_UNREG
BATT_UNREG
BATT_UNREG
BATT_UNREG
N,C.
BATT_GND
LND010
LND009
LND008
LND007
LND006
LND004
LND003
LND002
LND001
-
S
+
DC IN
(BATTERY TERMINAL)
TO
VC-398 BOARD
(22/23)
CN1016
3
B
24
16
FP-170 FLEXIBLE BOARD
BATTERY TERMINAL
(PAGE 4-73
OF LEVEL3)
For Schematic Diagram
Refer to page 4-87 for printed wiring board.
For Schematic Diagram
Refer to page 4-91 for printed wiring board.
The components identified by mark 0 or dotted line with mark
0 are critical for safety.
Replace only with part number specified.
Les composants identifiés par une marque 0 sont critiques pour
la sécurité.
Ne les remplacer que par une pièce portant le numéro spécifié.
0 0
Ver 1.1 2005. 05

Related product manuals