EasyManua.ls Logo

Sony EVI-D70P - Page 53

Sony EVI-D70P
56 pages
Print Icon
To Next Page IconTo Next Page
To Next Page IconTo Next Page
To Previous Page IconTo Previous Page
To Previous Page IconTo Previous Page
Loading...
53
GB
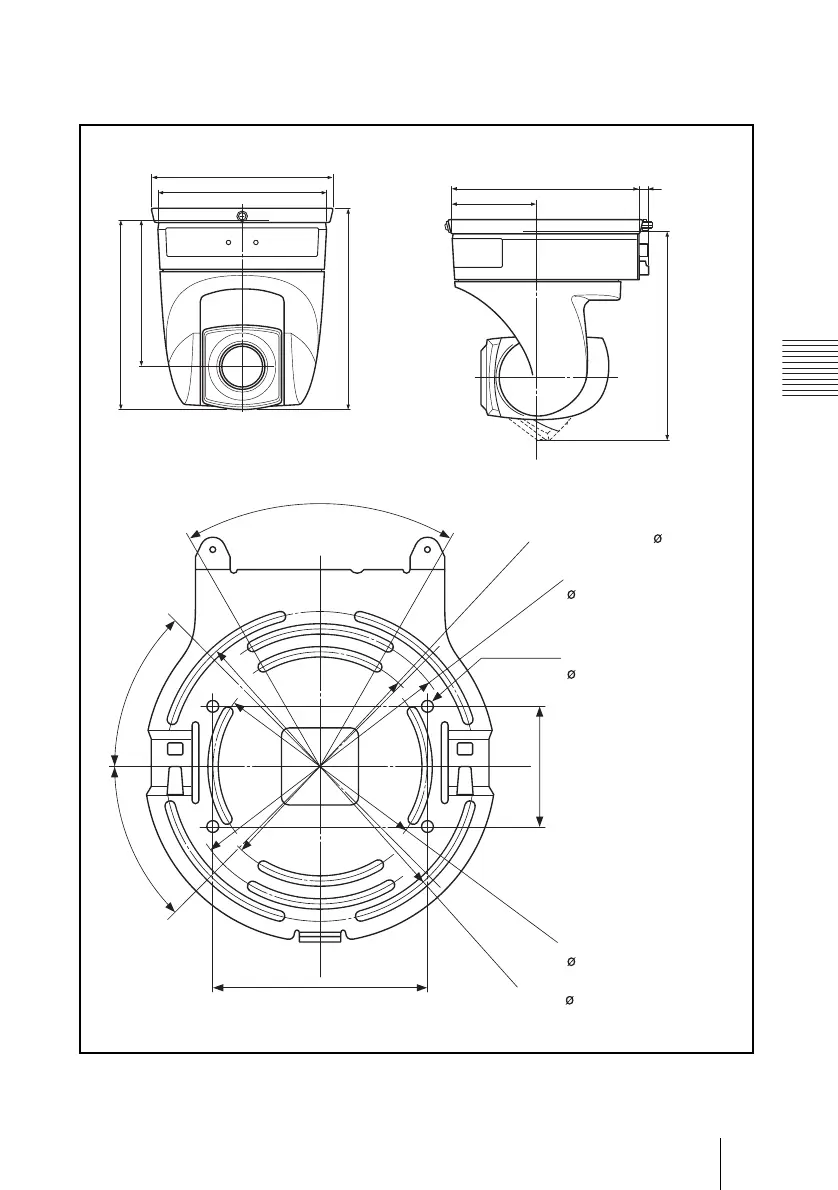
General
Specifications
Dimensions with ceiling bracket
Front
Unit: mm (inch)
Side
Ceiling bracket (B)
141 (5
9
/
16
)
132 (5
3
/
16
)
146 (5
3
/
4
)
113 (4
7
/
16
)
156 (6
5
/
32
)
144 (5
21
/
32
)
7.4 (
9
/
32
)
66 (2
19
/
32
)
162 (6
3
/
8
)
60°
Rear
45°
45°
Front
83.5 (3
9
/
32
)
46 (1
13
/
16
)
Retainer opening 88.9 (3
1
/
2
)
Width 4.5 (
3
/
16
) (×2)
Adjustable limit: ±30°
Retainer opening
107.3 (4
7
/
32
)
Width 4.5 (
3
/
16
) (×2)
Retainer opening
4.5 (
3
/
16
) (×4)
Retainer opening
83.5 (3
9
/
32
)
Width 4.5 (
3
/
16
) (×2)
Retainer opening 121.2 (11
25
/
32
)
Width 4.5 (
3
/
16
) (×4)

Related product manuals