EasyManua.ls Logo

Sony HBD-E770W - Schematic Diagram - MB-134 Board (4;13)

Sony HBD-E770W
114 pages
Print Icon
To Next Page IconTo Next Page
To Next Page IconTo Next Page
To Previous Page IconTo Previous Page
To Previous Page IconTo Previous Page
Loading...
HBD-E770W
HBD-E770W
3838
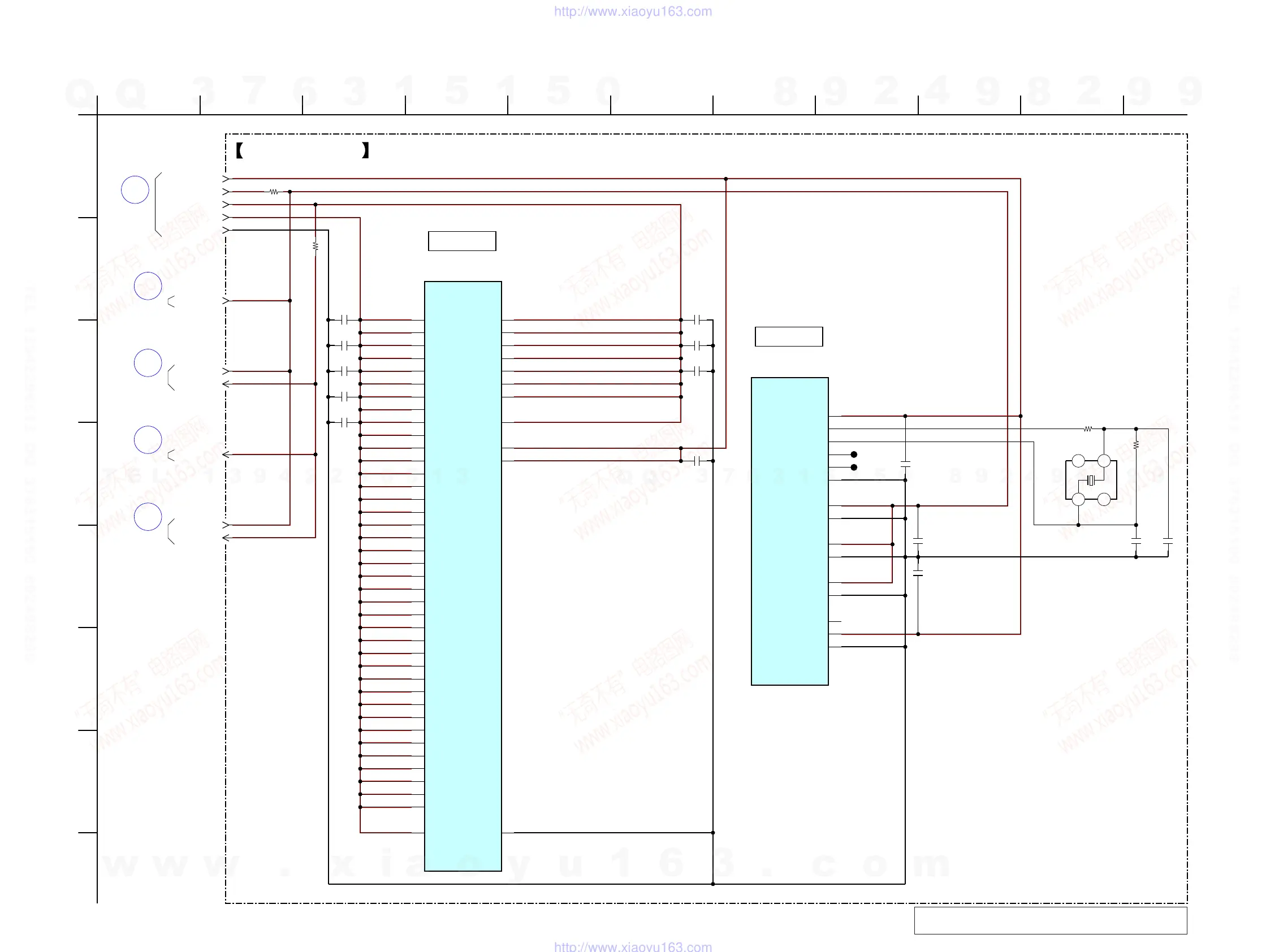
5-10. SCHEMATIC DIAGRAM - MB-134 Board (4/13) -
• See page 77 for IC Pin Function Description.
(6/13)
MB-134
BOARD
5
MB-134
(10/13)
15
BOARD
MB-134
(1/13)
19
BOARD
22
(3/13)
MB-134
BOARD
MB-134
(8/13)
7
BOARD
CORE_STB3.3V
0.1
C437
CPU_1.2VA
CL401
CL402
820
R403
R404
100k
0.01
C405
CORE_1.1V
0.1
C418
0.1
C403
0.1
C423
GND
10
C416
0.1
C433
0.1
C427
0.1
C431
0.1
C436
0.1
C440
0.1
C424
1.2VA
CPU_3.3VA
R401
0
0R402
1
2
27MHz
X401
IC101
VCCK
Y20
VCCK
AB20
VCCK
AD20
VCCK
AF20
VCCK
AH20
VCCK
AK20
VCCK
W21
VCCK
AL21
VCCK
AB22
VCCK
AD22
VCCK
AF22
VCCK
AH22
VCCK
W23
VCCK
AA23
VCCK
AJ23
VCCK
AL23
VCCK
W25
VCCK
AA25
VCCK
AJ25
VCCK
AL25
VCCK
AA27
VCCK
AJ27
VCCK
AL27
VCCK
W29
VCCK
AA29
VCCK
AJ29
VCCK
AL29
VCCK
AB30
VCCK
AD30
VCCK
AF30
VCCK
AH30
VCCK
W31
VCCK
AL31
VCCK
Y32
VCCK
AB32
VCCK
AD32
VCCK
AF32
VCCK
AH32
VCCK
AK32
VCCK_PWM
W27
VCC3IO_1
AU13
VCC3IO_2
L35
VCC3IO_2
N35
VCC3IO_3
H10
VCC3IO_3
H12
VCC3IO_3
J15
VCC3IO_3
H18
VCC3IO_PWM
J21
VCC3IO_STB
J33
VCC3IO_STB
G35
DVSS_PWM
Y26
IC101
E25
C25
A25
E27
F26
G25
A23
J25
B24
F24
D24
H24
H38
J37
K36
10p
C447
10p
C448
3.3VA
CPU_1.2VA
CPU_1.2VA
CPU_3.3VA
CPU_3.3VA
(4/13)
MB-134 BOARD
IC101
BD DECODER
CSP
CXD9983GG
(Chip Size Package)
(3/15)
(4/15)
(Chip Size Package)
IC101
CXD9983GG
BD DECODER
CSP
E
113
D
F
8
G
7
A
109
C
4
H
26
B
51
AVDD33_XTAL
NS_XTALO
NS_XTALI
TP_PLLG
TN_PLLG
AVSS33_XTAL
AVDD12_27MPLL
AVSS12_27MPLL
AVDD12_DMPLL
AVSS12_DMPLL
AVDD12_APLL
AVSS12_APLL
AVDD10_LDO
AVDD33_LDO
AVSS33_LDO
Note: IC101 on the MB-134 board cannot exchange with single. When
this part is damaged, exchange the entire mounted board.
(Page 37)
(Page 35)
(Page 40)
(Page 44)
(Page 42)
w
w
w
.
x
i
a
o
y
u
1
6
3
.
c
o
m
Q
Q
3
7
6
3
1
5
1
5
0
9
9
2
8
9
4
2
9
8
T
E
L
1
3
9
4
2
2
9
6
5
1
3
9
9
2
8
9
4
2
9
8
0
5
1
5
1
3
6
7
3
Q
Q
TEL 13942296513 QQ 376315150 892498299
TEL 13942296513 QQ 376315150 892498299
http://www.xiaoyu163.com
http://www.xiaoyu163.com

Table of Contents

Related product manuals