EasyManua.ls Logo

Sony HBD-E770W - Schematic Diagram - MB-134 Board (11;13)

Sony HBD-E770W
114 pages
Print Icon
To Next Page IconTo Next Page
To Next Page IconTo Next Page
To Previous Page IconTo Previous Page
To Previous Page IconTo Previous Page
Loading...
HBD-E770W
HBD-E770W
4545
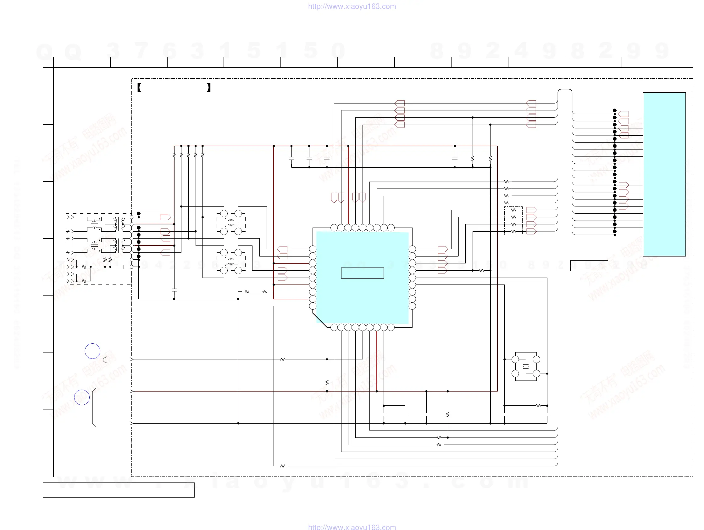
5-17. SCHEMATIC DIAGRAM - MB-134 Board (11/13) -
• See page 77 for IC Pin Function Description.
31
BOARD
(3/13)
MB-134
16
MB-134
(10/13)
BOARD
0.01
C1213
0.1
C1215
0.01
C1218
4.7
C1210
4.7
C1214
10k
R1214
100
R1215
0.01
C1206
49.9R1206
10k
R1209
JL1204
JL1201
R1207 49.9
JL1205
49.9
R1204
JL1203
0.01
C1208
49.9R1205
10
R1201
2.4k
R1208
JL1202
CPU_XRST
R1226
10k
0.022
C1201
1.5k
R1219
GND
100R1217
R1220
100
100R1218
100R1216
100
R1210
100R1213
JL1206
4
1
6
5
2
7
3
8
JL1207
JL1208
JL1209
JL1210
JL1214
JL1211
JL1212
JL1213
JL1218
JL1215
JL1216
JL1222
JL1220
JL1221
JL1217
JL1219
JL1224
JL1223
CN1201
8P
CORE_STB3.3V
100R1247
1
2
25MHz
X1201
15p
C1216
15p
C1217
R1227
100k
31
24
L1201
31
24
L1202
100
RB1201
LAN8700C-AEZG-CTI
IC1201
1
TX_ER
2
MDC
3
CRS
4
MDIO
5
nRST
6
TX_EN
7
VDD33
8
VDD_CORE
10PA1
11PA2
12PA3
13XTAL2
14CLKIN
15RXD3
16RXD2
17RXD1
20
RX_CLK
21
RX_ER
22
TXCLK
23
TXD0
24
TXD1
25
VDDIO
26
TXD2
27
TXD3
29 TXP
30 VDDA3.3
31 RXN
32 RXP
33 VDDA3.3
34 EXRES1
35 VDDA3.3
36 COL
9
PA0
18RXD0
19
RX_DV
28 TXN
10k
R1231
10k
R1232
IC101
ETTXD0
C43
ETTXD1
D40
ETTXD2
D42
ETTXD3
E39
ETTXEN
D38
ETMDC
F36
ETMDIO
B38
ETTXCLK
C41
ETRXCLK
A43
ETCRS
H34
ETRXD0
A41
ETRXD1
B40
ETRXD2
C39
ETRXD3
A39
ETCOL
C37
ETRXDV
F38
ETTXER
E37
ETRXER
B42
ETTXD2
ETTXD3
ETRXD3
ETRXD1
ETRXD0
ETRXD2
ETMDIO
ETCRS
ETTXCLK
ETRXCLK
ETRXER
ETRXDV
ETCRS
ETCOL
ETRXDV
ETRXD0
ETRXD1
ETRXD2
ETRXD3
ETTXD1
ETTXD2
ETTXD3
ETTXEN
ETMDC
ETTXER
ETTXD1
ETTXCLK
ETTXEN
ETRXER
ETMDC
ETMDIO
ETRXCLK
ETCOL
ETTXD0
ETTXD0
ETTXER
MB-134 BOARD
(11/13)
IC1201
ETHERNET INTERFACE
LAN (100)
(Chip Size Package)
CSP
BD DECODER
IC101
CSP
CXD9983GG
(13/15)
(Chip Size Package)
E
113
D
F
8
G
7
A
109
C
426
B
51
ETHERNET
CONNECTOR
Note: IC101 on the MB-134 board cannot exchange with single. When
this part is damaged, exchange the entire mounted board.
(Page 44)
(Page 37)
w
w
w
.
x
i
a
o
y
u
1
6
3
.
c
o
m
Q
Q
3
7
6
3
1
5
1
5
0
9
9
2
8
9
4
2
9
8
T
E
L
1
3
9
4
2
2
9
6
5
1
3
9
9
2
8
9
4
2
9
8
0
5
1
5
1
3
6
7
3
Q
Q
TEL 13942296513 QQ 376315150 892498299
TEL 13942296513 QQ 376315150 892498299
http://www.xiaoyu163.com
http://www.xiaoyu163.com

Table of Contents

Related product manuals