EasyManua.ls Logo

Sony HCD-C70 - Schematic Diagram

Sony HCD-C70
48 pages
Print Icon
To Next Page IconTo Next Page
To Next Page IconTo Next Page
To Previous Page IconTo Previous Page
To Previous Page IconTo Previous Page
Loading...
HCD-C70/C90
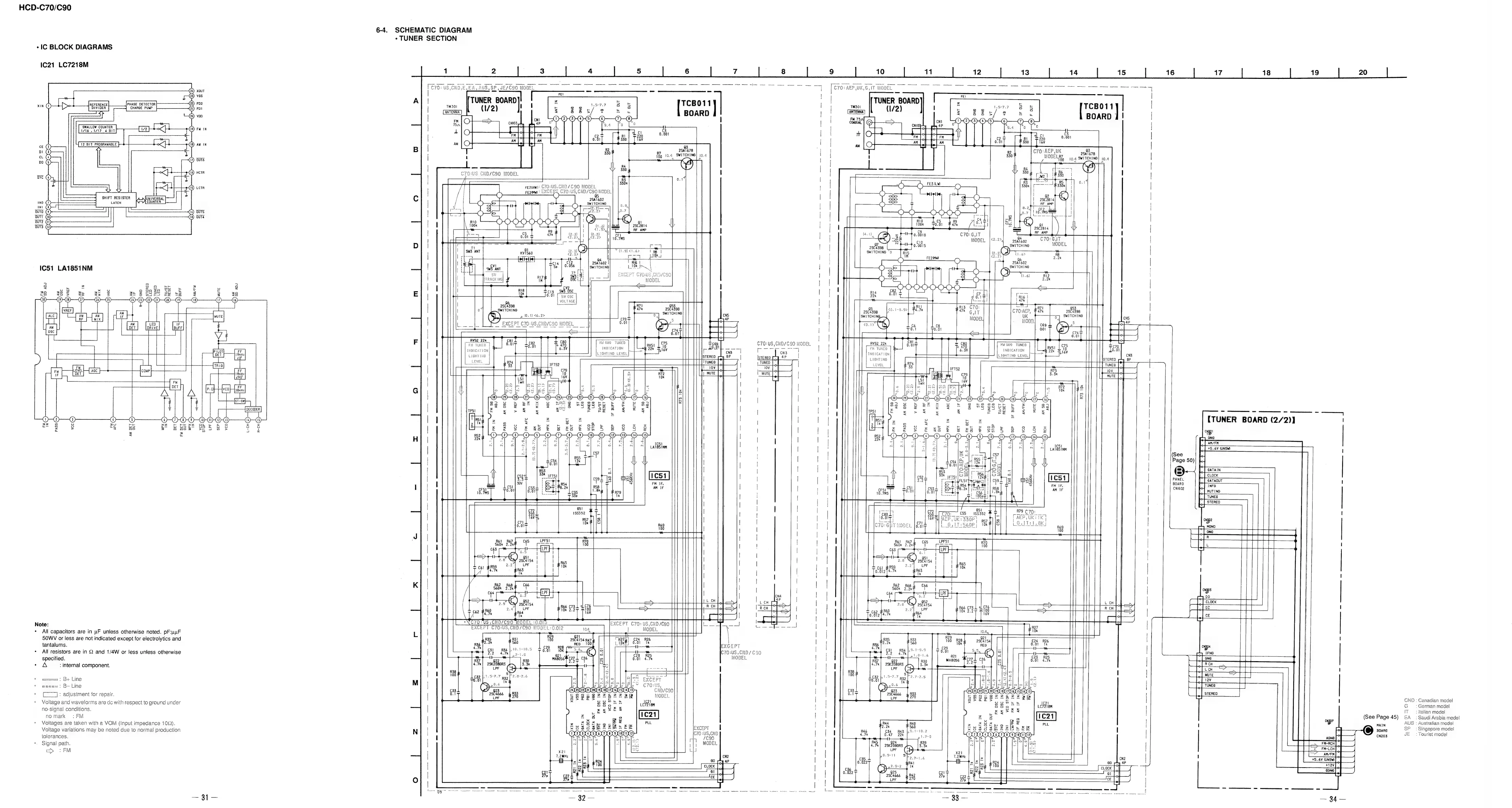
6-4.
SCHEMATIC
DIAGRAM
«TUNER
SECTION
«IC
BLOCK
DIAGRAMS
1
LC7218M
.
:
es
1
2
3
4
.
5
6
7
8
9
10
11
12
13
14 15
16
17
18
19
20
CHOeis
CNO
Ee
gKUS
SP
de7COO
MODEL
ye
ee
[
C70:
AEP
UK,
6,17
-
|
!
;
Pog
~
A]
|
TUNER
BOARD
TCBO11
ice
TUNER
BOARD
TCBO1
|
sr
;
i
(v2)!
oy
ee
2)
,
:
!
BOARD
;
|
!
BOARD
1
!
|
3
i
FM
i
SWALLOW
COUNTER
i
sae
e
.
1
|
j
|
1/16
A/17_&
BIT
|
.
r1Q
oy
B
|
it
4a
2SA1678
|
,
10.4
SWITCHING
{
a,
er
Ss
Os
cs
os
Oy
\coan
Sameer
C
7
)
|
=O
|
aaah
i
|
i
C7O:US
CND/C90
MODEL
(wz)
7
580
|
,
4
===
|]
4
FE2(AM):
G70:US,
CNR
/O80
MODEL
|
r
;
D
EXC
CND/C90
MODEL
(~
C
FEZOW)
vl
pe
|
257814
i)
|
raat
|
SW]
TCHING
|__RF_AMP
;
|
See
|
|
2507814
a
|
i
%
C70:6,1T
et
|
'
MODEL
|<2-2>,
25h1402
70:64
|
D
|
1
|
SWITCHING
MODEL
|
|
ess
BS
|
|
;
|
i
i
~-
10k;
}
i
»2>
|
by
Se
eee
it
re
a6
|
!
2SA1602
|
BAe
L
.
pe
SWITCHING
1051
LA1851NM
+
ee
ee
|
|
|
|rRack
ing|
'
|
|
ees
|
I
|
|
cv2
]
ae
c13
SWS
OSC
i
E
|
0.01
|
swose
|
Q4
|
VOLTAGE
|
|
|
i
2SC4398
woop
Tt
R71
953
i
|
28C4398
|
|
SWITCHING
SWITCHING
CNS
|
|
|
H
op,
5
wre
his
|
,
|
é
lS
ee
al
©
eal
EE
|
|
Ei)
a
|
Fl
|
gerne
aw
(AM)
TUNED
|
|
€70:US,CND/CSO
MODEL
—BVS2
22k.
MW
(AM)
TUNED
|
wane
|
INDICATION
10
er
:
|
;
FM
TUNED
INDICATION
|
|
|
ae
i
[LIGHTING
LEVEL
rig
INDICATION
LIGHTING
LEVEL
SHT
LN
[oan
vA
fof
1
LIGHTING
|
4
LEVEL
|
ee
|
[LEVEL
L
[
et
Ge
ee
[ca
5
ee
ff
a
Ty
MUTE
|
a
|
aa
|
|
:
!
2
|
G
|
Pe
|
|
|
Po
|
|
=
|
A
[TUNER
BOARD
(2/2)]
I
i
|
|
I
|
on
|
i
s
>
(
To)
GND
ee
3
4
|
|
{
<<
=
(See
so
|
|
|
5
a
Page
50)
ke}
|
1
|
as
@-—
|
|
|
-
5
PA
"
NEL
|
BOARD
iP}
|
|
|
|
|
CN602
iM
|
q
i
i
|
|
3
C70
|
ai
!
:
i
|
agi
|
KEP,
UK?
TK
Nt
|
Gyl
let.
gk
j
Fo
i
|
ee
el
J]
!
|
ai
!
I
|
|
r
|
|
H
|
|
|
I
|
|
)
1
/
|
K
|
R62
R68
i
'
|
2k
4!
|
|
TI
i
pS
o
ot
=
|
ay
|
:
7
|!
|
=
“C707
US,
CND/CSO
XCEPT
C70:
US,CND/CSO
2
ae
Note:
:
EXCEPT
MODEL
)
*
All
capacitors
are
in
uF
unless
otherwise
noted.
pF:upF
Li!
I
SOWV
or
less
are
not
indicated
except
for
electrolytics
and
|
etd
tantalums.
EXGEPY
=
7
.
.
H
lt
iS
ey;
oS
i
-
All
resistors
are
in
Q
and
1/4W
or
less
unless
otherwise
C70
uenee
£99
3
yt]
specified.
°
a
|
ead
*
A
:
internal
component.
TS
ie
ie
1
||
:
|
eS
°
B+
Line
MI
0
1
RB
YT
©
elegmegen
¢
R~
Line
|
Cy
er
2
i
Sis
ef
‘|:
adjustment
for
repair.
|
|
oh
|
CND
:
Canadian
model
°
Voltage
and
waveforms
are
dc
with
respect
to
ground
under
|
,
.
oe
eee
sat
1
italan
mode
no
Signa
ponelnons,
|
(See
Page
45)
EA:
Saudi
Arabia
model
nomark
iFM
|
i
MAIN
AUS
:
Australian
model
°
Voliages
are
taken
with
a
VOM
(input
impedance
109).
|
ro)
oped
SP:
Singapore
mode!
Voltage
variations
may
be
noted
due
to
normal
production
NI.
lof
—_
CN203
JE:
Tourist
model
i
tolerances.
,
ot
i
i
°.
Signal
path.
i
Ea
|
cN2
one
5
a
|
hae
a0
5
4P
i
|
bas
ea
|
maa
|
1
ad
ea
T
i
4
|
-_———
-
——__
-
——_-
|
=
|

Related product manuals