EasyManua.ls Logo

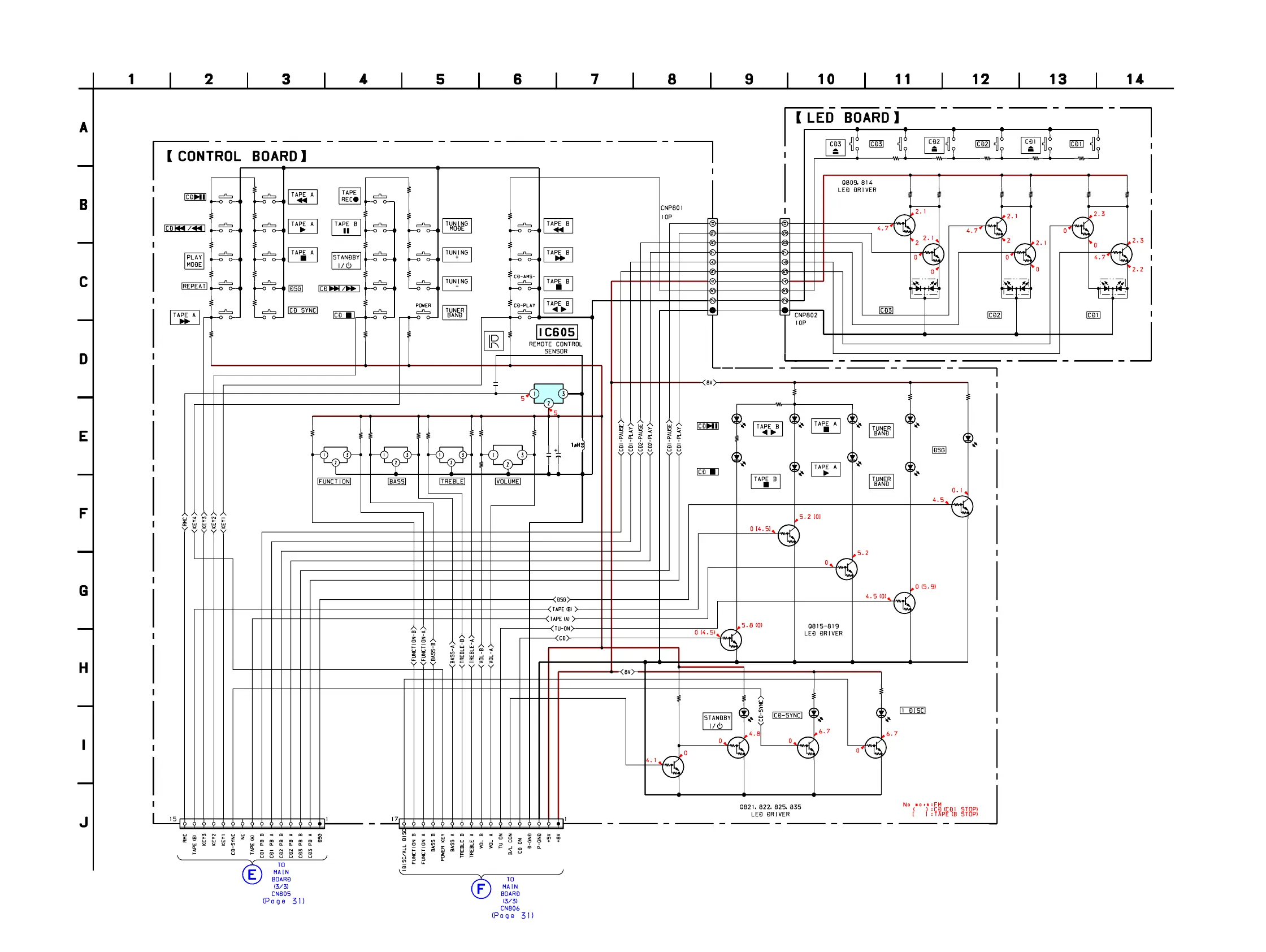
Sony HCD-CP333 - Schematic Diagram - CONTROL Section

Sony HCD-CP333
60 pages
Print Icon
To Next Page IconTo Next Page
To Next Page IconTo Next Page
To Previous Page IconTo Previous Page
To Previous Page IconTo Previous Page
Loading...
3333
HCD-CP333
6-13. Schematic Diagram – CONTROL Section –
S830
S829
S828
S827
S805
S818
S819
S820
S815
S817
S821
S822
S824
S825
S814
S813
S812
S801
S802
S803
S811
D820
S807 S809
S806
S823
S810
S804
D814
CN807
C
81
9
S826
CN808
JR802
JR
803
S808
D823
D833
D815
D830
D831
D829
D828
D817
D816
D818
Q817
Q815
Q816
Q822
Q819
R
817
R
81
8
R
805
R
804
R
803
R
80
2
R
830
R815
R
816
R814
R813
R812
Q821
R824
R823
R822
R
8
2
7
R
828
R
829
R851
R856
R808 R809R806
R
82
6
R811 R801
R807
Q818
R810
R
819
R825
R821
JR
8
01
R845
Q809
Q810
R847
Q812
Q811
R849
Q813
R820
Q825
R885
IC605
R848
R850
R846
D811
D812 D813
L802
RV801
RV802RV803RV804
R852
R859
R899
R855
Q853
Q814
C
82
0
R842
R841R840
R839R838
R837
R836
R835
LTL-816HR-004A
LTL1WKKSE-002A
15P
4
.7
1
6V
17P
0
0
LTL-816HR-004A
LTL-816HR-004A
LTL1WKKSE-002A
LTL1WKKSE-002A
LTL1WKKSE-002A
LTL1WKKSE-002A
LTL1WKKSE-002A
LTL1WKKSE-002A
LTL1WKKSE-002A
LTL1WKKSE-002A
DTC114EKA-T146
DTC114EKA-T146
DTC114EKA-T146
DTC114EKA-T146
DTC114EKA-T146
1
.0k
1
.2k
560
470
330
270
2
.7k
560
680
470
330
270
DTC114EKA-T146
470
330
270
1.0k
1.2k
1.8k
560
470
1.2k
1.8k680
6
8
0
10k 10k
1.0k
DTC114EKA-T146
2.7k
1
.8k
560
10k
0
680
DTC114EKA-T146
DTC114EKA-T146
680
DTC114EKA-T146
DTC114EKA-T146
680
DTC114EKA-T146
10k
DTC114EKA-T146
560
NJL64H400A-1
680
680
680
SML79420C-TP15
SML79420C-TP15 SML79420C-TP15
560
560
4.7k
DTC114EKA-T146
DTC114EKA
-T146
0.01
100k
100k100k
100k100k
100k
100k
100k
330
JR804
1000p

Related product manuals