EasyManua.ls Logo

Sony HCD-DX2 - Page 42

Sony HCD-DX2
72 pages
Print Icon
To Next Page IconTo Next Page
To Next Page IconTo Next Page
To Previous Page IconTo Previous Page
To Previous Page IconTo Previous Page
Loading...
42
HCD-BX2/DX2/DX2B
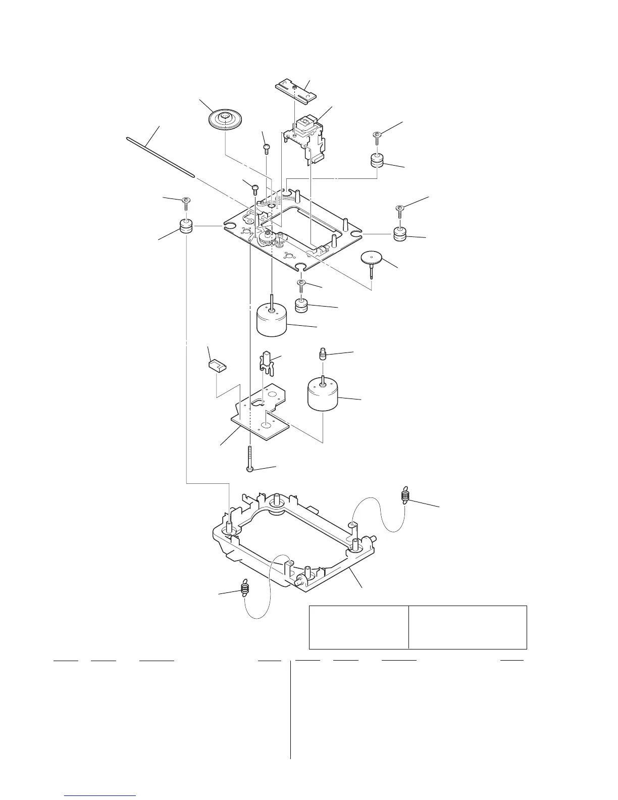
(6) CD MECHANISM DECK SECTION-3
202
203
212
212
205
214
213
211
210
210
207
206
212
202
212
215
203
204
204
201
not supplied
M101
M102
CN705
S05
The components identified by
mark 0 or dotted line with
mark 0 are critical for safety.
Replace only with part num-
ber specified.
Les composants identifiés par une
marque 0 sont critiques pour la
sécurité.
Ne les remplacer que par une pièce
portant le numéro spécifié.
Ref. No. Part No. Description Remark
Ref. No. Part No. Description Remark
201 4-229-508-01 BASE, KSM MECHANICAL
202 4-992-165-01 DAMPER (GREEN)
203 4-992-166-01 DAMPER (RED)
204 4-992-167-01 SPRING, MECHANICAL BASE
0 205 1-796-266-11 OPTICAL PICK-UP
206 4-237-319-01 PC BOARD
207 4-237-317-01 PINION GEAR
210 3-713-786-51 SCREW (M2X3)
211 4-237-286-01 CD SHAFT
212 3-319-501-51 SCREW (+ PTPWH) (2.6X16)
213 4-237-318-01 TURN TABLE
214 4-237-315-01 CD RACK
215 4-237-316-01 MECHA GEAR
CN702 1-564-722-11 PIN, CONNECTOR (SMALL TYPE) 6P
M101 1-541-352-12 MOTOR (SPINDLE)
M102 1-541-353-12 MOTOR (SLED)
S05 1-572-085-11 SWITCH, LEAF (LIMIT)
Ver 1.2 2001.07

Related product manuals