EasyManua.ls Logo

Sony HCD-DX3 - SECTION 7 DIAGRAMS (Continued); Driver Section Printed Wiring Board

Sony HCD-DX3
66 pages
Print Icon
To Next Page IconTo Next Page
To Next Page IconTo Next Page
To Previous Page IconTo Previous Page
To Previous Page IconTo Previous Page
Loading...
HCD-BX3/DX3
3636
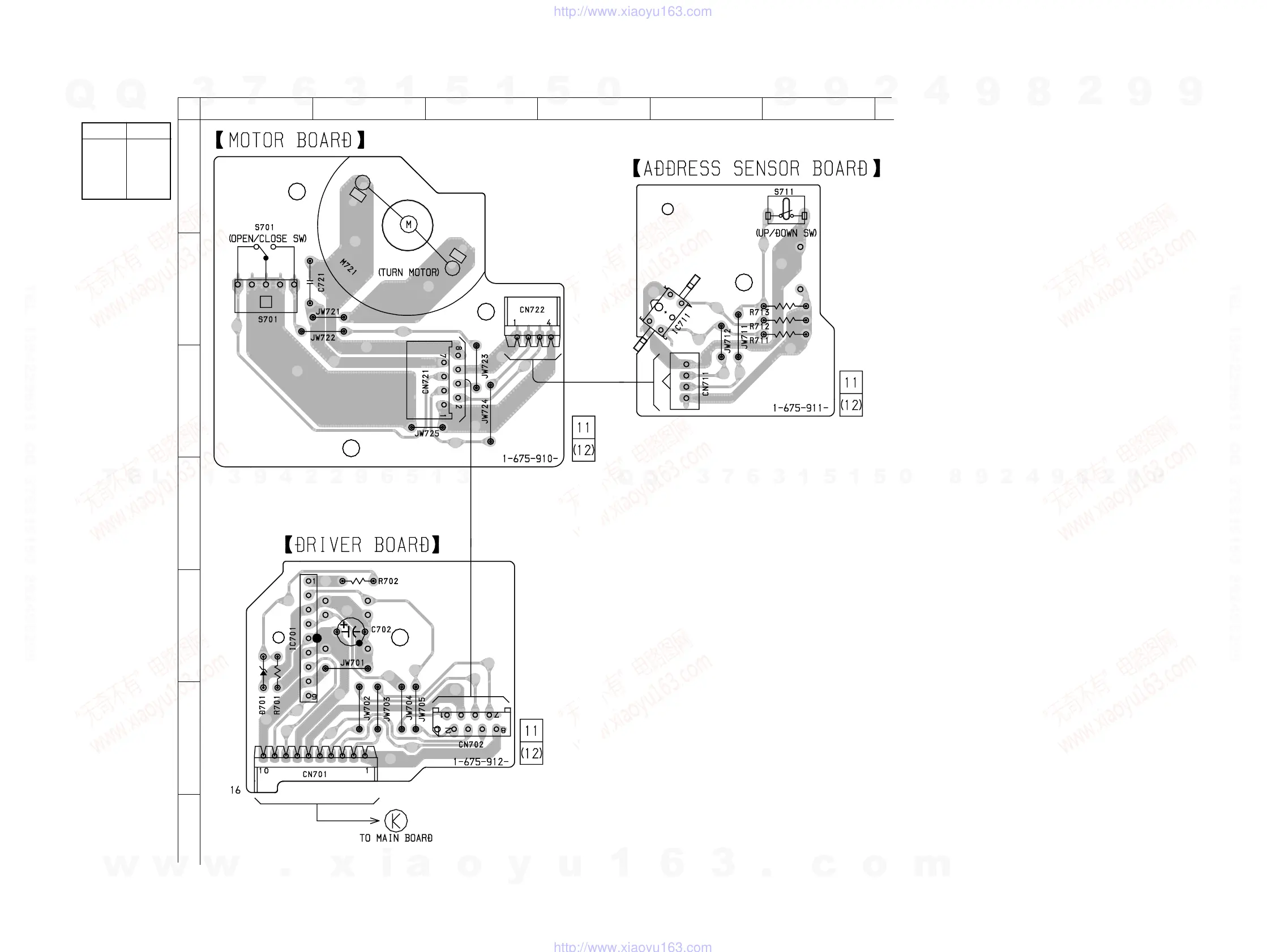
7-15. PRINTED WIRING BOARD DRIVER SECTION
See page page 21 for Circuit Boards Location.
12
A
B
C
D
E
F
G
3456
(Page 26)
Ref. No. Location
D701 E-1
IC701 E-1
IC711 B-5
Semiconductor
Location
w
w
w
.
x
i
a
o
y
u
1
6
3
.
c
o
m
Q
Q
3
7
6
3
1
5
1
5
0
9
9
2
8
9
4
2
9
8
T
E
L
1
3
9
4
2
2
9
6
5
1
3
9
9
2
8
9
4
2
9
8
0
5
1
5
1
3
6
7
3
Q
Q
TEL 13942296513 QQ 376315150 892498299
TEL 13942296513 QQ 376315150 892498299
http://www.xiaoyu163.com
http://www.xiaoyu163.com

Related product manuals