EasyManua.ls Logo

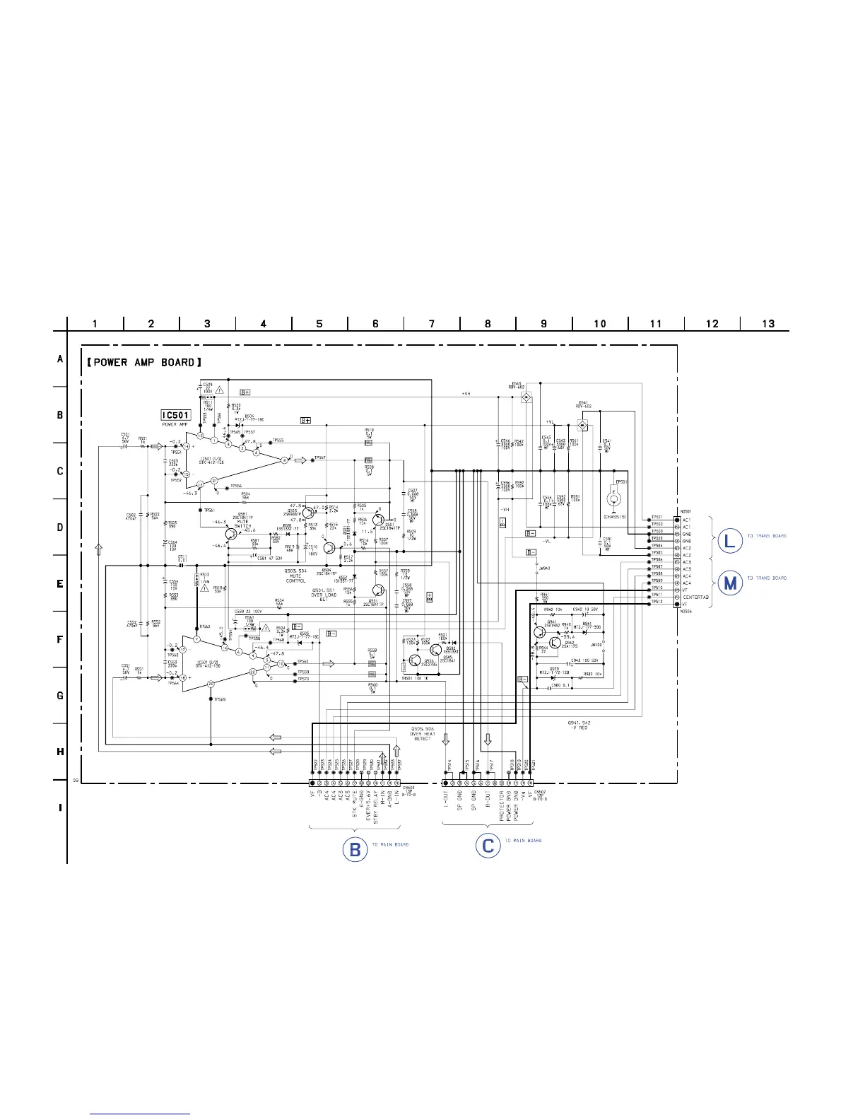
Sony HCD-DX7 - Schematic Diagram - Power AMP Section; (DX7, DX7 J Model)

Sony HCD-DX7
70 pages
Print Icon
To Next Page IconTo Next Page
To Next Page IconTo Next Page
To Previous Page IconTo Previous Page
To Previous Page IconTo Previous Page
Loading...
HCD-BX7/DX7/DX7J
3333
7-12. SCHEMATIC DIAGRAM POWER AMP SECTION (DX7, DX7J MODEL)
(Page 43)
(Page 43)
(Page 29)
(Page 29)

Related product manuals