EasyManua.ls Logo

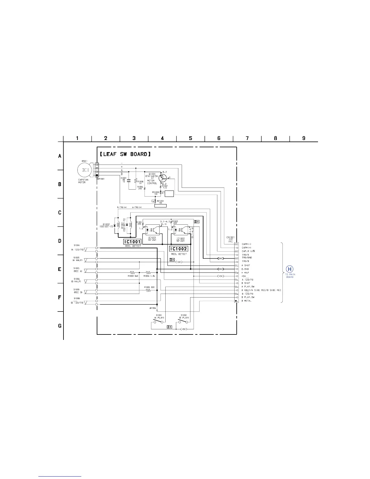
Sony HCD-DX7 - Schematic Diagram - Leaf SW Section

Sony HCD-DX7
70 pages
Print Icon
To Next Page IconTo Next Page
To Next Page IconTo Next Page
To Previous Page IconTo Previous Page
To Previous Page IconTo Previous Page
Loading...
HCD-BX7/DX7/DX7J
3737
7-16. SCHEMATIC DIAGRAM LEAF SW SECTION
(Page 28)
09
NORMAL
SPEED
HIGH SPEED

Related product manuals