EasyManua.ls Logo

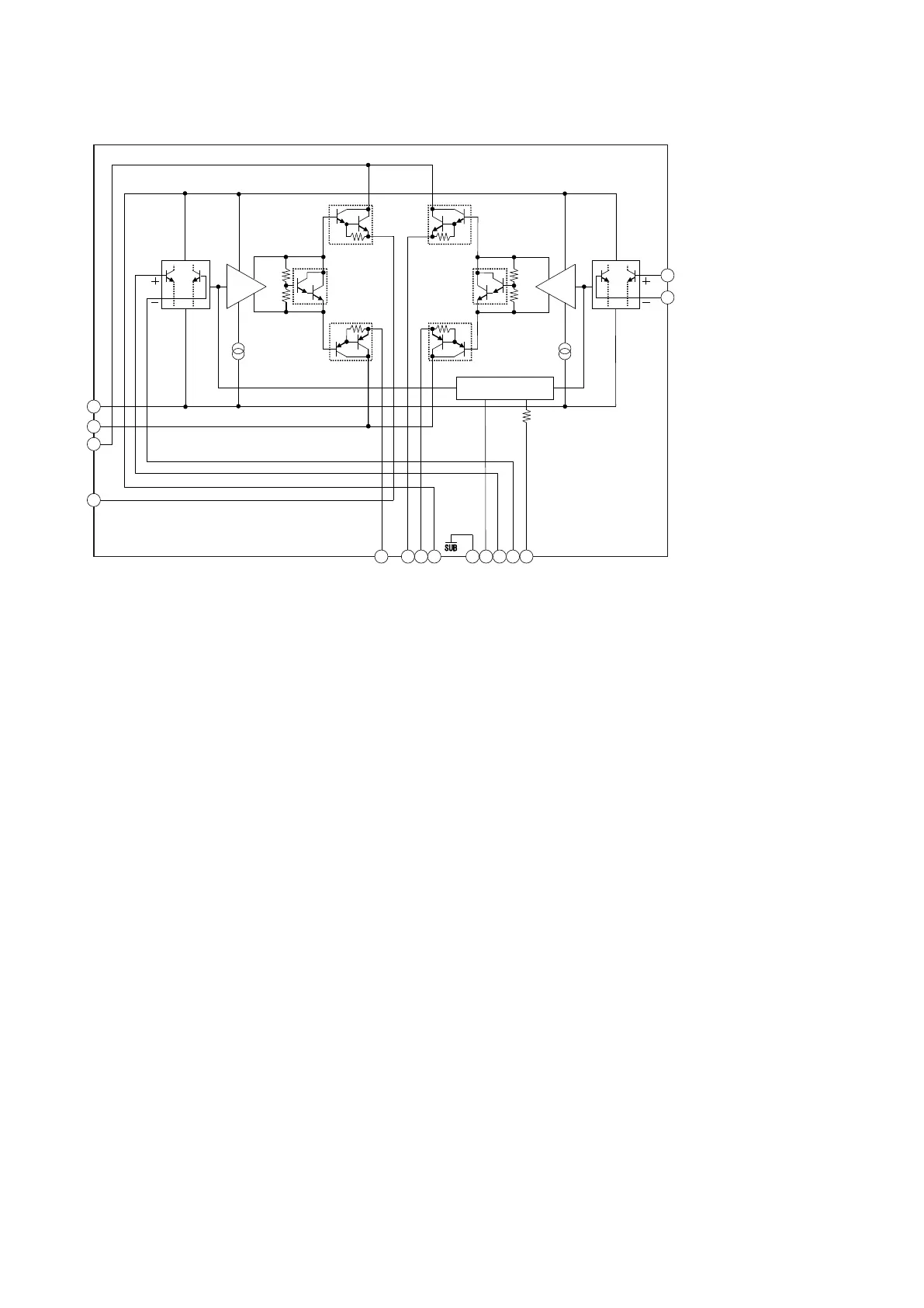
Sony HCD-EC599 - IC701 STK433-040 N-E (POWER Board)

Sony HCD-EC599
46 pages
Print Icon
To Next Page IconTo Next Page
To Next Page IconTo Next Page
To Previous Page IconTo Previous Page
To Previous Page IconTo Previous Page
Loading...
HCD-EC599
30
-PRE
Pre Driver
CH1
-VCC
+VCC
LCH OUT+
LCH OUT-
RCH OUT+
RCH OUT-
+PRE
SUB GND
IC GND
LCH IN
LCH NF
ST-BY
RCH NF
RCH IN
Pre Driver
CH2
Stand-by Circuit
1
2
3
4
5678 910111213
14
15
IC701 STK433-040N-E (POWER Board)

Related product manuals