EasyManua.ls Logo

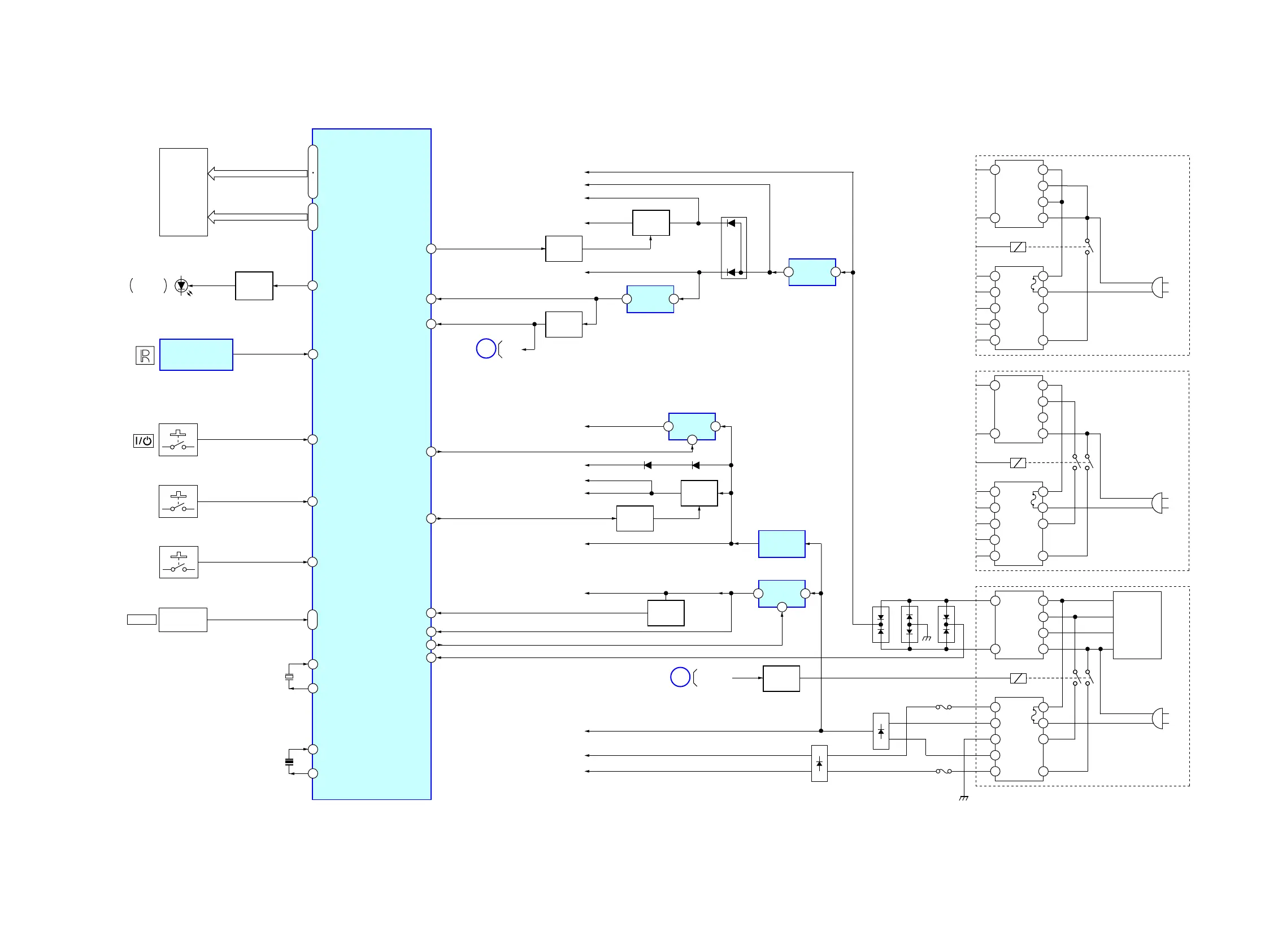
Sony HCD-EC599 - Block Diagram - DISPLAY;POWER Section

Sony HCD-EC599
46 pages
Print Icon
To Next Page IconTo Next Page
To Next Page IconTo Next Page
To Previous Page IconTo Previous Page
To Previous Page IconTo Previous Page
Loading...
15
15
HCD-EC599
HCD-EC599
5-3. BLOCK DIAGRAM – DISPLAY/POWER Section –
26
I-POWER-KEY
I-KEY1
I-KEY2
83
I
86
45
I
53
56
I
79
SEG0
I
SEG32
COM3
I
COM0
25
20
29
I-RMC
REMOTE CONTROL
SIGNAL RECEIVER
IC129
LCD100
LIQUID
CRYSTAL
DISPLAY
PANEL
32
O-AD-SWITCH
SYSTEM CONTROL
IC100 (3/3)
10
O-VBUS-ON
100
O-CD-ON
21
I-VBUS-LEVEL-DET
87
O-LCD-LED
12
SUB CLOCK IN
X112
32.768kHz
X115
20MHz
13
SUB CLOCK OUT
15
MAIN CLOCK IN
16
MAIN CLOCK OUT
D100
LCD BACK
LIGHT
LED
DRIVER
Q187
27
I-AC-MONITOR
SW350
SW360 - SW365
SW370 - SW375
VOLUME
ENCODER,
ROTARY
S350
I-VOL-A/B
36,37
RY652
T602
POWER
TRANSFORMER
AC IN
6
5
4
14
1
13
12
11
10
1
8
2
3
4
6
T601
POWER
TRANSFORMER
RY652
AC IN
6
5
4
14
1
13
12
11
10
1
8
2
3
4
6
E2, E51
RY651
AC IN
6
5
4
14
1
13
12
11
10
1
8
2
3
4
6
MX
T602
POWER
TRANSFORMER
T602
POWER
TRANSFORMER
T601
POWER
TRANSFORMER
T601
POWER
TRANSFORMER
S661
SELECTOR,
VOLTAGE
(SWS-2301)
AR
F671
F673
RECT
D711,D712
RECT
D707,D708
D709,D710
RELAY
DRIVER
Q728
STBY RELAY
C
MAIN
Section
(Page 14)
D613
D611
D612
VBUS OCP
DETECT
Q400
SW
3
VIN
2
+5V REG
IC400
7
9
I-VBUS-OCP
+9V REG
IC702
EN
REG ON
SWITCH
Q320
+3.3V
REG
Q321
-VCC
+VCC
UNREGULATE
VBUS +5V
AUDIO IC +9V
DVDD +3.3V
AVDD +3.3V
D321
D322
CD-VM7V
Vout
3
Vdd
4
1
CE
+3.3V REG
IC103
39
O-TU-CE
TU +3.3V
4
5
+4V REG
IC300
VIN
VOUT
28
I-AC-CUT
1
2
VDD
OUT
D302
RESET
IC301
RESET
SWITCH
Q300
11
I-RST
VDD3 (+3.3V)
AD +3.3V
+3.3V
REG
Q231
SWITCH
Q131
+4V
RESET
B
CD/USB
Section
(Page 13)
VDD1(+3.3V)
VSTANDBY

Related product manuals